电脑桌面
添加小米粒文库到电脑桌面
安装后可以在桌面快捷访问

弹簧设计和计算VIP免费

弹簧设计和计算_第1页
1/28
弹簧设计和计算_第2页
2/28
弹簧设计和计算_第3页
3/28
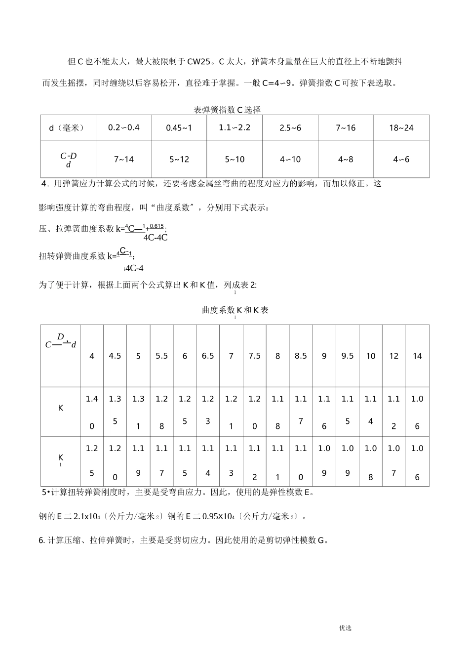
优选一.弹簧按工作特点分为三组二.I组:受动负荷(即受力忽伸忽缩,次数很多)的弹簧,而且当弹簧损坏后将引起整个机构发生故障.例如:发动机的阀门弹簧、摩擦离合器弹簧、电磁制动器弹簧等。三.U组:受静负荷或负荷均匀增加的弹簧,例如平安阀和减压阀的弹簧,制动器和传动装置的弹簧等。四.山组:不重要的弹簧,例如止回阀弹簧手动装置的弹簧,门弹簧和沙发弹簧等。五.按照制造精度分为三级六.1级精度:受力变形量偏差为±5%的弹簧,例如调速器和仪器等需要准确调整的弹簧。七.2级精度:受力变形量偏差为±10%的弹簧,例如平安阀、减压阀和止回阀弹簧,燃机进气阀和排气阀的弹簧。八.3级精度:受力变形量偏差为±15%的弹簧,不要求准确调整负荷的弹簧,象起重钩和缓冲弹簧、刹车或联轴器压紧弹簧等。九.名词和公式1。螺旋角:也叫“升角〞,计算公式是:螺旋角的正切tga=-^;式中t-弹簧的节距;D---中径。兀D22一般压缩弹簧的螺旋角a=6~9°左右;兀Dn2。金属丝的展开长L二2-1心KDn+钩环或腿的展开长;cosa2式中:n二弹簧的总圈数;n二弹簧的工作圈数。13。弹簧指数:是弹簧中径D与金属丝直径d的比,又叫“旋绕比〃,用C来代表,即:C=D;2d在实用上04,太小了钢丝变形彳艮厉害,尤其受动负荷的弹簧,钢丝弯曲太厉害时使用寿命就短。优选但C也不能太大,最大被限制于CW25。C太大,弹簧本身重量在巨大的直径上不断地颤抖而发生摇摆,同时缠绕以后容易松开,直径难于掌握。一般C=4〜9。弹簧指数C可按下表选取。表弹簧指数C选择d(毫米)0.2〜0.40.45~11.1〜2.22.5~67~1618~24C-Dd7~145~125~104〜104~84〜64.用弹簧应力计算公式的时候,还要考虑金属丝弯曲的程度对应力的影响,而加以修正。这影响强度计算的弯曲程度,叫“曲度系数〞,分别用下式表示:压、拉弹簧曲度系数k=4C—1+0.615;4C-4C扭转弹簧曲度系数k=4C-1;i4C-4为了便于计算,根据上面两个公式算出K和K值,列成表2:1曲度系数K和K表1DC—亠d44.555.566.577.588.599.51012141.41.31.31.21.21.21.21.21.11.11.11.11.11.11.0K0518531087654261.21.21.11.11.11.11.11.11.11.11.01.01.01.01.0K15097543210998765•计算扭转弹簧刚度时,主要是受弯曲应力。因此,使用的是弹性模数E。钢的E二2.1x104〔公斤力/毫米2〕铜的E二0.95X104〔公斤力/毫米2〕。6.计算压缩、拉伸弹簧时,主要是受剪切应力。因此使用的是剪切弹性模数G。优选n>7圈的弹簧,钢的剪切弹性模数G~8000〔公斤力/毫米2〕青铜的剪切弹性模数G~4000〔公斤力/毫米2〕7.工作圈数和支承圈工作圈的作用是使弹簧沿轴线伸缩,是实际参加工作的圈数,又叫“有效圈数〃,用n来表支承圈的功用,是用来保证压缩压缩弹簧在工作时轴线垂直于支承端面,但并不参加弹簧工作。因此,压缩弹簧的两端至少各要3/4圈拼紧,并磨平作为支承面。磨薄后的钢丝厚度约为1/4d,尾部和工作圈贴紧。重要的压缩弹簧,两端的完毕点要在相反的两边,以使受力均匀。所以一般压缩弹簧的总圈数多带有半圈的,如62.3圈、io)]圈等。压缩弹簧的工作圈是从按计算的螺旋角卷制时算起,而拉伸弹簧是从钩的弯曲处开场计算。压缩弹簧必须有支承圈,扭簧和拉伸簧由于两端有腿或钩环,所以没有支承圈。选择压缩弹簧工作圈的要点是:必须考虑到安装地位的限制和稳定性,圈数不要太多,同时也要考虑到受力均匀和能耐冲击疲劳,因此圈数也不能太少。在一般情况下,压缩弹簧工作圈数选择是:在不重要的静负荷作用下,n》2.5圈,经常受负荷或要求受力均匀时n》4圈,而平安阀弹簧对受力均匀的要求很严格,所以n》6圈。至于受动负荷如排气阀弹簧,也要求n》6圈。两头的支承圈数要适当加多,但每边不超过I}]圈。因此,总圈数为:—n+G.5~2.5)。8.刚度与弹簧指数、圈数的关系压、拉弹簧的刚度是指产生1毫米的变形量所需要的负荷。扭转弹簧的“扭转刚度〞是指扭转1°所需要的力矩。刚度越大,弹簧越硬。我们知道,弹簧钢丝直径d越粗,而材料的G或E越大时,弹簧刚度或扭转刚度也越大;相反的,中径D越大或工作圈数n越多时,弹簧刚度也越小。因此它们的关系是:2压、拉弹簧的刚度p=G4,〔公斤力/毫米〕8D3n2扭转弹簧的扭转刚度M...

1、当您付费下载文档后,您只拥有了使用权限,并不意味着购买了版权,文档只能用于自身使用,不得用于其他商业用途(如 [转卖]进行直接盈利或[编辑后售卖]进行间接盈利)。
2、本站所有内容均由合作方或网友上传,本站不对文档的完整性、权威性及其观点立场正确性做任何保证或承诺!文档内容仅供研究参考,付费前请自行鉴别。
3、如文档内容存在违规,或者侵犯商业秘密、侵犯著作权等,请点击“违规举报”。

碎片内容

弹簧设计和计算

wxg+ 关注
实名认证
内容提供者

该用户很懒,什么也没介绍

确认删除?
VIP
微信客服
  • 扫码咨询
会员Q群
  • 会员专属群点击这里加入QQ群
客服邮箱
回到顶部