电脑桌面
添加小米粒文库到电脑桌面
安装后可以在桌面快捷访问

桥梁受力计算 VIP免费

桥梁受力计算 _第1页
1/13
桥梁受力计算 _第2页
2/13
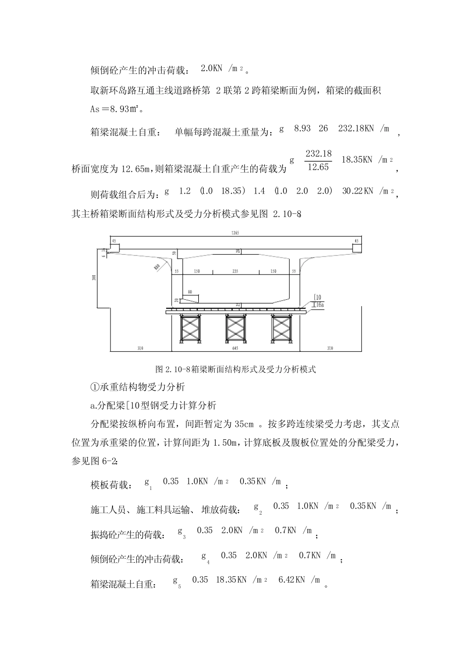
2.10.4水中箱梁钢管桩贝雷支架验算钢管桩贝雷支架以新环岛路互通主线道路桥第2联第2跨为例:(1)荷载及荷载组合情况①竖向荷载a.模板、拱架、支架、脚手架等自重,分项系数:2.1i;b.新浇混凝土、钢筋混凝土或新砌体等自重,分项系数:2.1i;c.施工人员及施工机具运输或堆放的荷载;,分项系数:4.1id.振捣混凝土时产生的竖向荷载,分项系数:4.1i;e.倾倒混凝土时产生的竖向荷载,分项系数:4.1i;f.其它可能产生的竖向荷载;②水平荷载a.新浇混凝土时对侧面模板产生的压力,分项系数:2.1i;b.倾倒混凝土时产生的水平荷载,分项系数:4.1i;c.振捣混凝土时产生的水平荷载,分项系数:4.1i;③其它荷载a.风荷载;b.流水压力、流水压力或船只、漂浮物撞击力;由于在对支架进行计算时,水平荷载⑵可不考虑,因此力的组合考虑为⑶⑴,只有在对高墩或高截面模板进行计算时,荷载⑵才考虑作为控制力计算。(2)钢管支架受力分析模板自重:2/0.1mKN;施工人员、施工料具运输、堆放荷载:2/0.1mKN;振捣砼产生的荷载:2/0.2mKN;倾倒砼产生的冲击荷载:2/0.2mKN。取新环岛路互通主线道路桥第2联第2跨箱梁断面为例,箱梁的截面积As=8.93㎡。箱梁混凝土自重:单幅每跨混凝土重量为:mKNg/18.2322693.8,桥面宽度为12.65m,则箱梁混凝土自重产生的荷载为2/35.1865.1218.232mKNg,则荷载组合后为:2/22.30)0.20.20.1(4.1)35.180.1(2.1mKNg,其主桥箱梁断面结构形式及受力分析模式参见图2.10-8。图2.10-8箱梁断面结构形式及受力分析模式①承重结构物受力分析a.分配梁[10型钢受力计算分析分配梁按纵桥向布置,间距暂定为35cm。按多跨连续梁受力考虑,其支点位置为承重梁的位置,计算间距为1.50m,计算底板及腹板位置处的分配梁受力,参见图6-2:模板荷载:mKNmKNg/35.0/0.135.021;施工人员、施工料具运输、堆放荷载:mKNmKNg/35.0/0.135.022;振捣砼产生的荷载:mKNmKNg/7.0/0.235.023;倾倒砼产生的冲击荷载:mKNmKNg/7.0/0.235.024;箱梁混凝土自重:mKNmKNg/42.6/35.1835.025。则荷载组合后为:mKNgggggg/57.10)7.07.035.0(4.1)42.635.0(2.1)(4.1)(2.143251利用有限元计算软件,对该多跨连续梁模型进行计算可以得到最大弯矩及支点位置的最大反力。图2.10-9分配梁[10型钢受力分析模式MpaMpaWMmKNM1707.63104.391051.2.51.236maxmax,,最大支反力为KNN15.16。b.承重梁(工16型钢)受力计算分析承重梁的受力为计算模型中工16钢的支点反力,其受力模型也可以简化为多跨连续梁,计算间距为贝雷梁的间距,其受力模型参见图。图2.10-10承重梁工16钢受力分析模式MpaMpaWMKNmMKNQ17029.79101411018.1118.1195.3736maxmaxmax,,MpaMpadISQmcmSImmbIS100][35.456101127108.801095.37109.139.138.801127,88cm1127cm8.80433maxmax2243,,,最大支反力为KNN42.62。c.贝雷梁受力计算分析贝雷梁承受的力为上部全部荷载,为方便计算,取承重梁支点位置处的支反力,作为贝雷梁的计算荷载,现取边跨部位计算,其计算简图参见图6-4。利用SAP2000有限元软件计算得到:KNQMpaM34.14478.254maxmax,,KNN88.271max查阅《装配式公路钢桥多用途使用手册》,“321”贝雷桁架容许应力表:双排单层:容许弯矩:mKNM.4.1576max容许剪力:KNQ5.490max本支架采用三组双排单层贝雷桁架,则:mKNKNmMM.78.2542.78824.15762max'maxKNKNQQ34.14425.24525.4902max'max,从贝雷桁架纵梁结构受力上看这种跨径满足要求。图2.10-11贝雷梁受力分析模式d.桩顶横梁受力计算分析桩顶横梁中间部分受力为贝雷梁的支点反力,取半幅箱梁桥作为一个计算单元,箱梁翼缘板处受力单独计算取集中荷载,计算如下。a).箱梁翼缘板处受力为均布荷载计算分配梁顺桥向间距考虑为100cm一道,其受力荷载按均布荷载考虑,为方便计算取100cm宽断面内的荷载作为计算荷载。模板加支架型钢荷载:mKNmKNg/0.4/0.400.1...

1、当您付费下载文档后,您只拥有了使用权限,并不意味着购买了版权,文档只能用于自身使用,不得用于其他商业用途(如 [转卖]进行直接盈利或[编辑后售卖]进行间接盈利)。
2、本站所有内容均由合作方或网友上传,本站不对文档的完整性、权威性及其观点立场正确性做任何保证或承诺!文档内容仅供研究参考,付费前请自行鉴别。
3、如文档内容存在违规,或者侵犯商业秘密、侵犯著作权等,请点击“违规举报”。

碎片内容

桥梁受力计算

您可能关注的文档

文达天下+ 关注
实名认证
内容提供者

各类试题、文摘、指南、行业规范

相关文档

确认删除?
VIP
微信客服
  • 扫码咨询
会员Q群
  • 会员专属群点击这里加入QQ群
客服邮箱
回到顶部