电脑桌面
添加小米粒文库到电脑桌面
安装后可以在桌面快捷访问

塑胶成型件进料检验规范VIP免费

塑胶成型件进料检验规范_第1页
1/5
塑胶成型件进料检验规范_第2页
2/5
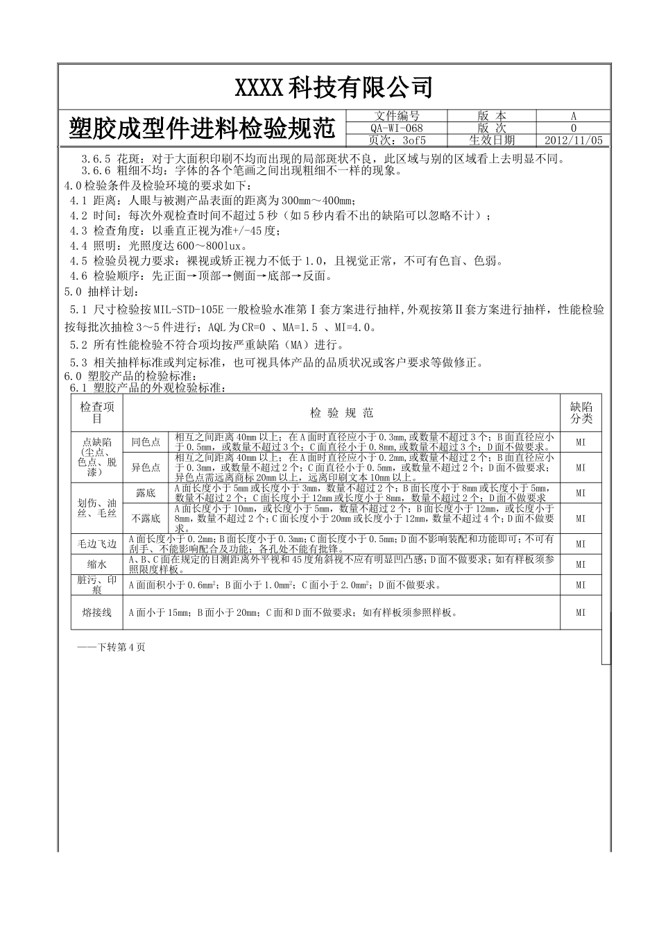
塑胶成型件进料检验规范_第3页
3/5
XXXX科技有限公司塑胶成型件进料检验规范文件编号版本AQA-WI-068版次0页次:1of5生效日期2012/11/051.0目的:为规范塑料产品进料检验标准,进一步提高我司塑胶制品的质量,使质量管理人员有章可循。2.0适用范围:本规范适用于本公司所有外协、外购塑胶件产品的进料检验。3.0术语和定义3.1缺陷分类定义3.1.1致命缺陷(CR):可能对产品或设备备的操作者造成伤害;潜在危险性的效应,会导致与安全有关的失效或不符合政府法规;影响机械或电气性能,产品在组装后或在客户使用时会发生重大品质事件的缺陷。3.1.2主要缺陷(MA):性能不能达到预期的目标,但不至于引起危险或不安全现象;导致最终影响产品使用性能和装配;客户很难接受或存在客户抱怨风险的缺陷。3.1.3次要缺陷(MI):不满足规定的要求但不会影响产品使用功能或客户不易发现,发现后通过沟通能使客户接受的缺陷。3.2外观面的定义:3.2.1A面:暴露在外且正常使用时可直接看到的主要表面。如产品的正面和顶部;3.2.2B面:暴露在外且正常使用时不能直接看到的次要表面。如面壳的侧面;3.2.3C面:暴露在外,但只有将产品翻过来才能看到的次要表面。如底部;3.2.4D面:未暴露在外且正常使用时看不到的表面。如反面;3.3塑胶件不良缺陷定义:3.3.1点缺陷:具有点形状的缺陷;确定其尺寸时以最大长度为准。3.3.2硬划痕:(有感划痕):由于硬物摩擦而造成产品表面有深度的划痕。3.3.3细划痕:(无感划痕):指产品表面没有深度的划痕。3.3.4毛边(飞边):由于塑料材料,注塑参数,模具材料,模具的维护等原因,造成在塑料件周边多出而无用的塑料薄层。3.3.5缩水:注塑件在模腔内冷却凝固时,由于注塑件壁厚不均匀、射胶压力不足、冷却时间不够等原因而在注塑件表面产生的凹陷。3.3.6熔接缝:产品在成型过程中,二股以上的融熔料相汇合的接线,目视及手感都有感觉。3.3.7气纹:因气体干扰使塑胶件表面形成一种雾状发暗痕迹。3.3.8流纹:因冷料被挤入,在塑胶件表面形成的雾色或亮色的痕迹。3.3.9银纹:在塑胶件表面沿树脂流动方向所呈现出的银白色条纹。3.3.10烧焦:指局部温度过高而在塑胶件表面留下的发黄或碳化痕迹。3.3.11(边)拖花/拉伤:因注射压力过大或型腔不平滑而造成脱模时成型件边缘的擦伤。编制:审核:批准:XXXX科技有限公司塑胶成型件进料检验规范文件编号版本AQA-WI-068版次0页次:2of5生效日期2012/11/053.3.12缺料:产品某个部位不饱满。3.3.13翘曲:塑料件因内应力作用等原因而造成的平面变形。3.3.14杂质:因有异物混入原料中等原因,成型后在产品表面呈现出斑点。3.3.15气泡:由于原料未充分干燥,造成成型后产品内部有缩孔。3.3.16混色:由于内应力,在产品表面产生与产品本色不同的颜色。3.4喷漆件不良缺陷定义:3.4.1毛絮:油漆本身带有的,或油漆未干时掉落在油漆表面形成的纤维状毛絮。3.4.2积漆:在喷漆件的表面或边缘出现的局部的油漆堆积现象。3.4.3桔皮纹:在喷漆件表面出现大面积细小的像桔子皮形状的起伏不平。3.4.4阴影:在喷漆件或塑料件表面出现的颜色较周围暗的区域。3.4.5露底:在喷漆件表面出现局部的油漆过薄而露出基体颜色的现象。3.4.6手印:在喷漆件表面或零件光亮面出现的手指印痕。3.4.7油漆剥落:产品表面上出现涂层脱落的现象。3.4.8颗粒:在喷漆件表面附着的细小尘粒或杂质。3.4.9泛白:涂膜表面呈气雾状。3.4.10光泽不良:喷漆件表呈现出与标准样件光泽不一致的情况。3.4.11鱼眼:由于溶剂挥发速度不适当而造成在喷漆表面有凹陷或小坑。3.5电镀件的不良缺陷定义:3.5.1漏镀:在应该电镀的地方没在电镀,而露出底材。3.5.2镀层脱落:产品表面出现电镀层起皮的现象。3.5.3污迹:在电镀件表面所残留的油污印迹。3.5.4局部发黄:由于电镀时电流过大等原因造成产品的颜色发黄。3.5.5暗斑:产品表面有局部发暗的现象。3.5.6麻点:电镀件表面出现的颗粒状缺陷。3.5.7针孔:在电镀件表面有针孔状的不良。3.5.8雾状:电镀件表面出局部发白或模糊现象。3.5.9粗糙:由于塑料件的模具没有抛光好,造成电镀件表面不光滑。3.5.10色泽不均:电镀件表面出现的颜色及光泽不均匀的现象。3.6印刷不...

1、当您付费下载文档后,您只拥有了使用权限,并不意味着购买了版权,文档只能用于自身使用,不得用于其他商业用途(如 [转卖]进行直接盈利或[编辑后售卖]进行间接盈利)。
2、本站所有内容均由合作方或网友上传,本站不对文档的完整性、权威性及其观点立场正确性做任何保证或承诺!文档内容仅供研究参考,付费前请自行鉴别。
3、如文档内容存在违规,或者侵犯商业秘密、侵犯著作权等,请点击“违规举报”。

碎片内容

塑胶成型件进料检验规范

您可能关注的文档

文章天下+ 关注
实名认证
内容提供者

各种文档应有尽有

确认删除?
VIP
微信客服
  • 扫码咨询
会员Q群
  • 会员专属群点击这里加入QQ群
客服邮箱
回到顶部