电脑桌面
添加小米粒文库到电脑桌面
安装后可以在桌面快捷访问

塑料成型工艺模具设计教程VIP免费

塑料成型工艺模具设计教程_第1页
1/80
塑料成型工艺模具设计教程_第2页
2/80
塑料成型工艺模具设计教程_第3页
3/80
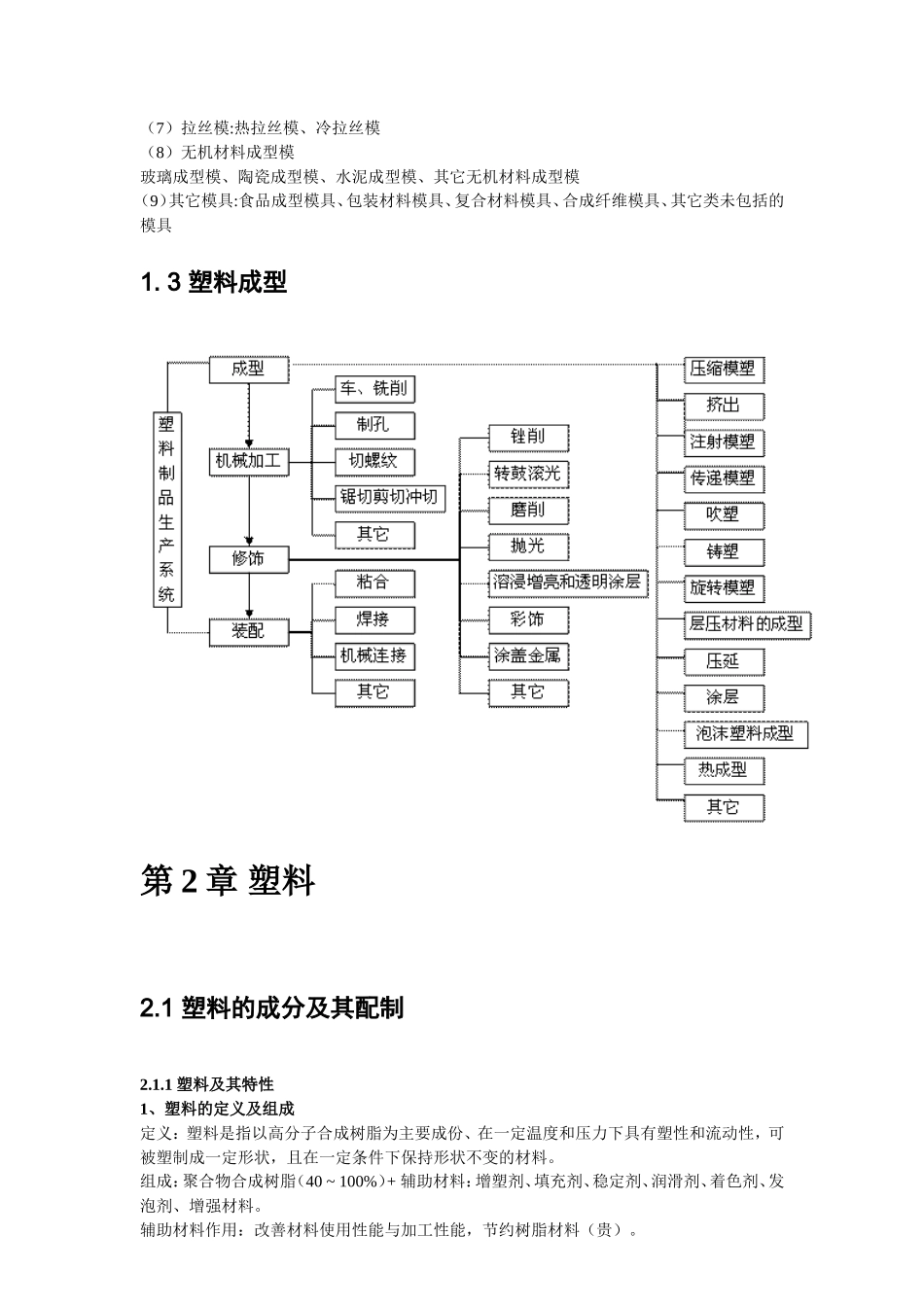
第1章概述模具是制造技术的核心。掌握模具,就意味着掌握技术,从而把握了降低生产成本、获得竞争优势的命门。1.1模具及模具的发展概况1、模具(基本概念)是指利用其本身特定形状去成型具有一定形状和尺寸的制品的工具。(diemoldmould)2、特点1)模具----是一种工具;2)模具与塑件-----“一模一样”;3)订货合同-----单件生产4)模具生产制件所具备的高精度、高复杂程度、高一致性、高生产率和低消耗,是其他加工制造方法所不能比拟的。3、模具的地位和作用模具技术已成为衡量一个国家产品制造水平的重要标志之一。美国工业界认为:模具是美国工业的基石日本工业界认为:模具是促进社会繁荣的动力国外将模具比喻为“金钥匙”、“进入富裕社会的原动力”。模具工业是我国国民经济的基础产业,是技术密集的高技术行业。模具是制造过程中的重要工艺装备。模具设计与制造专业人才是制造业紧缺人才。1.2现代模具分类(1)冲压模具冲裁模、级进模、复合模、精冲模、拉深模、弯曲模、成型模、切断模、其它冲压模(2)塑料模热塑性塑料注射模、热固性塑料注射模、热固性塑料压塑模、挤塑模、真空吸塑模、其它塑料模(3)锻造模热锻模、冷锻模、金属挤压模、切边模、其它锻造模(4)铸造模压力铸造模、低压铸造模、石蜡铸造模、翻砂金属模(5)粉末冶金模非金属粉末冶金模、金属粉末冶金模(6)橡胶模橡胶注射成型模、橡胶压胶成型模、橡胶挤胶成型模、橡胶浇注成型模、橡胶封装成型模其它橡胶模(7)拉丝模:热拉丝模、冷拉丝模(8)无机材料成型模玻璃成型模、陶瓷成型模、水泥成型模、其它无机材料成型模(9)其它模具:食品成型模具、包装材料模具、复合材料模具、合成纤维模具、其它类未包括的模具1.3塑料成型第2章塑料2.1塑料的成分及其配制2.1.1塑料及其特性1、塑料的定义及组成定义:塑料是指以高分子合成树脂为主要成份、在一定温度和压力下具有塑性和流动性,可被塑制成一定形状,且在一定条件下保持形状不变的材料。组成:聚合物合成树脂(40~100%)+辅助材料:增塑剂、填充剂、稳定剂、润滑剂、着色剂、发泡剂、增强材料。辅助材料作用:改善材料使用性能与加工性能,节约树脂材料(贵)。2、塑料的特性1、密度小。密度为约为0.83~2.2g/cm3,但大多数为1.0~1.4g/cm3,密度最小塑料0.83g/cm3(聚4-甲基丁烯-1)泡沫塑料0.189g/cm3。2、比强度和比刚度高:单位质量计算的强度称为比强度,是金属材料强度的1/10,玻璃钢强度更高3、化学稳定性好4、电气绝缘、绝热、隔声性能优良5、耐磨和自润滑性能好6、粘结性能好7、成型加工性能好,比金属易8、多种防护性能(防水、防潮、防透气、防震、防辐射等)9、不足:强度,刚度不如金属,不耐热。1000C以下热膨胀系数大,易蠕变,易老化。2.1.2塑料的成分1、树脂塑料主要成份是树脂﹐树脂有天然树脂和合成树脂两种。1、定义:指受热时通常有转化或熔融范围,转化时受外力作用具有流动性,常温下呈固态或半固态或液态的有机聚合物,它是塑料最基本的,也是最重要的成分。2、分类天然树脂:是指由自然界中动植物分泌物所得的无定形有机物质,如松香、琥珀、虫胶等。合成树脂:是指由简单有机物经化学合成或某些天然产物经化学反应而得到的树脂产物。如聚乙烯、聚氯乙烯、环氧树脂等。树脂均属于高分子化合物,称为高聚物。3、合成树脂制备方法:聚合反应、缩聚反应2、塑料的成份(1)树脂﹕主要作用是将塑料的其它成份加以粘合﹐并决定塑料的类型(热塑性或热固性)和主要性能﹐如机械﹑物理﹑电﹑化学性能等。树脂在塑料中的比例一般为40~65%。(2)填充剂﹕又称填料﹐通常对聚合物呈惰性作用:改善塑料的成型性能,减少树脂的含量及提高塑料性能。正确地选择填充剂﹐可以改善塑料的性能和扩大它的使用范围。(3)增塑剂﹕有些树脂的可塑性很小﹐柔软性也很差﹐为了降低树脂的熔融粘度和熔融温度﹐改善其成型加工性能﹐改进塑料的柔韧性﹐弹性以及其它各种必要的性能﹐通常加入能入树脂相容的不易挥发的高沸点的有机化合物。这类物质称增塑剂。增塑剂常是一种高沸点液纳或熔点固体的酯类化合物。(4)着色剂﹕又称色料﹐主要是起美观和装...

1、当您付费下载文档后,您只拥有了使用权限,并不意味着购买了版权,文档只能用于自身使用,不得用于其他商业用途(如 [转卖]进行直接盈利或[编辑后售卖]进行间接盈利)。
2、本站所有内容均由合作方或网友上传,本站不对文档的完整性、权威性及其观点立场正确性做任何保证或承诺!文档内容仅供研究参考,付费前请自行鉴别。
3、如文档内容存在违规,或者侵犯商业秘密、侵犯著作权等,请点击“违规举报”。

碎片内容

塑料成型工艺模具设计教程

您可能关注的文档

确认删除?
VIP
微信客服
  • 扫码咨询
会员Q群
  • 会员专属群点击这里加入QQ群
客服邮箱
回到顶部