电脑桌面
添加小米粒文库到电脑桌面
安装后可以在桌面快捷访问

保安人员考试试卷 VIP免费

保安人员考试试卷 _第1页
1/4
保安人员考试试卷 _第2页
2/4
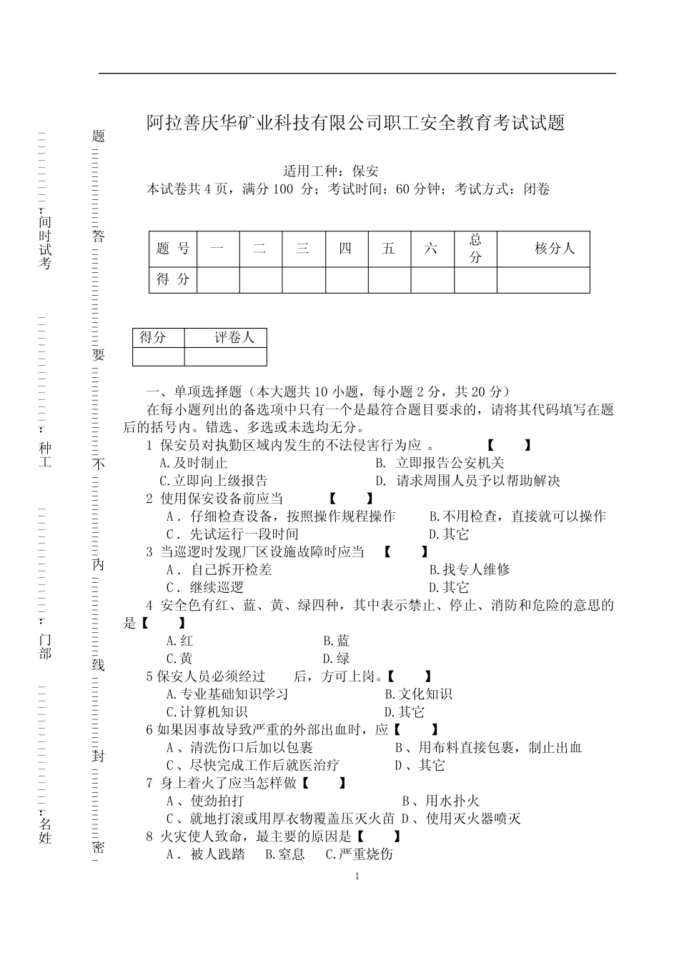
1阿拉善庆华矿业科技有限公司职工安全教育考试试题适用工种:保安本试卷共4页,满分100分;考试时间:60分钟;考试方式:闭卷得分评卷人一、单项选择题(本大题共10小题,每小题2分,共20分)在每小题列出的备选项中只有一个是最符合题目要求的,请将其代码填写在题后的括号内。错选、多选或未选均无分。1保安员对执勤区域内发生的不法侵害行为应。【】A.及时制止B.立即报告公安机关C.立即向上级报告D.请求周围人员予以帮助解决2使用保安设备前应当【】A.仔细检查设备,按照操作规程操作B.不用检查,直接就可以操作C.先试运行一段时间D.其它3当巡逻时发现厂区设施故障时应当【】A.自己拆开检差B.找专人维修C.继续巡逻D.其它4安全色有红、蓝、黄、绿四种,其中表示禁止、停止、消防和危险的意思的是【】A.红B.蓝C.黄D.绿5保安人员必须经过后,方可上岗。【】A.专业基础知识学习B.文化知识C.计算机知识D.其它6如果因事故导致严重的外部出血时,应【】A、清洗伤口后加以包裹B、用布料直接包裹,制止出血C、尽快完成工作后就医治疗D、其它7身上着火了应当怎样做【】A、使劲拍打B、用水扑火C、就地打滚或用厚衣物覆盖压灭火苗D、使用灭火器喷灭8火灾使人致命,最主要的原因是【】A.被人践踏B.窒息C.严重烧伤姓名:___________________部门:_________________工种:_________________考试时间:____________-密-----------------封-----------------线-------------------内-------------------不---------------------要-----------------------答-------------------题题号一二三四五六总分核分人得分29安全教育的最终目的是【】A.提高干部职工的安全生产素质B.树立全局观C.提高科技水平D.其它10使用灭火器扑救火灾时要对准火焰喷射。【】A.火焰上部B.火焰中部C.火焰根部D.随便得分评卷人二、判断题(本大题共15小题,每小题2分,共30分)判断下列各题正误,正确的在题后括号内打“√”,错误的打“×”。1.保安员在驻勤单位工作时,着装时可以不戴帽子。。【】2.巡逻是发现识别可疑人、事的主动预防性监视活动。【】3.保安员应具备一定的语言、文字表达能力和沟通能力。【】4.保安员不得纹身,不得染发、染指甲,不得化浓妆、戴首饰。【】5.保安员因私外出时应穿着制服。【】6.保卫员遇有打、砸、抢、偷等威胁员工人身安全的犯罪行为时,立即制止犯罪。【】7.安全教育包括技术教育,安全知识教育和安全理论及教育方法。【】8.法律是国家制定或认可的,并以国家强制力保证实施的调整人们行为关系的行为规范。【】9.保安从业人员必须是退伍军人【】10.要切实提高警惕,万一发生事故或有可疑情况及时报告并保护好现场。【】11.发现可疑情况应立即通知巡逻人员赶赴现场核查。12.同事之间应相互帮助,在遇事时可以相互推诿13.在工作中发现有人破坏公共设施设备,应当及时的予以制止。15.发现初起火灾可以不去扑救,直接拨“119”就可以了。得分评卷人三、填空题(本大题共10小题,每小题2分,共20分)1、“三违”是指、、。2、保安人员要熟悉相关设备的、和对安全的条款不得违反。3、是生产的首要前提和保障,生产中必须坚持、的方针。4、员工在工作当中坚持三不伤害原则是指、、。5、为经批准不得在工作中将任务或。6、保安主要任务是:_______、、。7、对于发生的事故或未遂事故要、、。8、工人进场时必须进行,即、、三级安全教育,经考试合格方准上岗。9员工有权拒绝任何人的,有权拒绝接受任何人3的。10、坚持三检查制度,发现问题及时处理,交接班时,对有关设备安全情况要交并。四、简答题(本大题共4小题,每小题5分,共20分)1、简述事故处理“四不放过”的原则?2、当你发现可以车辆,该如何应对?3、操作工的“五严格”是什么?4、工作中,互保双方要对对方的安全健康负责,做到四个互助,简述其内容?得分评卷人4得分评卷人五、论述题(本大题共1小题,共15分)为什么要树立安全第一的思想?结合自己的工作岗位谈谈你的安全学习认识。

1、当您付费下载文档后,您只拥有了使用权限,并不意味着购买了版权,文档只能用于自身使用,不得用于其他商业用途(如 [转卖]进行直接盈利或[编辑后售卖]进行间接盈利)。
2、本站所有内容均由合作方或网友上传,本站不对文档的完整性、权威性及其观点立场正确性做任何保证或承诺!文档内容仅供研究参考,付费前请自行鉴别。
3、如文档内容存在违规,或者侵犯商业秘密、侵犯著作权等,请点击“违规举报”。

碎片内容

保安人员考试试卷

您可能关注的文档

确认删除?
VIP
微信客服
  • 扫码咨询
会员Q群
  • 会员专属群点击这里加入QQ群
客服邮箱
回到顶部