电脑桌面
添加小米粒文库到电脑桌面
安装后可以在桌面快捷访问

填隙碎石的工艺流程[1]VIP免费

填隙碎石的工艺流程[1]_第1页
1/16
填隙碎石的工艺流程[1]_第2页
2/16
填隙碎石的工艺流程[1]_第3页
3/16
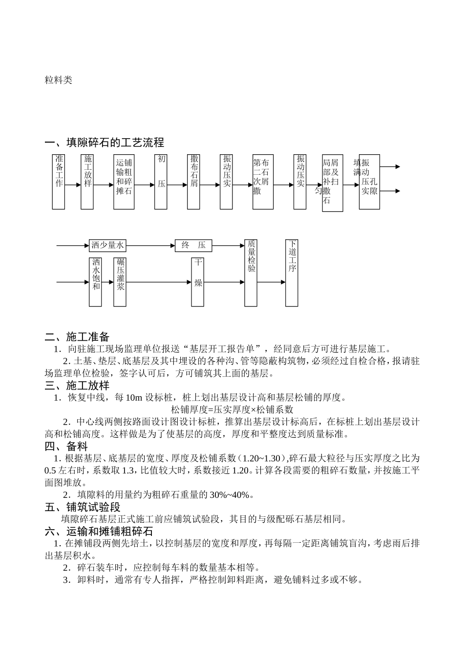
粒料类一、填隙碎石的工艺流程二、施工准备1.向驻施工现场监理单位报送“基层开工报告单”,经同意后方可进行基层施工。2.土基、垫层、底基层及其中埋设的各种沟、管等隐蔽构筑物,必须经过自检合格,报请驻场监理单位检验,签字认可后,方可铺筑其上面的基层。三、施工放样1.恢复中线,每10m设标桩,桩上划出基层设计高和基层松铺的厚度。松铺厚度=压实厚度×松铺系数2.中心线两侧按路面设计图设计标桩,推算出基层设计标高后,在标桩上划出基层设计高和松铺高度。这样做是为了使基层的高度,厚度和平整度达到质量标准。四、备料1.根据基层、底基层的宽度、厚度及松铺系数(1.20~1.30),碎石最大粒径与压实厚度之比为0.5左右时,系数取1.3,比值较大时,系数接近1.20。计算各段需要的粗碎石数量,并按施工平面图堆放。2.填隙料的用量约为粗碎石重量的30%~40%。五、铺筑试验段填隙碎石基层正式施工前应铺筑试验段,其目的与级配砾石基层相同。六、运输和摊铺粗碎石1.在摊铺段两侧先培土,以控制基层的宽度和厚度,再每隔一定距离铺筑盲沟,考虑雨后排出基层积水。2.碎石装车时,应控制每车料的数量基本相等。3.卸料时,通常有专人指挥,严格控制卸料距离,避免铺料过多或不够。准备工作施工放样运铺输粗和碎摊石初压撒布石屑第布二石次屑撒振动压实局屑部及补扫撒匀石振填动满压孔实隙振动压实洒少量水终压洒水饱和碾压灌浆干燥质量检验下道工序4.用平地机或其它合适的机具,将粗碎石均匀地摊铺在预定的宽度上,可辅以人工配合。表面应力求平整,并有规定的横坡。5.检验松铺材料层的厚度是否符合预计要求,必要时应进行减料或补料工作。七、撒铺填隙料和碾压1.干法施工①初压。用8t两轮压路机碾压3~4遍,使粗碎石稳定就位,碾压时,由边向中、由低向高进行。在第一遍碾压后,应再次找平。初压结束,表面应平整,并具有要求的纵、横坡度。②撒铺填隙料。用石屑撒布机或类似的设备将干燥的填隙料均匀地摊铺在已压稳的粗碎石层上,松厚25cm~30cm;也可用自卸汽车运送石屑至粗碎石层上,由人工摊铺,用人工进行扫匀。③用振动压路机慢速碾压,将全部填隙料振入粗碎石的孔隙中。④再次撒布填隙料。松厚2.0cm~2.5cm,人工扫匀。⑤再次碾压。用振动压路机碾压,对局部填隙料不足之处,人工进行找补,并将多余的填隙料用扫帚扫到不足之处。⑥碾压后,如表面仍有未填满的孔隙,则还需要补撒填隙料,并用振动压路机继续碾压,直到全部孔隙被填满为止。宜在表面先洒少量水,洒水量在3kg/m2以上,再用12t以上三轮压路机碾压1~2遍。在碾压过程中,不应有任何蠕动现象。2.湿法施工①开始的工序与干法施工相同。②当粗碎石层表面孔隙全部填满后,立即用洒水车洒水,直到饱和,但不能泡软土基。③用12t以上三轮压路机跟在洒水车后面进行碾压,在碾压过程中,将湿填隙料继续扫入所出现的孔隙中,洒水和碾压应一直进行到细集料和水形成粉砂浆为止。粉砂浆应有足够的数量以填塞全部孔隙。④干燥。碾压后的基层要留待一段时间,让水分蒸发。填隙碎石基层(底基层)施工工艺流程如图所示。填隙碎石工艺流程图1.准备工作1)准备下承层(1)基层的下承层是底基层及其以下部分。底基层的下承层可能还包括垫层。下承层表面应平整、坚实、具有规定的路拱,没有任何松散的材料和软弱地点。(2)下承层的平整度和压实度应符合规范要求。(3)土基不论路堤或路堑,必须用12~15t三轮压路机或等效的碾压机械进行碾压(压3~4遍)。在碾压过程中,如发现土过干、表层松散,应适当洒水;如土过湿、发生“弹簧”现象,应采取挖开晾晒、换土、掺石灰或粒料等措施进行处理。(4)对于底基层,根据压实度检查(或碾压检验)和弯沉测定的结果,凡不符合设计要求的路段,必须根据具体情况,分别采用补充碾压、加厚底基层、换填好的材料、挖开晾晒等措施,使达到标准。(5)底基层上的低洼和坑洞,应仔细填补及压实。底基层上的搓板应刮除;松散处,应耙松洒水并重新碾压。(6)逐一断面检查下承层标高是否符合设计要求。下承层标高的误差应符合规范规定。(7)新完成的底基层或土基,必须按规范进行验收。凡验...

1、当您付费下载文档后,您只拥有了使用权限,并不意味着购买了版权,文档只能用于自身使用,不得用于其他商业用途(如 [转卖]进行直接盈利或[编辑后售卖]进行间接盈利)。
2、本站所有内容均由合作方或网友上传,本站不对文档的完整性、权威性及其观点立场正确性做任何保证或承诺!文档内容仅供研究参考,付费前请自行鉴别。
3、如文档内容存在违规,或者侵犯商业秘密、侵犯著作权等,请点击“违规举报”。

碎片内容

填隙碎石的工艺流程[1]

您可能关注的文档

确认删除?
VIP
微信客服
  • 扫码咨询
会员Q群
  • 会员专属群点击这里加入QQ群
客服邮箱
回到顶部