电脑桌面
添加小米粒文库到电脑桌面
安装后可以在桌面快捷访问

图样画法及尺寸标注VIP免费

图样画法及尺寸标注_第1页
1/31
图样画法及尺寸标注_第2页
2/31
图样画法及尺寸标注_第3页
3/31
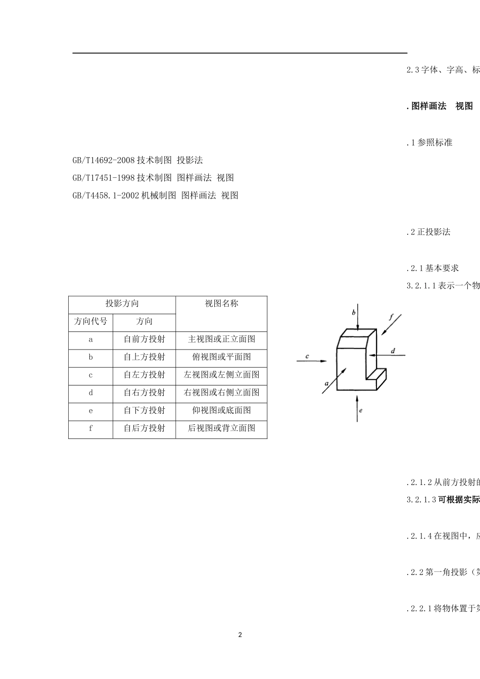
录1.目的......................................................................................................................................22.适用范围..............................................................................................................................23.图样画法视图..................................................................................................................24.螺纹及螺纹紧固件表示法...................................................................................................35.尺寸注法..............................................................................................................................36.焊缝符号表示法..................................................................................................................3.目的为了统一公司设计制图标准,.适用范围2.1本技术指导书是根据机械制图标准进行编制,规定了视图的基本表示方法、规定了在图样中标注尺寸的基本方法,适用于门窗、幕墙的加工图。2.2加工图按照国家标准,采用正投影法(第一角画法)绘制图样。12.3字体、字高、标注、索引、线型、图层等按照嘉寓《设计制图标准》有关规定执行。.图样画法视图.1参照标准GB/T14692-2008技术制图投影法GB/T17451-1998技术制图图样画法视图GB/T4458.1-2002机械制图图样画法视图.2正投影法.2.1基本要求3.2.1.1表示一个物体可有六个基本投射方向,如图投影方向视图名称方向代号方向a自前方投射主视图或正立面图b自上方投射俯视图或平面图c自左方投射左视图或左侧立面图d自右方投射右视图或右侧立面图e自下方投射仰视图或底面图f自后方投射后视图或背立面图.2.1.2从前方投射的视图应尽量反映物体的主要特征,该视图称为主视图。3.2.1.3可根据实际情况选用其他视图,在完整、清晰地表达物体特征的前提下,使视图数量为最少,力求制图简便。.2.1.4在视图中,应用粗实线画出物体的可见轮廓,必要时,还可用细虚线画出物体的不可见轮廓。.2.2第一角投影(第一角画法).2.2.1将物体置于第一分角内,即物体处于观察者与投影面之间进行投射,然后按规定展开投影面。2.2.2.2六个基本投影面的展开方法如图.2.2.3在同一张图纸内按图.2.2.4如不能按图3.33①在视图(称为向视图)的上方标出“②在视图下方标出图名。注写图名的各视图的位置,应根据需要和可能,按相应的规则布置。.3局部视图.3.1在机械制图中,局部视图的配置可选用以下方式:------按基本视图的配置形式配置,见图3.3.2为了节省绘图时间和图幅,对称构件或零件的视图可只画一半或四分之一,并在对称中心线的两端画出两条与其垂直的平行细实线,如图4图3.6.4局部放大图.4.1局部放大图------局部放大图可画成视图,也可画成剖视图、断面图,它与被放大部分的表示方法无关,见图.4.2绘制局部放大图时,应按图同一机件上有几个被放大的部分时,应用罗马数字依次标明被放大的部位,并在局部放大图的当机件上被放大部分仅一个时,在局部放大图的上方只需注明所采用的比例。5.5镜向零件对于左右手零件或装配件,可用一个视图表示,并在图形下方注写必要的说明,见图.螺纹及螺纹紧固件表示法.1参照标准GB/T4459.1-1995机械制图螺纹及螺纹紧固件表示法GB/T197-2003普通螺纹公差.2主题内容本部分规定了螺纹及螺纹紧固件的表示法,适用于加工图图样及有关技术文件。.3螺纹的表示法4.3.1螺纹牙顶圆的投影用粗实线表示,牙底圆的投影用细实线表示,在螺杆的倒角或倒圆部分也应画出。在垂直于螺纹轴线的投影面的视图中,表示牙底圆的细实线只画约6出,见图4.1~4.3。其线型、图层等按照瑞华建设《设计制图标准》(4.1螺纹的画法:外螺纹大径用粗实线表示,小径用细实线表示,小径可近似地画成大径的螺纹的画法:内螺纹大径用细实线表示,小径和螺纹终止线用粗实线表示,且小径取大径的4.3.2有效螺纹的终止界线(简称螺纹终止线)用粗实线表示,外螺纹终止线的画法如图74.3.3螺尾部分一般不必画出,当需...

1、当您付费下载文档后,您只拥有了使用权限,并不意味着购买了版权,文档只能用于自身使用,不得用于其他商业用途(如 [转卖]进行直接盈利或[编辑后售卖]进行间接盈利)。
2、本站所有内容均由合作方或网友上传,本站不对文档的完整性、权威性及其观点立场正确性做任何保证或承诺!文档内容仅供研究参考,付费前请自行鉴别。
3、如文档内容存在违规,或者侵犯商业秘密、侵犯著作权等,请点击“违规举报”。

碎片内容

图样画法及尺寸标注

您可能关注的文档

确认删除?
VIP
微信客服
  • 扫码咨询
会员Q群
  • 会员专属群点击这里加入QQ群
客服邮箱
回到顶部