电脑桌面
添加小米粒文库到电脑桌面
安装后可以在桌面快捷访问

土钉墙支护计算计算书VIP免费

土钉墙支护计算计算书_第1页
1/9
土钉墙支护计算计算书_第2页
2/9
土钉墙支护计算计算书_第3页
3/9
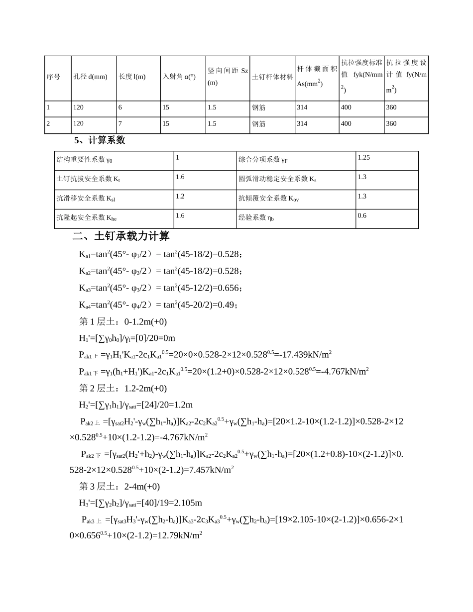
土钉墙支护计算书计算依据:1、《建筑基坑支护技术规程》JGJ120-20122、《建筑施工计算手册》江正荣编著3、《实用土木工程手册》第三版杨文渊编著4、《施工现场设施安全设计计算手册》谢建民编著5、《地基与基础》第三版土钉墙需要计算其土钉的抗拉承载力和土钉墙的整体稳定性。一、参数信息1、基本参数侧壁安全级别二级基坑开挖深度h(m)5土体的滑动摩擦系数1.3条分块数10土钉墙计算宽度B'(m)15基坑外侧水位到坑顶的距离(m)1.2基坑内侧水位到坑顶的距离(m)5.5基坑地面至抗隆起计算平面之间的距离D(m)22、荷载参数序号类型面荷载q(kPa)荷载宽度b(m)基坑边线距离a(m)平行基坑边的分布长度l(m)作用深度d(m)1局布荷载255113、土层参数序号土名称土厚度(m)坑壁土的重度γ(kN/m3)坑壁土的内摩擦角φ(°)粘聚力C(kPa)极限摩擦阻力(kPa)饱和重度(kN/m3)1粘性土2201812120202淤泥质二218121020193红粘土3222018189224、土钉墙布置数据放坡参数:序号放坡高度L(m)放坡宽度W(m)平台宽度B(m)1512土钉参数:序号孔径d(mm)长度l(m)入射角α(°)竖向间距Sz(m)土钉杆体材料杆体截面积As(mm2)抗拉强度标准值fyk(N/mm2)抗拉强度设计值fy(N/mm2)11206151.5钢筋31440036021207151.5钢筋3144003605、计算系数结构重要性系数γ01综合分项系数γF1.25土钉抗拔安全系数Kt1.6圆弧滑动稳定安全系数Ks1.3抗滑移安全系数Ksl1.2抗倾覆安全系数Kov1.3抗隆起安全系数Khe1.6经验系数ηb0.6二、土钉承载力计算Ka1=tan2(45°-φ1/2)=tan2(45-18/2)=0.528;Ka2=tan2(45°-φ2/2)=tan2(45-18/2)=0.528;Ka3=tan2(45°-φ3/2)=tan2(45-12/2)=0.656;Ka4=tan2(45°-φ4/2)=tan2(45-20/2)=0.49;第1层土:0-1.2m(+0)H1'=[∑γ0h0]/γi=[0]/20=0mPak1上=γ1H1'Ka1-2c1Ka10.5=20×0×0.528-2×12×0.5280.5=-17.439kN/m2Pak1下=γ1(h1+H1')Ka1-2c1Ka10.5=20×(1.2+0)×0.528-2×12×0.5280.5=-4.767kN/m2第2层土:1.2-2m(+0)H2'=[∑γ1h1]/γsati=[24]/20=1.2mPak2上=[γsat2H2'-γw(∑h1-ha)]Ka2-2c2Ka20.5+γw(∑h1-ha)=[20×1.2-10×(1.2-1.2)]×0.528-2×12×0.5280.5+10×(1.2-1.2)=-4.767kN/m2Pak2下=[γsat2(H2'+h2)-γw(∑h1-ha)]Ka2-2c2Ka20.5+γw(∑h1-ha)=[20×(1.2+0.8)-10×(2-1.2)]×0.528-2×12×0.5280.5+10×(2-1.2)=7.457kN/m2第3层土:2-4m(+0)H3'=[∑γ2h2]/γsati=[40]/19=2.105mPak3上=[γsat3H3'-γw(∑h2-ha)]Ka3-2c3Ka30.5+γw(∑h2-ha)=[19×2.105-10×(2-1.2)]×0.656-2×10×0.6560.5+10×(2-1.2)=12.79kN/m2Pak3下=[γsat3(H3'+h3)-γw(∑h2-ha)]Ka3-2c3Ka30.5+γw(∑h2-ha)=[19×(2.105+2)-10×(4-1.2)]×0.656-2×10×0.6560.5+10×(4-1.2)=44.598kN/m2第4层土:4-5m(+0)H4'=[∑γ3h3]/γsati=[78]/22=3.545mPak4上=[γsat4H4'-γw(∑h3-ha)]Ka4-2c4Ka40.5+γw(∑h3-ha)=[22×3.545-10×(4-1.2)]×0.49-2×18×0.490.5+10×(4-1.2)=27.295kN/m2Pak4下=[γsat4(H4'+h4)-γw(∑h3-ha)]Ka4-2c4Ka40.5+γw(∑h3-ha)=[22×(3.545+1)-10×(5-1.2)]×0.49-2×18×0.490.5+10×(5-1.2)=43.175kN/m21)水平荷载临界深度:Z0=Pak2下h2/(Pak2上+Pak2下)=7.457×0.8/(4.767+7.457)=0.488m;第1层土Eak1=0kN;第2层土Eak2=0.5Pak2下Z0ba=0.5×7.457×0.488×1=1.82kN;aa2=Z0/3+∑h3=0.488/3+3=3.163m;第3层土Eak3=h3(Pa3上+Pa3下)ba/2=2×(12.79+44.598)×1/2=57.388kN;aa3=h3(2Pa3上+Pa3下)/(3Pa3上+3Pa3下)+∑h4=2×(2×12.79+44.598)/(3×12.79+3×44.598)+1=1.815m;第4层土Eak4=h4(Pa4上+Pa4下)ba/2=1×(27.295+43.175)×1/2=35.235kN;aa4=h4(2Pa4上+Pa4下)/(3Pa4上+3Pa4下)=1×(2×27.295+43.175)/(3×27.295+3×43.175)=0.462m;土压力合力:Eak=ΣEaki=0+1.82+57.388+35.235=94.443kN;合力作用点:aa=Σ(aaiEaki)/Eak=(0×0+3.163×1.82+1.815×57.388+0.462×35.235)/94.443=1.336m;1、单根土钉的轴向拉力标准值Nk,j:Nk,j=ζηjPak,jSxjSzj/cosαj其中ζ--荷载折减系数ηj--第j层土钉轴向拉力调整系数Pak,j--第j层土钉处的主动土压力强度标准值Sxj、Szj--土钉之间的水平与垂直距离αj-...

1、当您付费下载文档后,您只拥有了使用权限,并不意味着购买了版权,文档只能用于自身使用,不得用于其他商业用途(如 [转卖]进行直接盈利或[编辑后售卖]进行间接盈利)。
2、本站所有内容均由合作方或网友上传,本站不对文档的完整性、权威性及其观点立场正确性做任何保证或承诺!文档内容仅供研究参考,付费前请自行鉴别。
3、如文档内容存在违规,或者侵犯商业秘密、侵犯著作权等,请点击“违规举报”。

碎片内容

土钉墙支护计算计算书

文章天下+ 关注
实名认证
内容提供者

各种文档应有尽有

相关文档

确认删除?
VIP
微信客服
  • 扫码咨询
会员Q群
  • 会员专属群点击这里加入QQ群
客服邮箱
回到顶部