电脑桌面
添加小米粒文库到电脑桌面
安装后可以在桌面快捷访问

预算员考试试题VIP专享VIP免费

预算员考试试题_第1页
1/7
预算员考试试题_第2页
2/7
预算员考试试题_第3页
3/7
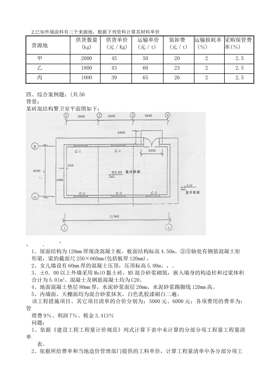
四川省建设企事业单位岗位培训统考《预算员专业知识与实务》试题(考试时间:150分钟)一、单选题:(将正确答案填入下列表格中,每题1分,共20分)注:未将正确答案填入下表者不得分。l、施工图预算确定(D)A,施工造价B.结算造价C.估算造价D,预算造价2、设计概算一般由(C)编制A.施工单位B.承包单位C。设计单位D.建设单位3、失业保险费属于(B)。A.措施费B.规费C.间接费D.直接费4、税金就是指(A)。A.营业税+城市建设维护税+教育费附加B.敦育费附加C.城市建设维护税D.营业税5、单位工程包含(C)。A.建设项目B.单项工程C.分部工程D.工程项目6、预算定额是确定(D)所消耗的工、料、机消耗量。A.工程量B:一个单位的工地量C.分部工程量D.单位工程量7、施工定额的水平应该是。(D)A.平均水平B.先进水平c.一般水平D.平均先进水平8、月平均工作天数是()天。A.22B.20.92C.23D.259、工程量清单中应表达(A)。。A.项目特征B.人工单价c.材料单价D.机械台班单价lO、预应力空心板的计量单位是(B)。A.m2B.m3C.kgD、吨11、人工平整场地是指建筑场地挖、填土方厚度在(B)的找平。A.30cm以上B.30cm以内C.20cm以上D.20cm以内12、抗震构件箍筋弯钩的平直部分长不小于箍筋直径的(D)。A.10倍B.15倍C.5倍D.20倍13、脚手架费属于(C)A.直接费B.间接费C.措施费D.规费14、教育费附加的计算基础是(C)。A.直接费B、间接费C.营业税D.直接费+间接费15、实木装饰门按(B)计算工程量A.m2B,樘C.个D.扇16、线槽内配线以(C)来计算工程量。.A.单线延长米B.延长米C.双线延长米D.多线延长米17、配电箱的进出线预留长度为(B)。。.A.箱高B.箱高+箱宽C.箱宽D.箱长18、清单计价规范中洗脸盆以()为计量单位eA.个B.套c.件p组19、工程量清单的内容包括(C)。A.直接费B.间接费c.材料费p.预留金联单20、清单报价中的材料单价由(B)确定。A.业主B.投标人c.材料供应商D.分包商二、多选题(30分)未将正确答案填入下表者不得分。1、投资估算一般由(CD)编制。A.承包商B.主管部门C.资询单位D.业主2、工程费用包括(BCD)。A.间接费B.利润C.材料费D.税金3、建筑工程预算定额是确定一定计量单位的分项工程的(ACD)耗用量的数量标准。A.人工B.间接费C.材料D.机械台班4、砌筑砂浆的换算特点是()。a.人工费不变B.材料费不变c.机械费不变D.水泥量不变5、下列提法正确的是()。a.工资等级系数是指某一等级的工资标准与一级工工资标准的比值B.工资标准就是工资等级C.Kn=(1.187)n-1D.K4.8=(1.187)3.8-16、采购及保管费包括(CD)。A.采购人员工资B.采购业务费c.仓库保管费D.采购差旅费7、单层建筑物应按其外墙勒脚以上结构外围水平面计算面积,并应符合下列规定(BCD)。A.高度2.20mB.高度2.20m以上C.高度不足2.20m应计算l/2面积D.利用坡屋顶内空间时净高超过2.10m部位8、工程量计算的特点是()。A.项目多‘B.数据量大C..费时间D.必须连续计算9、2000年颁布的《全国统一安装工程预算定额》有(ABC)分册。A.机械设备安装工程b.电气设各安装工程c.给排水、采暖、燃气工程d.刷油、防腐蚀、绝热工程lO、安装工程预算定额的编制原则有()。A.以专业人员为主B.社会平均水平C.简明适用D.统一性与差别性相结合11.工程量清单是表达拟建工程的()名称和相应数景的明细清单。A.规费b.分部分项工程项目C.措施项目D.其他项目12、工程量清单的编制依据是(ABCD)。A.建设工程工程量清单计价规范B.工程招标文件C.施工图D.市场价格13、石材楼地面工程量(ACD)。A.按设计图示尺寸以面积计算B.按实铺面积计算c.不扣除O.3m2以内空漏所占面积D.应扣除凸出地面设备基础所占面积14、工程量清单计价与定额计价主要区分是()。A.依据不同B.单位不同C.计价方法不同D.本质特征不同15、编制人工单价的方法有()A.根据劳务市场行情确定B.根据历史资料确定。C.根据能否保本确定D.根据预算定额的人工单价确定三、计算题:(每题10分共20分)1.巳知抹灰小组综合平均月工资标准为315元/月,月工资性补贴为280元/月,月保险费120元/月,求人工单价。2.巳知外墙涂料有三个来源地,根据下列资料计算...

1、当您付费下载文档后,您只拥有了使用权限,并不意味着购买了版权,文档只能用于自身使用,不得用于其他商业用途(如 [转卖]进行直接盈利或[编辑后售卖]进行间接盈利)。
2、本站所有内容均由合作方或网友上传,本站不对文档的完整性、权威性及其观点立场正确性做任何保证或承诺!文档内容仅供研究参考,付费前请自行鉴别。
3、如文档内容存在违规,或者侵犯商业秘密、侵犯著作权等,请点击“违规举报”。

碎片内容

预算员考试试题

确认删除?
VIP
微信客服
  • 扫码咨询
会员Q群
  • 会员专属群点击这里加入QQ群
客服邮箱
回到顶部