电脑桌面
添加小米粒文库到电脑桌面
安装后可以在桌面快捷访问

土建工程资料表格(讨论版)VIP免费

土建工程资料表格(讨论版)_第1页
1/12
土建工程资料表格(讨论版)_第2页
2/12
土建工程资料表格(讨论版)_第3页
3/12
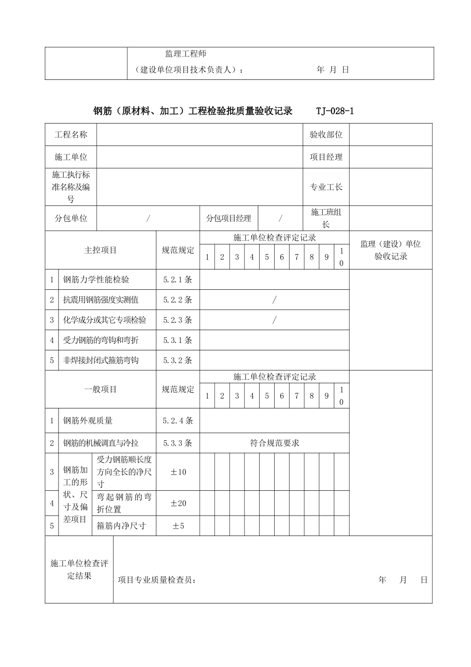
高处作业设备报验申请表工程名称:克拉玛依市中心城北斗、新月、银河小区天燃气入户工程编号:致:新疆石油工程建设监理有限责任公司(监理单位)我单位已完成了银河小区天燃气入户工程高处作业设备汇编工作,现报上该工程报验申请表,请予以审查和验收。附件:1、设备清单2、合格证、检验报告复印件承建单位(章)项目经理日期审查意见:项目监理机构总/专业监理工程师日期钢筋(连接、安装)工程检验批质量验收记录TJ-028-2工程名称验收部位施工单位项目经理施工执行标准名称及编号专业工长分包单位/分包项目经理/施工班组长主控项目规范规定施工单位检查评定记录监理(建设)单位验收记录123456789101纵向受力钢筋的连接方式5.4.1条符合设计要求2机械连接接头、焊接接头力学性能检验5.4.2条/3受力钢筋的品种、级别、规格和数量5.5.1条符合设计及规范要求一般项目规范规定施工单位检查评定记录监理(建设)单位验收记录123456789101接头位置和数量5.4.3条2机械连接、焊接接头的外观质量5.4.4条3机械连接、焊接接头的面积百分率5.4.5条4绑扎搭接接头面积百分率和搭接长度5.4.6条5搭接长度范围内的箍筋5.4.7条6钢筋安装位置的偏差项目绑扎钢筋长、宽±10网眼尺寸±20绑扎钢筋骨架长±10宽、高±5受力钢筋间距±10排距±5保护层厚度基础±10柱、梁±5板、墙、壳±3绑扎钢筋、横向钢筋间距±20钢筋弯起点位置20/预埋件中心线位置5/水平高差+3,0/施工单位检查评定结果项目专业质量检查员:年月日监理(建设)单位验收结论监理工程师(建设单位项目技术负责人):年月日钢筋(原材料、加工)工程检验批质量验收记录TJ-028-1工程名称验收部位施工单位项目经理施工执行标准名称及编号专业工长分包单位/分包项目经理/施工班组长主控项目规范规定施工单位检查评定记录监理(建设)单位验收记录123456789101钢筋力学性能检验5.2.1条2抗震用钢筋强度实测值5.2.2条/3化学成分或其它专项检验5.2.3条/4受力钢筋的弯钩和弯折5.3.1条5非焊接封闭式箍筋弯钩5.3.2条一般项目规范规定施工单位检查评定记录123456789101钢筋外观质量5.2.4条2钢筋的机械调直与冷拉5.3.3条符合规范要求3钢筋加工的形状、尺寸及偏差项目受力钢筋顺长度方向全长的净尺寸±104弯起钢筋的弯折位置±205箍筋内净尺寸±5施工单位检查评定结果项目专业质量检查员:年月日监理(建设)单位验收结论监理工程师(建设单位项目技术负责人):年月日混凝土原材料及配合比设计检验批质量验收记录TJ-030-1工程名称验收部位施工单位项目经理施工执行标准名称及编号专业工长分包单位/分包项目经理/施工班组长主控项目规范规定施工单位检查评定记录监理(建设)单位验收记录123456789101水泥进场检验第7.2.1条2外加剂质量及应用第7.2.2条3混凝土中氯化物、碱的总含量控制第7.2.3条/4配合比设计第7.3.1条详配合比JL-SG-02319一般项目规范规定施工单位检查评定记录123456789101矿物掺和料的质量及掺量第7.2.4条2粗细骨料的质量第7.2.5条3拌制混凝土的水质第7.2.6条4开盘鉴定第7.3.2条5砂、石含水率的调整配合比第7.3.3条施工单位检查评定结果项目专业质量检查员:年月日监理(建设)单位验收结论监理工程师(建设单位项目技术负责人):年月日混凝土施工工程检验批质量验收记录TJ-030-2工程名称验收部位施工单位项目经理施工执行标准名称及编号专业工长分包单位/分包项目经理/施工班组长主控项目规范规定施工单位检查评定记录监理(建设)单位验收记录123456789101结构混凝土的强度等级、取样、留置第7.4.1条2抗渗混凝土试件取样、留置第7.4.2条3水泥、掺合料±2%4粗、细骨料±3%5水、外加剂±2%6初凝时间、施工缝的处理第7.4.4条符合规范要求一般项目规范规定施工单位检查评定记录123456789101施工缝的位置第7.4.5条2后浇带的留置位置第7.4.6条3混凝土的养护措施第7.4.7条施工单位检查评定结果项目专业质量检查员:年月日监理(建设)单位验收结论监理工程师(建设单位项目技术负责人):年月日现浇结构尺寸偏差检验批质量验收记录TJ-031工程名称验收部位施工单位项目经理施工执行标准名称及编号专业工长分包单位/分包项目经理/施工班组长施工质...

1、当您付费下载文档后,您只拥有了使用权限,并不意味着购买了版权,文档只能用于自身使用,不得用于其他商业用途(如 [转卖]进行直接盈利或[编辑后售卖]进行间接盈利)。
2、本站所有内容均由合作方或网友上传,本站不对文档的完整性、权威性及其观点立场正确性做任何保证或承诺!文档内容仅供研究参考,付费前请自行鉴别。
3、如文档内容存在违规,或者侵犯商业秘密、侵犯著作权等,请点击“违规举报”。

碎片内容

土建工程资料表格(讨论版)

确认删除?
VIP
微信客服
  • 扫码咨询
会员Q群
  • 会员专属群点击这里加入QQ群
客服邮箱
回到顶部