电脑桌面
添加小米粒文库到电脑桌面
安装后可以在桌面快捷访问

土建锅炉房资料模板VIP免费

土建锅炉房资料模板_第1页
1/26
土建锅炉房资料模板_第2页
2/26
土建锅炉房资料模板_第3页
3/26
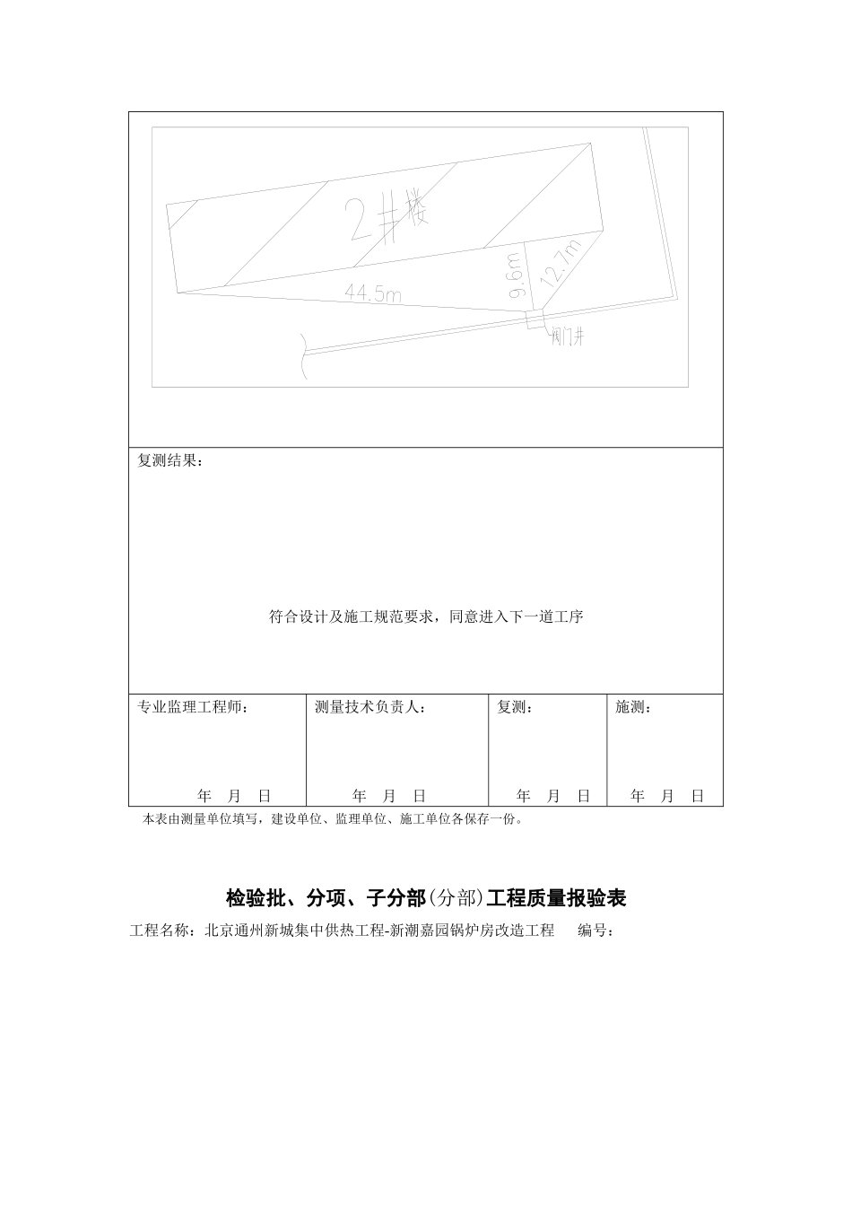
工程定位测量报验申请表工程名称:北京通州新城集中供热工程-新潮嘉园锅炉房改造工程编号:致:达华工程管理集团有限公司(监理机构)我单位已完成锅炉基础及泵基础定位测量工作,现报上该工程报验申请表,请予以审查和验收。附件:1、工程定位测量记录1份项目技术负责人(项目经理):年月日监理机构意见:专业(总)监理工程师:年月日本表由施工单位填写,监理单位保存。工程定位测量记录工程名称:北京通州新城集中供热工程-新潮嘉园锅炉房改造工程编号:测量单位委托单位北京市设备安装集团有限公司图纸编号施测日期2016.10.14平面坐标依据复测日期2016.10.15高程依据北京通州新城集中供热工程-新潮嘉园锅炉房改造工程使用仪器全站仪、水准仪允许误差±0.02m仪器校验日期2016.09.15定位抄测示意图:复测结果:符合设计及施工规范要求,同意进入下一道工序专业监理工程师:年月日测量技术负责人:年月日复测:年月日施测:年月日本表由测量单位填写,建设单位、监理单位、施工单位各保存一份。检验批、分项、子分部(分部)工程质量报验表工程名称:北京通州新城集中供热工程-新潮嘉园锅炉房改造工程编号:致:达华工程管理集团有限公司(监理机构)我单位已完成了锅炉房基础土方开挖工程,按设计文件及有关规范进行了自检评定,质量合格,请予以审查和验收。附件:1.土方开挖工程检验批质量验收记录项目技术负责人(项目经理):年月日项目监理机构意见:专业(总)监理工程师:年月日本表由施工单位填报,经项目监理机构审查签认后,建设单位、监理单位、施工单位各存一份。土方开挖工程检验批质量验收记录编号:工程名称北京通州新城集中供热工程-新潮嘉园锅炉房改造工程分项工程名称土方开挖验收部位SJ1、SJ2、SJ3、SJ6、SJ7、SJ8、SJ9施工单位北京市设备安装工程集团有限公司专业工长(施工员)管荣利项目经理邵毓靖分包单位分包项目经理施工班组长施工执行标准名称及编号《建筑地基基础工程施工质量验收规范》GB50202-2002质量验收规范的规定施工单位自检记录监理(建设)单位验收记录检查项目质量要求(mm)基坑挖方场地平整管沟地面基层人工机械主控项目1标高-50±30±50-50-5089565948952长度、宽度+200-50+300-100+500-150+100-5098795646863边坡设计要求符合设计要求一般项目1表面平整度202050202098762351452基底土性设计要求符合设计要求质量检查记录(质量证明文件)完整施工单位检查评定结果合格项目专业质检员:年月日监理(建设)单位验收结论专业监理工程师:(建设单位(项目)负责人)年月日基槽验线记录工程名称:北京通州新城集中供热工程-新潮嘉园锅炉房改造工程编号:施工单位北京设备安装工程集团有限公司验线日期验线依据及内容:验线依据:定位控制桩北京通州新城集中供热工程-新潮嘉园锅炉房改造工程施工图纸验线内容:挖至m和m处,土质性质与勘探报告相符;轴线,标高,截面尺寸基槽平面、剖面简图:检查意见:符合施工规范及设计要求专业监理工程师:年月日项目技术负责人:年月日质检员:年月日施测:年月日本表由施工单位填写保存。地基验槽记录工程名称:北京通州新城集中供热工程-新潮嘉园锅炉房改造工程编号:施工单位北京市设备安装工程集团有限公司设计单位监理单位达华工程管理集团有限公司勘察单位验槽部位锅炉房基础验槽日期验槽依据:施工图纸编号:及规程、规范。设计变更编号:验槽内容:1.持力层与设计(勘察报告)相符性;2.基底标高;3.土质情况;4.桩位置,桩类型,数量;5.承载力情况或土的密实度情况。(附施工记录、土的密实度测量记录、桩检测报告)检查意见:经检查,基底土质情况,与地质勘查报告相符,基槽平面位置、边坡、开挖尺寸、基槽底部标高均符合设计及施工规范要求同意进行下道工序施工施工项目技术负责人:年月日建设(项目)负责人:年月日专业监理工程师:年月日设计(项目)负责人:年月日勘察(项目)负责人:年月日由施工单位填写,建设单位、监理单位、施工单位、设计单位各保存一份。检验批、分项、子分部(分部)工程质量报验表工程名称:北京通州新城集中供热工程-新潮嘉园锅炉房改造工程编号:致:达华工程管理集团有限公司(监理机构...

1、当您付费下载文档后,您只拥有了使用权限,并不意味着购买了版权,文档只能用于自身使用,不得用于其他商业用途(如 [转卖]进行直接盈利或[编辑后售卖]进行间接盈利)。
2、本站所有内容均由合作方或网友上传,本站不对文档的完整性、权威性及其观点立场正确性做任何保证或承诺!文档内容仅供研究参考,付费前请自行鉴别。
3、如文档内容存在违规,或者侵犯商业秘密、侵犯著作权等,请点击“违规举报”。

碎片内容

土建锅炉房资料模板

您可能关注的文档

确认删除?
VIP
微信客服
  • 扫码咨询
会员Q群
  • 会员专属群点击这里加入QQ群
客服邮箱
回到顶部