电脑桌面
添加小米粒文库到电脑桌面
安装后可以在桌面快捷访问

设备检修三方联络挂牌管理标准VIP免费

设备检修三方联络挂牌管理标准_第1页
1/4
设备检修三方联络挂牌管理标准_第2页
2/4
设备检修三方联络挂牌管理标准_第3页
3/4
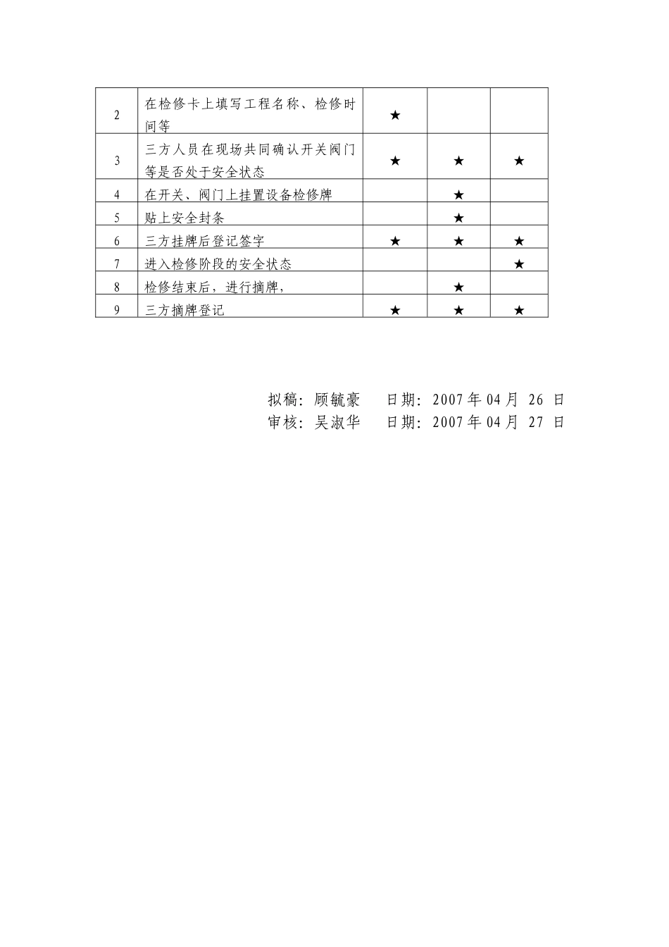
宝钢分公司专业管理标准标准编号:SAS-18-00-008第1版签发:朱宏设备检修三方联络挂牌管理标准1人员规定1.1设备点检员应是掌握设备情况,具有相关工作经验,具有点检上岗证经设备所在单位聘用在点检岗位的人员。1.2生产运行操作人员(含生产协力人员、运行保障人员),具有一定实际工作经验,熟悉设备情况并取得上岗操作证的生产人员,设备运行(或操作)人员。1.3设备检修人员应是具有相关检修工作经验,熟悉设备情况,掌握工种技能的检修人员。2人员工作内容2.1设备点检人员:2.1.1确认工作必要性和安全性。2.1.2负责确定检修牌挂置数量和挂置位置。2.1.3负责确认开关、阀门等的安全状态。2.1.4负责确认被检修设备有无突然受能的危险,并提出相应的安全措施内容。2.1.5负责对检修人员进行书面安全交底。2.1.6代替生产运行操作人员时,必须承担生产运行操作人员的职责。2.2设备检修人员2.2.1制定设备检修方案或工时工序表。2.2.2了解和消化检修项目,根据安全交底内容和现场检修设备做好危险源辨识工作,并制定检修作业中的安全对策措施。2.2.3负责对检修前的设备状态和所做的安全措施进行确认。2.2.4负责检修过程中安全措施的落实、监护及自查。2.2.5负责设备检修过程中的设备与人身安全。2.2.6必须具有相应的安全技能,特种作业人员必须持证作业。2.3生产运行操作人员:2.3.1负责做好设备停电、验电、挂接地线、关闭或打开阀门、卸压、置换等安全工作。2.3.2按点检要求执行防止承修设备突然受能的安全措施,根据现场条件检查点检布置的安全措施是否正确完备,有疑问时必须向点检询问清楚,必要时应要求补充。2.3.3负责检修牌挂摘牌及粘贴封条。2.3.4如按规定需生产运行操作人员共同进行监护的必须做好监护工作。2.3.5生产运行操作人员与点检为同一人时,还必须承担点检人员的职责。3检修牌及检修卡样式3.1检修牌样式见附件。3.2检修牌中的检修卡至少应填写工程项目名称、委托单编号、检修时间、检修班组、挂牌位置。设备检修卡一式两联,检修联放在检修牌中,回执联做为作业许可的凭证。4安全胶带样式如下:20检修中勿动开关+检修中勿动开关+检修中勿动开关+5安全联络挂牌过程人员职责,★符号为责任者。序号工作内容点检操作检修1确定检修牌牌位置、数量★2在检修卡上填写工程名称、检修时间等★3三方人员在现场共同确认开关阀门等是否处于安全状态★★★4在开关、阀门上挂置设备检修牌★5贴上安全封条★6三方挂牌后登记签字★★★7进入检修阶段的安全状态★8检修结束后,进行摘牌,★9三方摘牌登记★★★拟稿:顾毓豪日期:2007年04月26日审核:吴淑华日期:2007年04月27日附件:检修牌样式宝钢设备检修牌设备正在检修22黑体加粗90958024隶书加粗145手勿触动开关32新魏加粗安全检修牌检修作业中,禁止操作标准项目编号:XXXXXXXXXXXXX委托单(工程项目)号:XXXX-XXXXXX工程项目名称:XXXXXXXXXXXXXXXXXXXXXXXXXXXXXXX安全挂牌数:第X块/共X块挂牌位置:电气室.操作室.近控台.现场挂牌设备:XXXX开关挂牌性质:停电本回执交点检后,准予摘牌点检:XXX检修:XXX操作:XXX作业时间:XX月XX日-XX月XX日

1、当您付费下载文档后,您只拥有了使用权限,并不意味着购买了版权,文档只能用于自身使用,不得用于其他商业用途(如 [转卖]进行直接盈利或[编辑后售卖]进行间接盈利)。
2、本站所有内容均由合作方或网友上传,本站不对文档的完整性、权威性及其观点立场正确性做任何保证或承诺!文档内容仅供研究参考,付费前请自行鉴别。
3、如文档内容存在违规,或者侵犯商业秘密、侵犯著作权等,请点击“违规举报”。

碎片内容

设备检修三方联络挂牌管理标准

您可能关注的文档

确认删除?
VIP
微信客服
  • 扫码咨询
会员Q群
  • 会员专属群点击这里加入QQ群
客服邮箱
回到顶部