电脑桌面
添加小米粒文库到电脑桌面
安装后可以在桌面快捷访问

电务登销记样式VIP免费

电务登销记样式_第1页
1/9
电务登销记样式_第2页
2/9
电务登销记样式_第3页
3/9
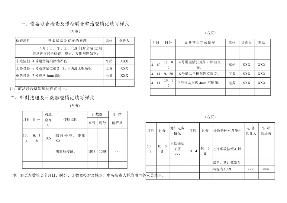
一、设备联合检查及道岔联合整治登销记填写样式(左页)检查项目设备状态及存在的问题单位负责人4月8日,车、工、电部门对全站12组道岔进行联合检查、整治,发现问题如下:车站清扫4号道岔清扫涂油不良车站XXX工务设备6号道岔定位第2、3、4块滑床板吊板工务XXX电务设备7号道岔4mm锁闭电务XXX注:道岔联合整治填写样式同上。二、带封按钮及计数器登销记填写样式(左页)月日时分调度使用原因计数器车站命令号原号现号值班员10.49.58365临时停电,使用XX侧事故按钮。10581059×××(右页)月日时分设备整治完成情况单位负责人车站4.1011.004号道岔清扫完毕,涂油良好。车站XXXXXX4.119.306号道岔吊板问题克服完。工务XXXXXX4.1110.107号道岔实现4mm不锁闭。电务XXXXXX(右页)月日时分通知电务情况月日时分计数器校对及施封电务负责人车站值班员10.410.05电话通知工区×××10.410.08上行事故按钮加封完毕,其计数器号码现为1059。××××××注:右页左数第2个月日、时分、计数器校对及施封、电务负责人栏均由电务人员填写。三、使用手摇把、电锁器钥匙登销记填写样式(左页)月日时分使用原因及数量手摇把编号车站值班员电务负责人11.2614.20因临时停电办理接发列车,01、02使用道岔手摇把2把。××××××注:右页左数第2个月日、时分、手摇把收回核对及施封、电务负责人栏均由电务人员填写。四、设备故障(车站发现)登销记填写样式(左页)月日时分故障处所及现状车站值班员月日时分通知工电情况10.2719.21准备T272次列车进路时,2XXX10.2719.23口头通知工务工区XXX号道岔故障,定位状态操纵电话通知信号工区XXX台无表示。12.109.2l下行三离去红光带,5893信XXX12.109.23口头通知工务工区XXX号机显示红灯。电话通知信号工区XXX(右页)月日时分通知电务情况月日时分手摇把收回核对及施封电务负责人车站值班员11.2616.2001、0l号手摇把交回,放入箱内,箱内物品齐全,经车、电双方共同确认加封、加锁良好。××××××(右页)月日时分故障原因及处理结果工电负责人车站值班员10.2719.302号道岔故障修复,试验良好交付车站正常使用。故障原因是2号定位表示接点故障。电务XXXXXX12.1010.05故障原因为…工务XXXXXX五、设备检修登销记填写样式1.信号设备故障登销记(左页)月日时分检修内容及影响范围单位负责人调度命令号批准时间车站值班员10.2719.232号道岔信号设备故障停止使用,当办理与2号道岔相关联的接发列车及调车作业时,请车务按非正常作业办理。电务XXXXXX11.1519.232DG轨道电路设备故障,2DG轨道电路停止使用,当办理与2DG轨道区段相关联的列车及调车作业时,请车务按非正常作业办理。电务XXXXXX11.2913.103094通过信号机故障,停止使用。请车务按非正常办理。电务XXXXXX12.109.30下行三离去(5893G)红光带,5893信号机显示红灯,原因待查,请车务按规定办理。电务XXXXXX12.2013.159DG与1G间钢轨绝缘不良,须进行更换。更换时停止经过该处的电务XXX13.25—XXX接、发列车及调车作业,需要10分钟13.35(右页)月日时分检修后的恢复状态信号负责人调度命令号车站值班员10.2719.282号道岔信号设备故障修复,试验良好,交付车站正常使用。原因是2号道岔转辙定位表示接点故障。XXXXXX11.1519.282DG轨道电路故障自然恢复,试验良好,交付车站正常使用。原因待查。XXXXXX11.2913.403094通过信号设备故障修复,试验良好,交付车站正常使用。原因为3094灯丝继电器故障。XXXXXX12.1010.05设备恢复正常,交付车站使用。故障原因为K590.235KM断轨,工务已处理完毕。XXXXXX12.2013.35更换绝缘作业结束,测试良好,交付车站正常使用。XXXXXX月日时分检修内容及影响范围单位负责人调度命令号批准时间车站值班员12.2513.104DG轨道电路设备故障,4DG轨道电路停止使用,当办理与该区段相关联的列车及调车作业时,请车务按非正常办理。电务XXXXXX12.2813.15下行进站X信号机故障停止使用。办理下行接车作业时,请车务按非正常办理。电务XXXXXX月日时分检修后的恢复状态信号负责人调度命令号车站值班员12.2513.254DG轨道电路设备故...

1、当您付费下载文档后,您只拥有了使用权限,并不意味着购买了版权,文档只能用于自身使用,不得用于其他商业用途(如 [转卖]进行直接盈利或[编辑后售卖]进行间接盈利)。
2、本站所有内容均由合作方或网友上传,本站不对文档的完整性、权威性及其观点立场正确性做任何保证或承诺!文档内容仅供研究参考,付费前请自行鉴别。
3、如文档内容存在违规,或者侵犯商业秘密、侵犯著作权等,请点击“违规举报”。

碎片内容

电务登销记样式

您可能关注的文档

确认删除?
VIP
微信客服
  • 扫码咨询
会员Q群
  • 会员专属群点击这里加入QQ群
客服邮箱
回到顶部