电脑桌面
添加小米粒文库到电脑桌面
安装后可以在桌面快捷访问

楼层钢梁制作安装方案VIP免费

楼层钢梁制作安装方案_第1页
1/18
楼层钢梁制作安装方案_第2页
2/18
楼层钢梁制作安装方案_第3页
3/18
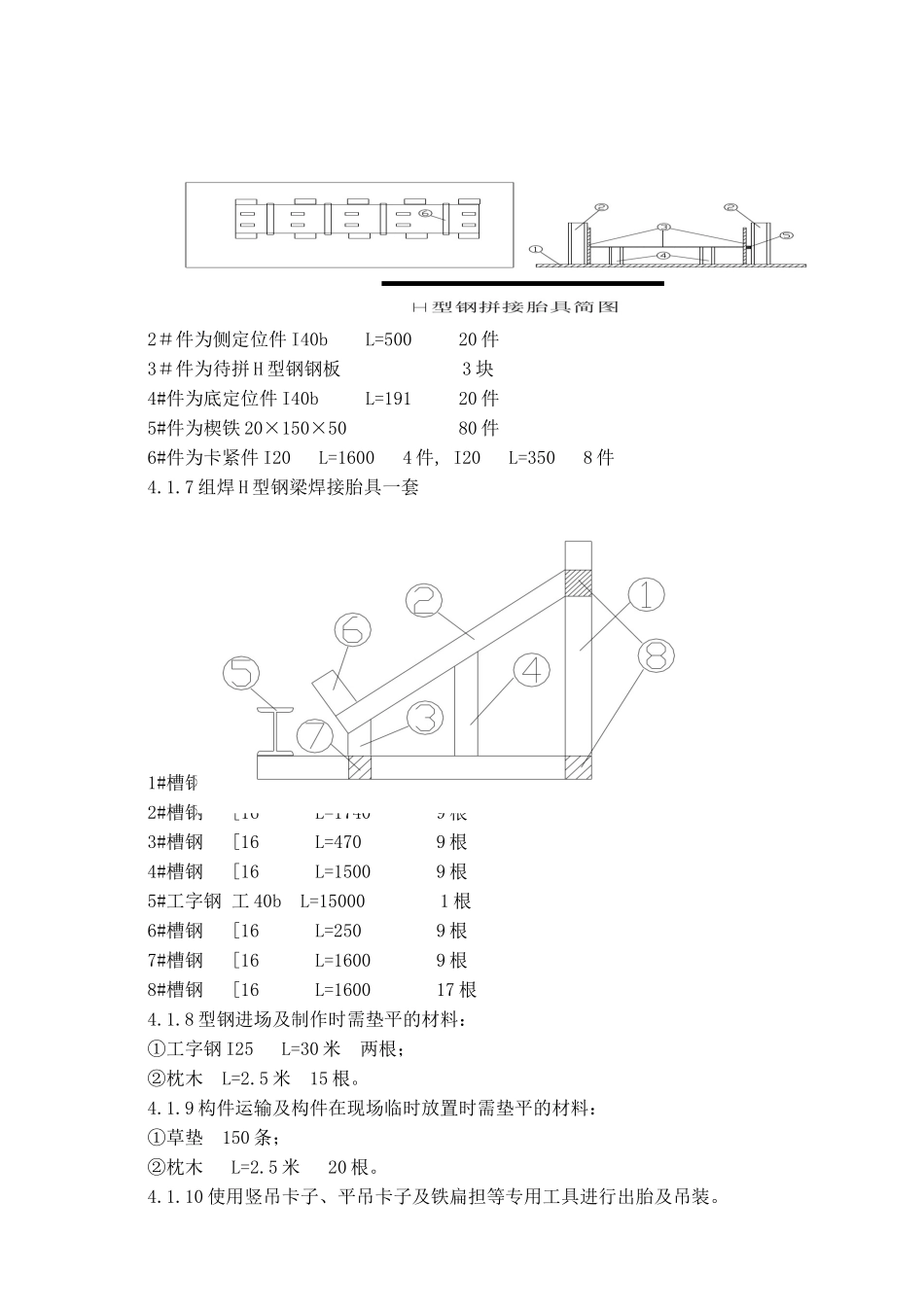
1、编制依据1.1主厂房框架运转层及以下楼板及纵梁结构施工图、图纸会审纪要、设计变更。1.2主厂房框架运转层以上楼板及纵梁结构施工图、图纸会审纪要、设计变更。1.3《电力建设施工质量验收及评定规程》第1部分:土建工程(DL/T5210.1-2005)。1.4《钢结构工程施工质量验收规范》(GB50205-2001)。1.5《建筑钢结构焊接技术规程》(JGJ81-2002)。1.6《钢结构设计规范》(GB50017-2003)。1.7《钢结构制作安装工艺手册》(中国计划出版社2006年05月第一版)。1.8《钢结构节点设计手册》。2、工程概况2.1华能沁北电厂三期扩建(2×1000MW)机组工程,#6主厂房上部结构除氧煤仓间楼层钢梁位于主厂房B~D列,11a~25轴线间。主要由H型钢、工字钢及其连接件组成,H型钢梁分别位于3.95m、7.95m等标高层上。分别由HM340*250*9*14、HM390*300*10*16、HM488*300*11*18、HM588*300*12*20、HN700*300*13*24、HN800*300*14*26、HN900*300*16*28、HN1000*300*19*36、I32b等型号组成。钢梁上翼缘设置圆柱头栓钉抗剪连接件与之固定,钢梁上采用1.0mm厚YX28-100-800(1)型压型钢板作底模的现浇钢筋砼楼板。钢梁插入砼横梁内,钢梁与钢梁连接采用角钢连接件焊接连接。2.2除氧煤仓间楼层钢梁制作安装具有工作量大、工期紧、现场交叉施工等特点,这给施工增加了难度。要求参加施工的工程人员要高度重视,提前作好工艺流程、设备选型、焊接技术措施等多项准备工作。本着“确保国家电力优质工程,争创国家优质工程金奖,建国家一流电厂”的质量目标,科学组织、精心施工,高质量、高标准、按期完成任务。2.3本工程设计使用年限50年,安全等级为二级;结构抗震设防烈度为7度,框架结构抗震等级为一级,环境作用等级为I-A。3、施工内容《主厂房框架运转层及以下楼板及纵梁结构》、《主厂房框架运转层以上楼板及纵梁结构》施工图(检索号为60-F1833S-T030702~05)中所包括的钢结构制作、安装内容。4、施工准备4.1技术准备4.1.1施工前图纸已进行过图纸会审。4.1.2施工前对施工班组进行安全技术交底。4.1.3现场施工人员必须认真审核图纸,熟悉会审纪要,明白设计意图。做好各级技术交底,明确施工工艺和质量要求,掌握工程的特殊性。4.1.4根据施工总平面合理规划使用场地,确保现场施工文明有序。4.1.5需搭设一个钢平台,尺寸如下:35m×7m用于钢梁的放样、组拼、焊接。4.1.6平台上设置有一个装配胎。1#件为拼装平台1个2#件为侧定位件I40bL=50020件3#件为待拼H型钢钢板3块4#件为底定位件I40bL=19120件5#件为楔铁20×150×5080件6#件为卡紧件I20L=16004件,I20L=3508件4.1.7组焊H型钢梁焊接胎具一套型钢梁焊接胎具截面图1#槽钢[16L=24009根2#槽钢[16L=17409根3#槽钢[16L=4709根4#槽钢[16L=15009根5#工字钢工40bL=150001根6#槽钢[16L=2509根7#槽钢[16L=16009根8#槽钢[16L=160017根4.1.8型钢进场及制作时需垫平的材料:①工字钢I25L=30米两根;②枕木L=2.5米15根。4.1.9构件运输及构件在现场临时放置时需垫平的材料:①草垫150条;②枕木L=2.5米20根。4.1.10使用竖吊卡子、平吊卡子及铁扁担等专用工具进行出胎及吊装。4.2原材料准备4.2.1参照图纸,根据工程预算做好备料计划。按计划组织材料进场,合理堆放和储存。供应部门应按所定尺寸组织进料,否则,将增加接头材料的用量。4.2.2该工程材料钢材:各层楼面钢梁及钢板采用Q235。钢材要有出厂合格证、产品质量证明书及复验报告。进场后材料应及时进行复验,合格后才可使用。4.2.3电焊条采用E43型(用于Q235B与Q235B钢、Q235B和Q345B钢连接);焊丝采用H08A型,焊剂采用E431型,必须有出厂合格证。4.2.4涂料应符合设计要求和国家标准的规定,并有出厂合格证。4.3水电准备:提供足够的电力需要,保证16台交流电焊机、两台直流埋弧焊机、一台摇臂钻、5台角向磨光机、三台空气压缩机及其他设备的用电量。钢梁构件安装需要的电源在安装前应及时接到施工所要求的位置。应至少保证8台电焊机的用电量。根据计算,土建提供一台800KVA变压器,能满足现场的施工用电量要求。4.4机械设备准备4.4.1根据工程施工需要,配备现场所需的施工机具(见下表)。主要机具设备一览表...

1、当您付费下载文档后,您只拥有了使用权限,并不意味着购买了版权,文档只能用于自身使用,不得用于其他商业用途(如 [转卖]进行直接盈利或[编辑后售卖]进行间接盈利)。
2、本站所有内容均由合作方或网友上传,本站不对文档的完整性、权威性及其观点立场正确性做任何保证或承诺!文档内容仅供研究参考,付费前请自行鉴别。
3、如文档内容存在违规,或者侵犯商业秘密、侵犯著作权等,请点击“违规举报”。

碎片内容

楼层钢梁制作安装方案

您可能关注的文档

确认删除?
VIP
微信客服
  • 扫码咨询
会员Q群
  • 会员专属群点击这里加入QQ群
客服邮箱
回到顶部