电脑桌面
添加小米粒文库到电脑桌面
安装后可以在桌面快捷访问

土方路基内业资料表格VIP免费

土方路基内业资料表格_第1页
1/9
土方路基内业资料表格_第2页
2/9
土方路基内业资料表格_第3页
3/9
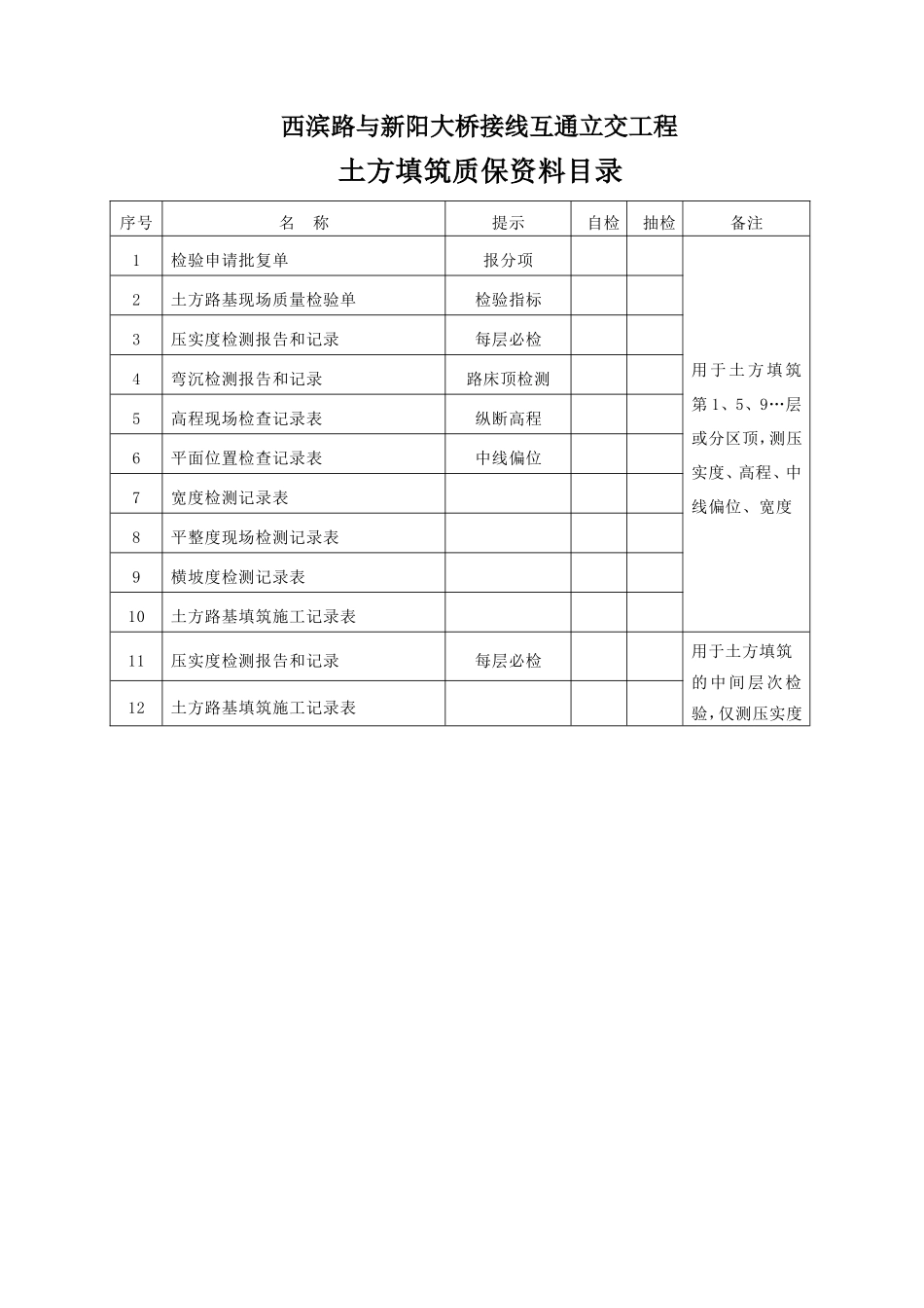
西滨路与新阳大桥接线互通立交工程土方填筑质保资料目录序号名称提示自检抽检备注1检验申请批复单报分项用于土方填筑第1、5、9…层或分区顶,测压实度、高程、中线偏位、宽度2土方路基现场质量检验单检验指标3压实度检测报告和记录每层必检4弯沉检测报告和记录路床顶检测5高程现场检查记录表纵断高程6平面位置检查记录表中线偏位7宽度检测记录表8平整度现场检测记录表9横坡度检测记录表10土方路基填筑施工记录表11压实度检测报告和记录每层必检用于土方填筑的中间层次检验,仅测压实度12土方路基填筑施工记录表西滨路与新阳大桥接线互通立交工程监表五检验申请批复单承包单位:宁波交通工程建设集团有限公司合同号:监理单位:厦门中平工程咨询监理有限公司编号:工程项目工程地点及桩号具体部位检验内容压实度、弯沉、纵断高程、中线偏位、宽度、平整度、横坡、边坡要求到现场检验时间:承包人递交日期、时间和签字:监理员收件日期、时间和签字:监理检查意见:监理员:日期:本项目可以继续进行:质量证明附件:下一道工序。1、土方路基现场质量检验单2、压实度检测报告和记录3、高程现场检查记录表4、平面位置检查记录表5、宽度检测记录表6、平整度测量记录表7、横坡度检测记录表8、土方路基填筑施工记录表专业监理工程师意见:签字:日期:承包人收到日期、签字西滨路与新阳大桥接线互通立交工程土方路基现场质量检验单承包单位:宁波交通工程建设集团有限公司合同号:监理单位:厦门中平工程咨询监理有限公司编号:工程名称施工时间桩号及部位检验时间项次检验项目规定值或允许偏差检验结果检验方法和频率1压实度(%)零填及挖方(m)0~0.30一按附录B检查密度法:每200m每压实层测4处0~0.80≥96填方(m)0~0.80≥960.80~1.50≥94>1.50≥932弯沉(0.01mm)不大于设计要求值按附录I检查3纵断高程(mm)+10,-15水准仪:每200m测4断面4中线偏位(mm)50经纬仪:每200m测4点,弯道加HY、YH两点5宽度(mm)符合设计要求米尺:每200m测4处6平整度(mm)153m直尺:每200m测2处×10尺7横坡(%)±0.3水准仪:每200m测4个断面8边坡符合设计要求尺量:每200m测4处自检意见:质检工程师:日期监理意见:监理工程师:日期:承包人技术负责人:日期:西滨路与新阳大桥接线互通立交工程高程现场检查记录表施工单位:宁波交通工程建设集团有限公司合同段:监理单位:厦门中平工程监理咨询有限公司编号:工程名称测量范围或桩号允许值(mm)桩号测量点号后视点及标高水准尺读数测量高程(m)设计高程(m)偏差值(mm)后视中视前视示意图:测量:日期:监理:日期:西滨路与新阳大桥接线互通立交工程宽度检测记录表施工单位:宁波交通工程建设集团有限公司合同段:监理单位:厦门中平工程监理咨询有限公司编号:工程名称起止桩号允许偏差mm桩号设计宽度(m)实测值(m)实测偏差(mm)左右左右左右实测点数/合格点数合格率质检员:日期:监理:日期:西滨路与新阳大桥接线互通立交工程平整度测量记录表施工单位:宁波交通工程建设集团有限公司合同段:监理单位:厦门中平工程监理咨询有限公司编号:工程名称起止桩号工具名称、规格、编号:测点桩号检验数据12345678910不合格最大间合格率及部位尺数隙(mm)%允许偏差:合格率:质检员:日期:监理:日期:西滨路与新阳大桥接线互通立交工程横坡度检测记录表承包单位:宁波交通工程建设集团有限公司合同段:监理单位:厦门中平工程监理咨询有限公司编号:序号桩号水准尺读数(㎜)高差(㎜)宽度(㎜)横坡度(%)左侧右侧实测偏差设计横坡度(%)允许偏差(%)测量:日期:监理:日期:西滨路与新阳大桥接线互通立交工程平面位置检查记录表施工单位:宁波交通工程建设集团有限公司合同段:监理单位:厦门中平工程监理咨询有限公司编号:工程名称测量范围测站点号:X:Y:Z:后视点号:X:Y:Z:仪器高(m)测量点号设计坐标实测坐标偏差(mm)相对位移(mm)放样示意图:XYXY△X△Y测量:日期:监理工程师:日期:西滨路与新阳大桥接线互通立交工程土方路基填筑施工记录表承包单位:宁波交通工程建设集团有限公司工程名称:合同段:监理单位:厦门中平工程咨询监理有限公...

1、当您付费下载文档后,您只拥有了使用权限,并不意味着购买了版权,文档只能用于自身使用,不得用于其他商业用途(如 [转卖]进行直接盈利或[编辑后售卖]进行间接盈利)。
2、本站所有内容均由合作方或网友上传,本站不对文档的完整性、权威性及其观点立场正确性做任何保证或承诺!文档内容仅供研究参考,付费前请自行鉴别。
3、如文档内容存在违规,或者侵犯商业秘密、侵犯著作权等,请点击“违规举报”。

碎片内容

土方路基内业资料表格

文章天下+ 关注
实名认证
内容提供者

各种文档应有尽有

确认删除?
VIP
微信客服
  • 扫码咨询
会员Q群
  • 会员专属群点击这里加入QQ群
客服邮箱
回到顶部