电脑桌面
添加小米粒文库到电脑桌面
安装后可以在桌面快捷访问

《机械基础》试卷及答案 VIP免费

《机械基础》试卷及答案 _第1页
1/2
《机械基础》试卷及答案 _第2页
2/2
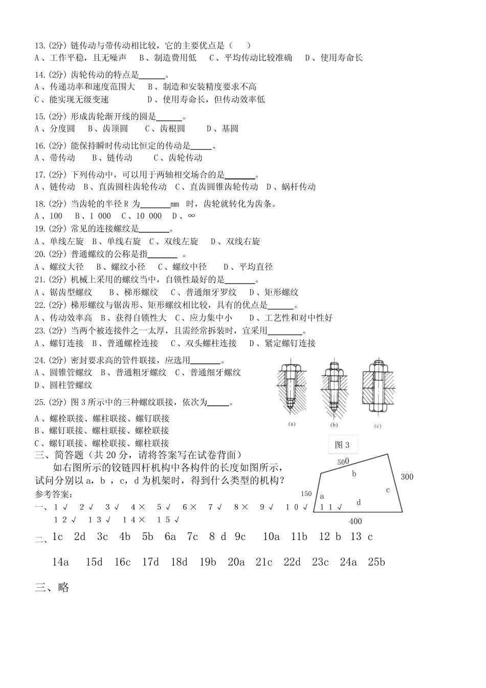
《机械基础》考试卷及答案一、判断题(本大题共15小题,总计30分)1.高速工具钢不仅硬度高、耐磨性好,而且温度达到600℃左右时,硬度值仍无明显下降。()2.正火与退火的主要差别是,前者冷却速度较快,得到组织晶粒较细,强度和硬度也较高。()3.按回火温度范围不同,钢的回火可分为低温回火、中温回火和高温回火。()4.平键不是标准零件。()5.圆柱销和圆锥销都是靠过盈配合固定在销孔中的。()6.铰链四杆机构中的最短杆就是曲柄。()7.铰链四杆机构中,当最长杆与最短杆之和大于其余两杆之和时,无论以哪一杆为机架都得到双摇杆机构。()8.家用缝纫机的踏板机构采用了双摇杆机构。()9.与链传动相比,带传动不必添加润滑油。()10.链传动一般不宜放置竖直方向的传动。()11.在蜗杆传动中,主动件一定是蜗杆,从动件一定是蜗轮。()12.按轴的外部形状不同,轴可以分为心轴、传动轴和转轴三种。()13.根据心轴是否转动,可分为固定心轴和转动心轴两种。()14.普通螺纹的公称直径指的是螺纹中径。()15.普通螺钉连接常用于被连接零件之一较厚,受力不大且不经常拆装的场合。()二、单选题(本大题共25小题,总计50分)1.(2分)钳工用的錾子和锯条宜采用()钢制造。A、20B、W18Cr4VC、T10D、Cr12MoV2.(2分)坦克履带、挖掘机的铲齿应选用()钢制造。A、T8AB、5CrNiMoC、20CrMnTiD、ZGMn133.(2分)为了改善低碳钢的切削加工性能,应采用()。A、完全退火B、球化退火C、正火D、去应力退火4.(2分)凸轮机构从动件的运动规律是由决定的。A、凸轮转速B、凸轮形状C、凸轮基圆半径5.(2分)图1所示雷达天线应用了。A、摆动导杆机构B、曲柄摇杆机构C、双曲柄机构D、曲柄摇块机构6.(2分)家用缝纫机踏板机构属于。A、曲柄摇杆机构B、双曲柄机构C、双摇杆机构7.(2分)带传动不能保证精确的传动比是由于。A、带和带轮间的摩擦力不够B、带易磨损C、带的弹性滑动D、初拉力不够8.(2分)下列带传动属于啮合传动类的是。A、圆带传动B、平带传动C、V带传动D、同步带传动9.(2分)带传动适用于两传动轴的中心距的场合。A、很小B、较小C、较大10.(2分)如图2所示为安装后V带在轮槽中的三种位置,正确的位置是。A、AB、BC、C11.(2分)带传动主要依靠来传递运动和动力。A、带和两带轮接触面间的正压力B、带和两带轮接触面间的摩擦力C、带的张紧力D、带的紧边拉力12.(2分)欲在两轴相距较远、工作条件恶劣的环境下传递大功率,宜选。A、带传动B、链传动C、齿轮传动D、蜗杆传动图1图213.(2分)链传动与带传动相比较,它的主要优点是()A、工作平稳,且无噪声B、制造费用低C、平均传动比较准确D、使用寿命长14.(2分)齿轮传动的特点是。A、传递功率和速度范围大B、制造和安装精度要求不高C、能实现无级变速D、使用寿命长,但传动效率低15.(2分)形成齿轮渐开线的圆是。A、分度圆B、齿顶圆C、齿根圆D、基圆16.(2分)能保持瞬时传动比恒定的传动是。A、带传动B、链传动C、齿轮传动17.(2分)下列传动中,可以用于两轴相交场合的是。A、链传动B、直齿圆柱齿轮传动C、直齿圆锥齿轮传动D、蜗杆传动18.(2分)当齿轮的半径R为mm时,齿轮就转化为齿条。A、100B、1000C、10000D、∞19.(2分)常见的连接螺纹是。A、单线左旋B、单线右旋C、双线左旋D、双线右旋20.(2分)普通螺纹的公称是指。A、螺纹大径B、螺纹小径C、螺纹中径D、平均直径21.(2分)机械上采用的螺纹当中,自锁性最好的是。A、锯齿型螺纹B、梯形螺纹C、普通细牙罗纹D、矩形螺纹22.(2分)梯形螺纹与锯齿形、矩形螺纹相比较,具有的优点是。A、传动效率高B、获得自锁性大C、应力集中小D、工艺性和对中性好23.(2分)当两个被连接件之一太厚,且需经常拆装时,宜采用。A、螺钉连接B、普通螺栓连接C、双头螺柱连接D、紧定螺钉连接24.(2分)密封要求高的管件联接,应选用。A、圆锥管螺纹B、普通粗牙螺纹C、普通细牙螺纹D、圆柱管螺纹25.(2分)图3所示中的三种螺纹联接,依次为。A、螺栓联接、螺柱联接、螺钉联接B、螺钉联接、螺柱联接、螺栓联接C、螺钉联接、螺栓联接、螺柱联接三、简答题(共20分,请将答案写在试卷背面)如右图所示的铰链四杆机构中各构件的长度如图所示...

1、当您付费下载文档后,您只拥有了使用权限,并不意味着购买了版权,文档只能用于自身使用,不得用于其他商业用途(如 [转卖]进行直接盈利或[编辑后售卖]进行间接盈利)。
2、本站所有内容均由合作方或网友上传,本站不对文档的完整性、权威性及其观点立场正确性做任何保证或承诺!文档内容仅供研究参考,付费前请自行鉴别。
3、如文档内容存在违规,或者侵犯商业秘密、侵犯著作权等,请点击“违规举报”。

碎片内容

《机械基础》试卷及答案

您可能关注的文档

确认删除?
VIP
微信客服
  • 扫码咨询
会员Q群
  • 会员专属群点击这里加入QQ群
客服邮箱
回到顶部