电脑桌面
添加小米粒文库到电脑桌面
安装后可以在桌面快捷访问

方案设计师2020操作说明VIP专享VIP免费

方案设计师2020操作说明_第1页
1/7
方案设计师2020操作说明_第2页
2/7
方案设计师2020操作说明_第3页
3/7
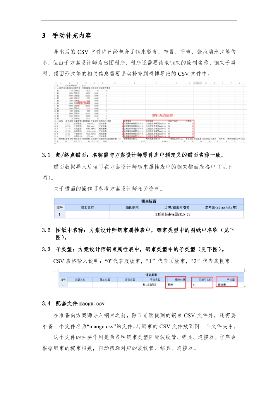
桥梁博士V4钢束数据导入方案设计师2020操作说明本文档包含三部分内容,一、如何从桥博种导出钢束;二、导出的资料介绍;三、手动补充内容;四、如何导入到方案设计师。1从桥博导出钢束CSV文件在桥博V4的钢束设计界面,通过钢束导出选项导出钢束,导出文件类型为“CSV格式”,钢束样式为“相对点格式”。(命令行依次选择“C”、“P”)2关于CSV文件的说明桥博导出的钢束CSV文件是通用格式的数据,因此若是采用其他软件进行的计算,也可按照这个CSV的格式自行编辑钢束导入的数据文件。CSV文件中的其他关键参数的解释:3手动补充内容导出后的CSV文件内已经包含了钢束竖弯、布置、平弯、张拉端形式等信息,但由于方案设计师为出图程序,程序还需要读取钢束的绘制名称、钢束子类型、锚面形式等的相关信息需要手动补充到桥博导出的CSV文件中。3.1起/终点锚面:名称需与方案设计师零件库中预定义的锚面名称一致。锚面数据导入后填写在方案设计师钢束属性表中的钢束锚面表格中(见下图)。关于锚面的操作可参考方案设计师相关资料。3.2图纸中名称:方案设计师钢束属性表中,钢束类型中的图纸中名称(见下图)。3.3子类型:方案设计师钢束属性表中,钢束类型中的子类型(见下图)。CSV表格输入说明:“0”代表腹板束,“1”代表顶板束,“2”代表底板束。3.4配套文件maogu.csv在准备向方案师导入钢束之前,除了前面提到的钢束CSV文件外,还需要准备一个文件名为“maogu.csv”的文件,与钢束的CSV文件放到同一个文件夹中。这个文件的主要作用是为各种钢束类型匹配波纹管、锚具、连接器。程序会根据钢束的编束根数,自动筛选对应的波纹管、锚具、连接器。波纹管、锚具、连接器等名称应与方案设计师的零件库定义名称保持一致。4向方案设计师中导入钢束文件数据准备完毕以后,有两种方式可以导入到方案设计师中。一种是直接导入到构件中,一种是通过应用桥梁表批量导入。4.1直接导入到构件打开构件的钢束编辑器界面激活立面视口点击右侧属性表上的“桥”选项在弹出的对话框中选择需要导入的钢束竖弯的CSV文件和锚固的CSV文件点击确定点击“”保存。导入后的数据(示例):4.2应用桥梁表批量导入1)将一联的“钢束导出文件”及“锚固文件”放在同一个文件夹下,如下图中的“B匝道大桥47”。不同联的数据放置在不同的文件夹中,并汇总到一个总的文件夹中,如下图中的“2设计资料”:2)工具→系统设置→项目资料目录,索引到“2设计资料”。3)方案资料→桥博钢束表,填写桥梁、墩台号、主梁文件串相关信息。注意,文件串从总文件夹下的第一级文件夹名称开始。主梁桥博文件串为手动输入,依次填写内容为(如图,不同数据间用逗号隔开):第一级文件夹名称\\某联钢束文件文件夹名称\\钢束文件(CSV格式),第一级文件夹名称\\某联钢束文件文件夹名称\\maogu.csv各文件夹分层示意如下图,只要保证与资料目录中的文件夹相配合能够找到相应的文件即可,不一定必须有级数限制。4)设计指导书→桥梁模版中加一行“应用桥博”5)在桥梁表中选择相应的桥梁模板,并应用桥梁表6)应用完以后,钢束信息就可以导入对应的构件中。4.3横梁钢束导入横梁钢束采用直接导入构件时,操作与纵梁相同。注意导入时选择横梁序号。当通过应用桥梁表批量导入的时候,操作也和纵梁类似,只是在方案资料的桥博钢束表中所填写的数据略有不同,如下图,其余操作均相同。

1、当您付费下载文档后,您只拥有了使用权限,并不意味着购买了版权,文档只能用于自身使用,不得用于其他商业用途(如 [转卖]进行直接盈利或[编辑后售卖]进行间接盈利)。
2、本站所有内容均由合作方或网友上传,本站不对文档的完整性、权威性及其观点立场正确性做任何保证或承诺!文档内容仅供研究参考,付费前请自行鉴别。
3、如文档内容存在违规,或者侵犯商业秘密、侵犯著作权等,请点击“违规举报”。

碎片内容

方案设计师2020操作说明

确认删除?
VIP
微信客服
  • 扫码咨询
会员Q群
  • 会员专属群点击这里加入QQ群
客服邮箱
回到顶部