电脑桌面
添加小米粒文库到电脑桌面
安装后可以在桌面快捷访问

大六角高强度螺栓连接技术规程VIP免费

大六角高强度螺栓连接技术规程_第1页
1/11
大六角高强度螺栓连接技术规程_第2页
2/11
大六角高强度螺栓连接技术规程_第3页
3/11
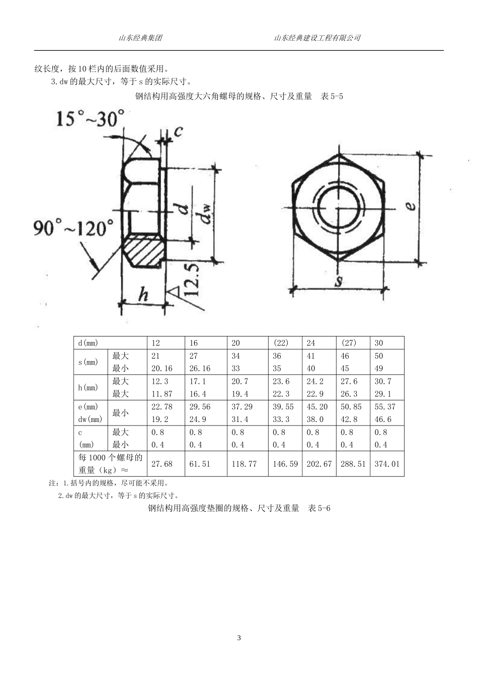
山东经典集团山东经典建设工程有限公司大六角高强度螺栓连接技术规程编号:JDJS20100235依据标准:《建筑工程施工质量验收统一标准》GB50300-2001《钢结构工程施工质量验收规范》GB50205-2001《钢结构工程施工规范》GB50755-2012《钢结构高强度螺栓连接的设计施工及验收规程》JGJ821、范围本工艺标准适用于钢结构安装工程,大六角高强度螺栓连接的施工技术。2、施工准备2.1材料:2.1.1螺栓、螺母、垫圈均应附有质量证明书,并应符合设计要求和国家标准的规定。2.1.2大六角头高强度螺栓的规格、尺寸及重量应符合表5-4的规定。2.1.3大六角高强度螺母的规格、尺寸及重量应符合表5-5的规定。2.1.4高强度垫圈的规格、尺寸及重量应符合表5-6的规定。钢结构用大六角头高强度螺栓的规格、尺寸及重量表5-4d(mm)公称尺寸121620(22)24(27)30最大12.4316.4320.5222.5224.5227.8430.84最小11.5715.5719.4821.4823.4826.1629.16山东经典集团山东经典建设工程有限公司e(mm)最小22.7829.5637.2939.5545.250.8555.37dw(mm)19.224.931.433.338.042.846.5s(mm)最大21273436414650最小20.1626.163335404549h(mm)最大7.9510.7513.414.915.917.919.75最小7.059.2511.613.114.116.117.65r(mm)最小1.01.01.51.51.52.02.0c(mm)最大0.80.80.80.80.80.80.8最小0.40.40.40.40.40.40.4z(mm)最大2.63.03.83.84.54.55.310(mm)25;3030;3535;4040;4545;5050;5555;601(mm)每1000个螺栓的重量(kg)≈公称最小最大354033.7538.7536.2541.2549.454.24543.7546.2557.8113.05048.7551.2562.5121.3207.35553.556.567.3127.9220.3269.36058.561.572.1136.2233.3284.9357326563.566.576.8144.5243.6300.5375.7503.27068.571.581.6152.8256.5313.2394.2527.1658.27573.576.586.3161.2269.5328.9407.1551.0687.58078.581.5169.5282.5344.5428.6570.2716.88583.2586.75177.8295.5360.1446.1594.1740.39088.2591.75186.1308.5375.8464.7617.9769.69593.2596.75194.4321.4391.4483.2641.8799.010098.25101.75202.8334.4407.0501.7665.7828.3110108.25111.75219.4360.4438.3538.8713.5886.9120118.25121.75236.1386.3469.6575.9761.3945.6130128132252.7412.3500.8612.9809.11004.2140138142438.3532.1650.0856.91062.8150148152464.2563.4687.1904.71121.5160156165490.2594.6724.2952.41180.1170166174625.9761.21000.21238.7180176184657.2798.31048.01297.4190186194688.4835.41095.81356.0200196204719.7872.41143.61414.7220216224782.2946.61239.21531.92402302441020.71334.71649.22602562641430.31766.5注:1.括号内的规格,尽可能不采用。2.虚线以上部分的螺纹长度,按10栏内的前面数值采用(亦允许螺杆上全部制出螺纹);虚线以下部分的螺2山东经典集团山东经典建设工程有限公司纹长度,按10栏内的后面数值采用。3.dw的最大尺寸,等于s的实际尺寸。钢结构用高强度大六角螺母的规格、尺寸及重量表5-5d(mm)121620(22)24(27)30s(mm)最大最小2120.162726.1634333635414046455049h(mm)最大最大12.311.8717.116.420.719.423.622.324.222.927.626.330.729.1e(mm)dw(mm)最小22.7819.229.5624.937.2931.439.5533.345.2038.050.8542.855.3746.6c(mm)最大最小0.80.40.80.40.80.40.80.40.80.40.80.40.80.4每1000个螺母的重量(kg)≈27.6861.51118.77146.59202.67288.51374.01注:1.括号内的规格,尽可能不采用。2.dw的最大尺寸,等于s的实际尺寸。钢结构用高强度垫圈的规格、尺寸及重量表5-63山东经典集团山东经典建设工程有限公司公称直径(螺纹直径d)(mm)121620(22)24(27)30d1(mm)最大最小(公称)13.431317.431721.522123.522325.522528.522831.6231d2(mm)最大(公称)最小2523.73331.44038.44240.44745.45250.45654.1t(mm)最大最小3.32.53.32.54.33.55.34.55.34.56.35.56.35.5c(mm)最大最小1.61.21.61.22.21.82.21.82.21.82.92.52.92.5每1000个垫圈的重量(kg)≈9.0315.9629.8439.3950.7172.0981.96注:括号内的尺寸,尽可能不采用。2.1.5不同等级的大六角头高强度螺栓的材料性能必须符合表5-7的规定。不同等级的大六...

1、当您付费下载文档后,您只拥有了使用权限,并不意味着购买了版权,文档只能用于自身使用,不得用于其他商业用途(如 [转卖]进行直接盈利或[编辑后售卖]进行间接盈利)。
2、本站所有内容均由合作方或网友上传,本站不对文档的完整性、权威性及其观点立场正确性做任何保证或承诺!文档内容仅供研究参考,付费前请自行鉴别。
3、如文档内容存在违规,或者侵犯商业秘密、侵犯著作权等,请点击“违规举报”。

碎片内容

大六角高强度螺栓连接技术规程

您可能关注的文档

确认删除?
VIP
微信客服
  • 扫码咨询
会员Q群
  • 会员专属群点击这里加入QQ群
客服邮箱
回到顶部