电脑桌面
添加小米粒文库到电脑桌面
安装后可以在桌面快捷访问

常用土层和岩石物理力学性质VIP免费

常用土层和岩石物理力学性质_第1页
1/12
常用土层和岩石物理力学性质_第2页
2/12
常用土层和岩石物理力学性质_第3页
3/12
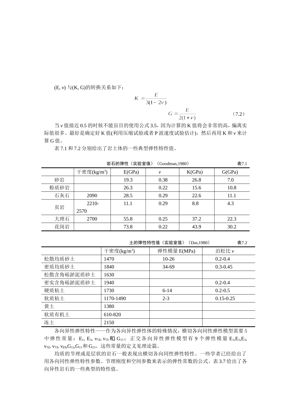
(E,ν)与(K,G)的转换关系如下:(7.2)当ν值接近0.5的时候不能盲目的使用公式3.5,因为计算的K值将会非常的高,偏离实际值很多。最好是确定好K值(利用压缩试验或者P波速度试验估计),然后再用K和ν来计算G值。表7.1和7.2分别给出了岩土体的一些典型弹性特性值。岩石的弹性(实验室值)(Goodman,1980)表7.1干密度(kg/m3)E(GPa)νK(GPa)G(GPa)砂岩19.30.3826.87.0粉质砂岩26.30.2215.610.8石灰石209028.50.2922.611.1页岩2210-257011.10.298.84.3大理石270055.80.2537.222.3花岗岩73.80.2243.930.2土的弹性特性值(实验室值)(Das,1980)表7.2干密度(kg/m3)弹性模量E(MPa)泊松比ν松散均质砂土147010-260.2-0.4密质均质砂土184034-690.3-0.45松散含角砾淤泥质砂土1630密实含角砾淤泥质砂土19400.2-0.4硬质粘土17306-140.2-0.5软质粘土1170-14902-30.15-0.25黄土1380软质有机土610-820冻土2150各向异性弹性特性——作为各向异性弹性体的特殊情况,横切各向同性弹性模型需要5中弹性常量:E1,E3,ν12,ν13和G13;正交各向异性弹性模型有9个弹性模量E1,E2,E3,ν12,ν13,ν23,G12,G13和G23。这些常量的定义见理论篇。均质的节理或是层状的岩石一般表现出横切各向同性弹性特性。一些学者已经给出了用各向同性弹性特性参数、节理刚度和空间参数来表示的弹性常数的公式。表3.7给出了各向异性岩石的一些典型的特性值。横切各向同性弹性岩石的弹性常数(实验室)表7.3Ex(GPa)Ey(GPa)νyxνzxGxy(GPa)砂岩43.040.00.280.1717.0砂岩15.79.60.280.215.2石灰石39.836.00.180.2514.5页岩66.849.50.170.2125.3大理石68.650.20.060.2226.6花岗岩10.75.20.200.411.2流体弹性特性——用于地下水分析的模型涉及到不可压缩的土粒时用到水的体积模量Kf,如果土粒是可压缩的,则要用到比奥模量M。纯净水在室温情况下的Kf值是2Gpa。其取值依赖于分析的目的。分析稳态流动或是求初始孔隙压力的分布状态(见理论篇第三章流体-固体相互作用分析),则尽量要用比较低的Kf,不用折减。这是由于对于大的Kf流动时间步长很小,并且,力学收敛性也较差。在FLAC3D中用到的流动时间步长,tf与孔隙度n,渗透系数k以及Kf有如下关系:(7.3)对于可变形流体(多数课本中都是将流体设定为不可压缩的)我们可以通过获得的固结系数来决定改变Kf的结果。(7.4)其中其中,——FLAC3D使用的渗透系数——渗透系数,单位和速度单位一样(如米/秒)——水的单位重量考虑到固结时间常量与成比例,我么可以将Kf的值从其实际值()减少,利用上面得表达式看看其产生的误差。流动体积模量还会影响无流动但是有空隙压力产生的模型的收敛速率(见1.7节流动与力学的相互作用)。如果Kf是一个通过比较机械模型得到的值,则由于机械变形将会产生孔隙压力。如果Kf远比大,则压缩过程就慢,但是一般有可能Kf对其影响很小。例如在土体中,孔隙水中还会包含一些尚未溶解的空气,从而明显的使体积模量减小。在无流动情况下,饱和体积模量为:(7.5)不排水的泊松比为:(7.6)这些值应该和排水常量和作比较,来估计压缩的效果。重要的是,在FLAC3D中,排水特性是用在机械连接的流变计算中的。对于可压缩颗粒,比奥模量对压缩模型的影响比例与流动。7.3固有的强度特性在FLAC3D中,描述材料破坏的基本准则是摩尔-库仑准则,这一准则把剪切破坏面看作直线破坏面:(7.7)其中——最大主应力(压缩应力为负);——最小主应力——摩擦角c——粘聚力当时进入剪切屈服。这里的两个强度常数φ和c是由实验室的三轴实验获得的。当主应力变为拉力时,摩尔-库仑准则就将失去其物理意义。简单情况下,当表面的在拉应力区域发展到等于单轴抗拉强度的点时,,这个次主应力不会达到拉伸强度—例如;(7.8)当时进入拉伸屈服。岩石和混凝土的抗拉强度通常有由西实验获得。注意,抗拉强度不能超过σ3,这是和摩尔-库仑关系的顶点的限制是一致的。最大的值由下式给出(7.9)表7.4列出了一系列具有代表性的典型的岩石标本的粘聚力、摩擦角和抗拉强度值。土体的具有代表性的典型粘聚力和摩擦角的具有代表性的典型值见表7.5。土体强度用无侧限抗压强度表示,与粘聚力C和...

1、当您付费下载文档后,您只拥有了使用权限,并不意味着购买了版权,文档只能用于自身使用,不得用于其他商业用途(如 [转卖]进行直接盈利或[编辑后售卖]进行间接盈利)。
2、本站所有内容均由合作方或网友上传,本站不对文档的完整性、权威性及其观点立场正确性做任何保证或承诺!文档内容仅供研究参考,付费前请自行鉴别。
3、如文档内容存在违规,或者侵犯商业秘密、侵犯著作权等,请点击“违规举报”。

碎片内容

常用土层和岩石物理力学性质

您可能关注的文档

墨香书阁+ 关注
实名认证
内容提供者

热爱教学事业,对互联网知识分享很感兴趣

相关文档

确认删除?
VIP
微信客服
  • 扫码咨询
会员Q群
  • 会员专属群点击这里加入QQ群
客服邮箱
回到顶部