电脑桌面
添加小米粒文库到电脑桌面
安装后可以在桌面快捷访问

标准化卸料平台口安全防护门VIP免费

标准化卸料平台口安全防护门_第1页
1/5
标准化卸料平台口安全防护门_第2页
2/5
标准化卸料平台口安全防护门_第3页
3/5
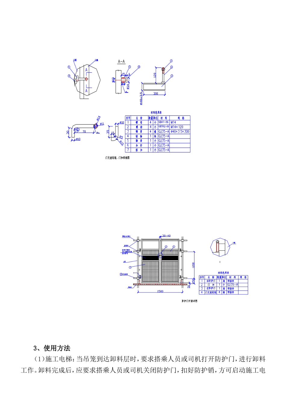
标准化卸料平台口安全防护门○黄建仙(中建七局三公司材料设备租赁分公司)1、概述施工电梯、井字架等是建筑施工中必不可少的垂直运输机械设备,而其卸料平台通道口的安全防护门则是设备作业过程中安全防护的重要设施。在建设部强制性标准《建筑施工安全检查标准》(JGJ59-99)中,卸料平台口的安全防护门定型化、工具化属于保证项目。完善卸料平台口的安全防护门,是设备安全使用的基本保障,也是创建安全文明工地的“硬件”之一。卸料平台口的安全防护门主要有平开式、水平推拉式和垂直推拉式等几种结构。其中平开式防护门具有结构简单、安装方便、经济耐用等特点,并且由于其开门时卸料平台必须留有一定的空间,从客观上防止将物料堆集在卸料平台上而增大平台载荷,对卸料平台架的安全起到一定的保护作用;水平推拉式防护门因在其开启时,占用架体以外空间,使平台搭设的位置受到一定限制(特别是不能搭设在住宅楼房的两个阳台之间);而垂直推拉式防护门结构较复杂、成本较高、容易损坏。为解决现场防护门不按要求制作、随意搭设等问题,提高现场文明施工水平,我司设计制作的平开式防护门,使安全防护门定型化、工具化。并以租赁的方式提供给工程项目使用,使之多次周转使用,节省能源提高经济效益。该防护门在我司各工地已使用两年多,现在用量超过600付。实践证明在落实了安全生产责任制的基础上(即要求操作工在防护门未关闭时不准开机)不安装自动闭门器或联锁装置也能满足安全生产的需要。2、设计制作及安装该防护门采用φ26×2钢管,网孔60×60的φ4钢网焊接,通过门支座铰链安装在卸料平台靠近施工电梯或井字架侧的立柱上。其制作工艺见防护门结构祥图和门支座铰链、门扣机构图,防护门与卸料平台架的安装工艺见防护门安装祥图。3、使用方法(1)施工电梯:当吊笼到达卸料层时,要求搭乘人员或司机打开防护门,进行卸料工作。卸料完成后,应要求搭乘人员或司机关闭防护门,扣好防护销,方可启动施工电梯。(2)井字架:只有当吊篮到达卸料层时,卸料人员才能打开防护门,进行卸料工作。卸料完成后,卸料人员应及时关闭防护门,扣好防护销后,方可启动井字架。4、防护目的和意义(1)防止设备在上下运行时,人体任何部位进入施工电梯(或井字架)内造成伤害。防护门的常闭高度为1500mm,安装高度为1900mm,下面空余50mm,防护高度为1900mm。防护门关闭时施工人员的头、手、脚、身体任何部位都无法进入设备运行区域内。(2)该防护门达到部颁标准《建筑施工安全检查标准》工具化、定型化等要求。有些安全防护门采用电气自动联锁装置,也能达到标准要求,但各层开关以串联电路相连,由于设备长期处于露天作业,经常受到雨水、施工用水的影响,容易产生电路失灵,达不到警示效果。同时这种防护门具有制作简单、安装方便、成本较低、可以多次重复使用等优点,已经广泛应用于施工现场。(3)有利于提高现场施工文明。这种平开式防护门上设有双面标志牌,左门可以用油漆刷上企业的CI标志,右门可以刷上警示句,这在一定程度上反映了建筑施工企业文化,提高施工管理水平,为创建“安全文明工地”创造有利条件。5、经济效益分析防护门作为电梯、井架辅件形式一起租赁,电梯用防护门每月500元,井架防护门每月300元。每付门制作成本为160元。如下列表分析经济情况:表一:每台施工电梯、井架用防护门成本设备名称所需数量单付门成本投资成本电梯40付160元6400元井架16付160元2560元表二:每台施工电梯、井架用防护门周转使用收益设备名称每月租金使用时间周转次数总收益电梯500元8月5次20000元井架300元5月6次9000元表三:工程项目每次投资非标防护门成本设备名称单项费用工程数总费用电梯4000元5项20000元井架1500元6项9000元说明:以每项工程电梯、井架非标防护门费用,标准防护门多次节约费用分析。经济效益分析表明:(1)单台电梯用40付防护门经过多次周转使用创造效益约13600元,节约材料能源20000元。(2)单台井架用16付防护门经过多次周转使用创造效益约6440元,节约材料能源9000元。6、结论:做好卸料平台口安全防护门工作可以获得良好的经济效益和社会效益。编制人:黄建仙...

1、当您付费下载文档后,您只拥有了使用权限,并不意味着购买了版权,文档只能用于自身使用,不得用于其他商业用途(如 [转卖]进行直接盈利或[编辑后售卖]进行间接盈利)。
2、本站所有内容均由合作方或网友上传,本站不对文档的完整性、权威性及其观点立场正确性做任何保证或承诺!文档内容仅供研究参考,付费前请自行鉴别。
3、如文档内容存在违规,或者侵犯商业秘密、侵犯著作权等,请点击“违规举报”。

碎片内容

标准化卸料平台口安全防护门

墨香书阁+ 关注
实名认证
内容提供者

热爱教学事业,对互联网知识分享很感兴趣

确认删除?
VIP
微信客服
  • 扫码咨询
会员Q群
  • 会员专属群点击这里加入QQ群
客服邮箱
回到顶部