电脑桌面
添加小米粒文库到电脑桌面
安装后可以在桌面快捷访问

道路管网施工工艺VIP免费

道路管网施工工艺_第1页
1/4
道路管网施工工艺_第2页
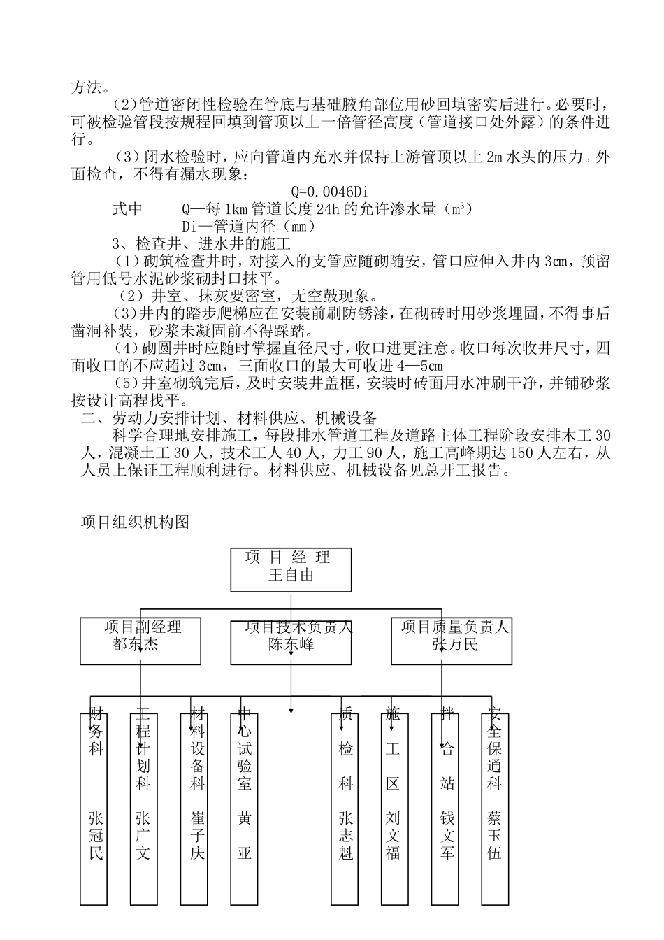
2/4
道路管网施工工艺_第3页
3/4
污水工程施工工艺及工作流程(一)主要施工方法及工艺1、污水工程施工流程测量放线—沟槽开挖—砼基础—安管—支模—砼围管座—打管带—砌检查井—沟槽回填2、污水管道施工(A)沟槽开挖(1)沟槽开挖前认真学习设计文件,进行调查研究,充分了解挖槽段的土质、地下水位、地下构筑物、沟槽附近地上建筑物以及施工环境等情况,合理地确定挖槽横断面和堆土位置,合理地选用施工机械,并根据需要制定必要的安全措施,以确保施工质量及安全。(2)槽底的宽度(有支撑者指撑板间的净度),除管道结构宽度外,还应在两侧增加工作宽度,每侧工作宽度可参照下表的规定管道结构宽(㎜)每侧工作宽度(m)金属管道及砖沟非金属管道200—5000.30.4600—10000.40.51100—15000.60.61600—20000.80.8机械挖槽时,确保槽底土壤结构不被扰动或破坏,同时由于机械不可能准确地将槽底按规定工程整平,设计槽底高程以上留20㎝左右一层不挖,由人工清挖。(3)沟槽挖出的土方,妥善安排存放位置。沟槽挖土一般堆在沟槽两侧。在下管一侧的槽边,根据下管操作的需要,不堆土或少堆土。堆土应堆在距槽边1米以外,计划在槽边运送材料的一侧,其堆土边缘到槽边的距离,应根据运输工具而定。(B)排管(1)铺设D300MM混凝土管径时,采用“四合一”施工法(即平基、排管、围管、抹带同时进行),管径较大的采用平基法施工。(2)“四合一”施工法施工程序验槽→支模→下管→排管→四合→施工→养护。(3)平基法施工程序:(C)平基法施工程序。支平基模板→浇管麻混凝土→抹带接口→养护。(D)平基(1)验槽合格后,及时浇筑平基混凝土,减少地基扰动的可能。(2)严格控制平基顶面高程,其高程应低于管外皮5—8㎝,以利于混凝土的浇筑,平基表面搓毛。(3)做到平基混凝土终凝前不泡水,混凝土终凝后及时养生、保护。(E)排管(1)平基混凝土强度达到设计强度70%以上时,方可进行下管。(2)下管前在平基面上弹线,以控制安管中心线。(3)安管的对口间隙,管径≥700㎜按10㎜控制,<700㎜可不保留间隙,稳较大的管子,进入管内用水平尺检查对口,减少错口现象,稳管以达到管内底高程偏差在±100㎜之内,中心线偏差不超过100㎜,相邻管内底错口不大于3㎜。(4)管子安好后,用管垫卡牢,并及时灌筑混凝土管座。(F)围座(1)浇筑前,平基应冲洗干净。(2)浇筑混凝土时,应先从一侧进行,待混凝土浆流入另一侧之再筑另一侧混凝土。(3)较大的管子,浇筑前应用竹片或胶合板挡住内管缝,直径<700㎜的管子,可用麻袋球或其它工具在管内来回拖动,将流入管内的灰浆拉平。(G)抹带(1)抹带前将管口及管带覆盖到管外皮凿毛并洗刷干净,并刷水泥浆一道。(2)管带分两层成活,抹第一层砂浆(卧底砂浆)时,应注意找正使管缝居中,厚度约为带厚三分之一,并压实使之与管壁粘结牢固,在表面划成线槽,以利于与第二层结合(管径400㎜以内者,抹带可一次完成)(3)待每一层砂浆初凝后抹第二层,用弧形抹子桴压成形,初凝后再用抹子赶光压实。(4)带、基相接处(如基础混凝土已硬化需凿毛洗净、刷素水泥浆)三多角灰要坐实,大管径可用砖模,防止砂浆变形。(H)养护管带抹好后,立即用湿纸带覆盖上,并铺以草袋或草帘,3—4小时后,要洒水养护,避免产生裂缝与脱落现象。(I)胸腔及管顶以上50㎝范围内填土沟槽回填土,必须确保构造物的安全,管道及井室等不位移,不破坏,接口及防腐绝缘层的直埋管道,应用细土回填。(1)填土在管座混凝土强度达到50公斤/㎝2以上,方可进行,砖沟在盖安装后进行,现浇混凝土沟按设计规定。(2)回填土中不得含有碎砖、石块及大于10㎝的硬土块及其杂填土,对有防腐绝缘层的直埋管道,应用细土回填。(3)沟槽两侧同时回填,两侧高度不超过30㎝(4)填土时不能将土直接砸在抹带接口上,管顶以上50㎝范围内的夯实,用石夯轻夯。(J)胸腔以上部位的填土(1)非同时进行的两个回填土段的搭接处,不得形成陡坎,应随铺土将夯实层留成阶梯状,阶梯的长度应大于高度的二倍。(2)管顶以上填土夯实高度达1.5m以上,方可使用碾压机械。(K)井室等附属构筑物回填土四周同时进行并掺拌...

1、当您付费下载文档后,您只拥有了使用权限,并不意味着购买了版权,文档只能用于自身使用,不得用于其他商业用途(如 [转卖]进行直接盈利或[编辑后售卖]进行间接盈利)。
2、本站所有内容均由合作方或网友上传,本站不对文档的完整性、权威性及其观点立场正确性做任何保证或承诺!文档内容仅供研究参考,付费前请自行鉴别。
3、如文档内容存在违规,或者侵犯商业秘密、侵犯著作权等,请点击“违规举报”。

碎片内容

道路管网施工工艺

您可能关注的文档

确认删除?
VIP
微信客服
  • 扫码咨询
会员Q群
  • 会员专属群点击这里加入QQ群
客服邮箱
回到顶部