电脑桌面
添加小米粒文库到电脑桌面
安装后可以在桌面快捷访问

标准节塔吊安装方案VIP专享VIP免费

标准节塔吊安装方案_第1页
1/7
标准节塔吊安装方案_第2页
2/7
标准节塔吊安装方案_第3页
3/7
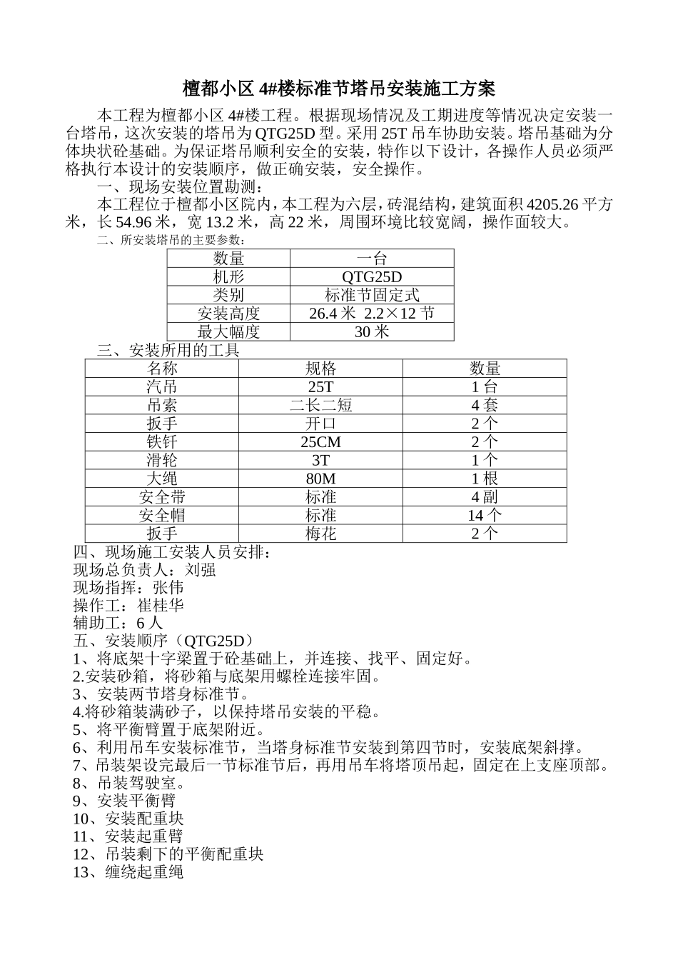
檀都小区4#楼标准节塔吊安装施工方案本工程为檀都小区4#楼工程。根据现场情况及工期进度等情况决定安装一台塔吊,这次安装的塔吊为QTG25D型。采用25T吊车协助安装。塔吊基础为分体块状砼基础。为保证塔吊顺利安全的安装,特作以下设计,各操作人员必须严格执行本设计的安装顺序,做正确安装,安全操作。一、现场安装位置勘测:本工程位于檀都小区院内,本工程为六层,砖混结构,建筑面积4205.26平方米,长54.96米,宽13.2米,高22米,周围环境比较宽阔,操作面较大。二、所安装塔吊的主要参数:数量一台机形QTG25D类别标准节固定式安装高度26.4米2.2×12节最大幅度30米三、安装所用的工具名称规格数量汽吊25T1台吊索二长二短4套扳手开口2个铁钎25CM2个滑轮3T1个大绳80M1根安全带标准4副安全帽标准14个扳手梅花2个四、现场施工安装人员安排:现场总负责人:刘强现场指挥:张伟操作工:崔桂华辅助工:6人五、安装顺序(QTG25D)1、将底架十字梁置于砼基础上,并连接、找平、固定好。2.安装砂箱,将砂箱与底架用螺栓连接牢固。3、安装两节塔身标准节。4.将砂箱装满砂子,以保持塔吊安装的平稳。5、将平衡臂置于底架附近。6、利用吊车安装标准节,当塔身标准节安装到第四节时,安装底架斜撑。7、吊装架设完最后一节标准节后,再用吊车将塔顶吊起,固定在上支座顶部。8、吊装驾驶室。9、安装平衡臂10、安装配重块11、安装起重臂12、吊装剩下的平衡配重块13、缠绕起重绳14.连接电气六、安装方案:1.安装前对塔机技术文件进行验收,对塔机的设备,电路零件及吊具、索具进行一次全面的检查,消除事故隐患,确保安全作业。A.技术资料包括塔吊基础验收单、塔吊安装技术交底。B.塔吊各部钢结构、各部位结构焊接、重要部位螺栓、销轴、卷扬机和钢丝绳、吊勾吊具、电气设备、线路等的验收。2.砼基础:QTG25D型用C30砼基础。A.认真放线、核线,保证固定螺栓尺寸准确。B.砼基础高出地面0.2米,周围有良好的排水措施。七、用吊车装塔身、转台、塔吊平衡臂、等,安装过程及要求如下:1.安装人员必须熟悉安装方案,并按规定的安装作业程序作业,注意和周围安装人员互相配合,协调一致。2.作业前,应视作业所需机构设备的性能及操作规程做全面了解,并严格按规定使用。3.作业前,必须对安装中所使用的工具、吊具、索具等有关规定,认真检查,确认合格后方可是使用。4.作业中必须听从指挥人员的指挥,如发现指挥信号不清或有误时,应停止操作,待联系清楚后再进行。5.安装人员进入作业现场时,必须戴安全帽,穿防滑鞋,高空作业时系好安全带,指派专人警戒,非作业人员严禁进入作业现场。6.必须按照安装工艺作业,在安装过程中,要将螺丝拧紧,螺丝要放在工具袋内,施工时要注意螺丝、工具要放好、放稳,防止落下伤人。7.吊车在工作中,一定等地面辅助人员将吊勾上紧后方可起吊作业。吊车吊运时要慢、稳、准,使吊装工作安全,顺利进行,吊装前、后臂等大件时要加倍注意,使其安全组装好,将拉杆螺丝拧紧。八、安装作业中的要求:1.在安装作业的全过程中,必须保持现场的整洁和秩序,周围清理干净,以免妨碍作业面,影响安全,对放置起重机金属结构的下面,必须垫放木方子。2.安装用的钢丝绳及其连接和固定,必须符合标准和安装工艺上的要求。3.在进行逐件安装之前,必须对部件部分的完好情况、连接情况和钢丝绳穿饶情况、电气线路等进行全面检查。4.吊装前后臂时,要保证吊索、夹角满足要求,并且两端用吊环上牢,防止脱绳造成事故,并加强各部位的检查和观察。5.在安装起重臂和平衡臂时,要始终保持起重臂的平衡,严禁只安装一个臂就中断作业。6.安装时,应按安装要求规定使用的螺栓、销轴等连接件,都要有可靠的防松、脱绳保护装置,钢丝绳的安装要严格执行GB5972-86《起重机械用钢丝绳检验和报废使用标准》。7.安装作业的程序、辅助设备、索具、工具等均应遵照该机使用说明书规定或参照标准的安装工艺进行。九、防碰撞措施:1.构件的吊点要准确,辅助力拉绳要对称设置。2.吊装平衡臂及吊装臂等大构件,起吊时要加派人员辅助起吊,应缓慢进行,辅助拉绳要对称设置,双方用力均匀,一切听从指挥。3.严...

1、当您付费下载文档后,您只拥有了使用权限,并不意味着购买了版权,文档只能用于自身使用,不得用于其他商业用途(如 [转卖]进行直接盈利或[编辑后售卖]进行间接盈利)。
2、本站所有内容均由合作方或网友上传,本站不对文档的完整性、权威性及其观点立场正确性做任何保证或承诺!文档内容仅供研究参考,付费前请自行鉴别。
3、如文档内容存在违规,或者侵犯商业秘密、侵犯著作权等,请点击“违规举报”。

碎片内容

标准节塔吊安装方案

确认删除?
VIP
微信客服
  • 扫码咨询
会员Q群
  • 会员专属群点击这里加入QQ群
客服邮箱
回到顶部