电脑桌面
添加小米粒文库到电脑桌面
安装后可以在桌面快捷访问

《建筑制图》复习题及答案VIP免费

《建筑制图》复习题及答案_第1页
1/6
《建筑制图》复习题及答案_第2页
2/6
《建筑制图》复习题及答案_第3页
3/6
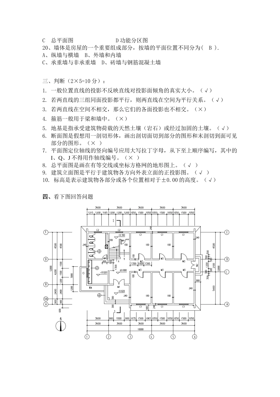
《建筑制图》复习题一、填空题1、工程建设制图中的主要可见轮廓线应选用粗实线2、图样上的尺寸包括尺寸界线、尺寸线、_尺寸起止符号、尺寸数字3、标高有相对标高和绝对标高,相对标高的零点是青岛附近黄海海平面4、房屋施工图由于专业分工的不同,分为建筑施工图、结构施工图和设备施工图5、指北针圆的直径宜为24mm,用细实线绘制。6、在建筑平面图中,横行定位轴线应用阿拉伯数字从左至右依次编写;竖向定位轴线应用大写拉丁字母从下至上顺序编写。7、工程制图图幅幅面主要有5种。8、根据不同的剖切方式,剖面图有全剖面图、阶梯剖面图、展开剖面图、局部剖面图和分层剖面图。9、为保护钢筋、防蚀防火,并加强钢筋与混凝土的粘结力,钢筋至构件表面应有一定厚度的混凝土,这层混凝土称为__混凝土保护层__。10、民用建筑一般由基础、___墙和柱____、楼板层和地坪层、___楼梯__、屋顶、门窗等六大部分组成。11、混凝土是由__水泥、沙子、石子和水按一定例配合,经搅拌、捣实、养护而成的一种人造石。12、图纸幅面的基本尺寸规定有五种,其代号分别为A0,A1.A2,A3,A4,13、组合体的组合方式有:叠加式、切割式、混合式。14、轴测投影图按投影方向的不同分为正轴测投影和斜轴测投影,按轴向伸缩系数不同分为等测投影、二测轴投影、三测轴投影。15、投影面的平行面,平行于H面称为水平面,平行于V面称为正平面,平行于W面称为侧平面。16、一般可见轮廓线用实线线型来画,不可见轮廓线用虚线来画,中心线、对称线、定位轴线用点划线来画,不需画全的断开界线用折断线来画二、单选题1、在建筑平面图中,位于2和3轴线之间的第一根分轴线的正确表达为(A)。(A)(B)(C)(D)2.建筑的耐火等级可分为(B)级。A、3B、4C、5D、63、填充不得穿越尺寸数字,不可避免时。应该是(A)A、图线断开B、二者重合C、省略标注D、前述均可4、7-9层的住宅属于(C)A、低层B、多层C、中高层D、高层5、建筑平面图中的中心线、对称一般应用。(C)A、细实线B、细虚线C、细单点长画线D、吸双点画线6、建筑施工图中定位轴线端部的圆用细实线绘制,直径为(A)。A、8-10mmB、11-12mmC、5-7mmD、12-14mm7、建筑施工图中索引符号的圆的直径为(B)。A、8mmB、10mmC、12mmD、14mm8、建筑施工图上一般注明的标高是(B)。A、绝对标高B、相对标高C、绝对标高和相对标高D、要看图纸上的说明9、建筑物结构承重可分为(D)。A、墙承重式、框架结构B、墙承重式C、半框架结构,框架结构D、墙承重式、框架结构、空间结构、半框架结构10、有一栋房屋在图上量得长度为50cm,用的是1:100比例,其实际长度是(B).A、5mB、50mC、500mD、5000m11、建筑工程图中尺寸单位,总平面图和标高单位用(C)为单位。A、mmB、cmC、mD、km12、施工平面图中标注的尺寸只有数量没有单位,按国家标准规定单位应该是(A)。A、mmB、cmC、mD、km13.下列投影图中正确的1¾1剖面图是(B)。1-1A111-1B1-1C1-1D14、下列立面图的图名中错误的是(A)A、房屋立面图B、东立面图C、⑦-----①立面图D、-----立面图15.关于标高,下列(C)的说法是错误的。A.负标高应注“-”B.正标高应注“+”C.正标高不注“+”D.零标高应注“±”16.立面图不能按(C)方式命名。A.朝向B.轴线C.色彩D.主出入口17.“φ8@200”没能表达出这种钢筋的(A)。A.弯钩形状B.级别C.直径D.间距18.详图索引符号为23圆圈内的3表示(C)。A.详图所在的定位轴线编号B.详图的编号C.详图所在的图纸编号D.被索引的图纸的编号19、主要用来确定新建房屋的位置、朝向以及周边环境关系的是(C)。A建筑平面图B建筑立面图C总平面图D功能分区图20、墙体是房屋的一个重要组成部分,按墙的平面位置不同分为(B).A、纵墙与横墙B、外墙和内墙C、承重墙与非承重墙D、砖墙与钢筋混凝土墙三、判断(2×5=10分):1.一般位置直线的投影不反映直线对投影面倾角的真实大小。(√)2.若两直线的三组同面投影都平行,则两直线在空间为平行关系。(√)3.若两直线在空间不相交,那么它们的各面投影也不相交。(×)4.箍筋一般用于梁和墙中。(×)5.地基是指承受建筑物荷载的天然土壤(岩石)或经过加固的土壤。(√)6.断面图是假...

1、当您付费下载文档后,您只拥有了使用权限,并不意味着购买了版权,文档只能用于自身使用,不得用于其他商业用途(如 [转卖]进行直接盈利或[编辑后售卖]进行间接盈利)。
2、本站所有内容均由合作方或网友上传,本站不对文档的完整性、权威性及其观点立场正确性做任何保证或承诺!文档内容仅供研究参考,付费前请自行鉴别。
3、如文档内容存在违规,或者侵犯商业秘密、侵犯著作权等,请点击“违规举报”。

碎片内容

《建筑制图》复习题及答案

您可能关注的文档

确认删除?
VIP
微信客服
  • 扫码咨询
会员Q群
  • 会员专属群点击这里加入QQ群
客服邮箱
回到顶部