电脑桌面
添加小米粒文库到电脑桌面
安装后可以在桌面快捷访问

板式楼梯计算实例VIP免费

板式楼梯计算实例_第1页
1/15
板式楼梯计算实例_第2页
2/15
板式楼梯计算实例_第3页
3/15
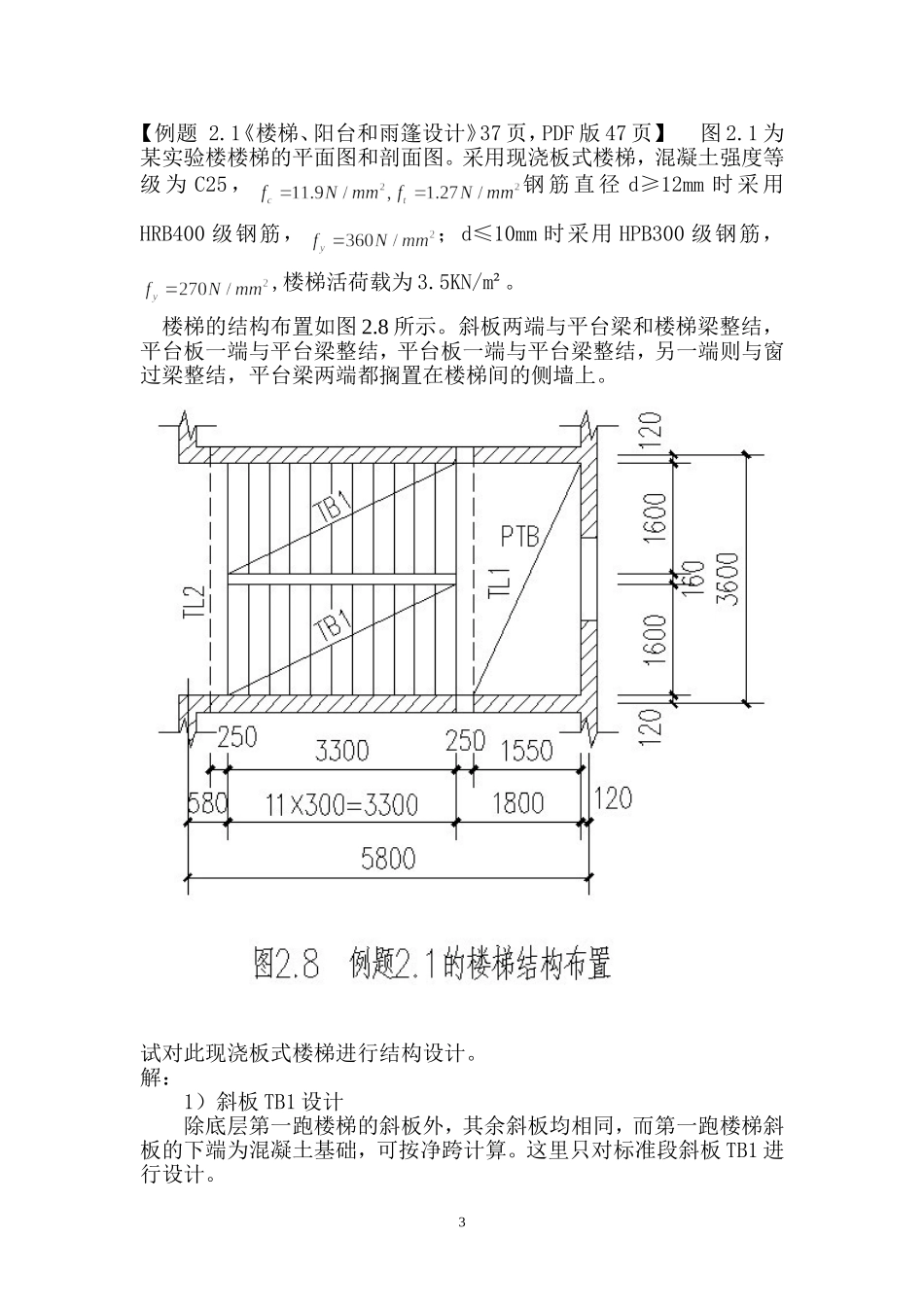
板式楼梯计算实例2【例题2.1《楼梯、阳台和雨篷设计》37页,PDF版47页】图2.1为某实验楼楼梯的平面图和剖面图。采用现浇板式楼梯,混凝土强度等级为C25,钢筋直径d≥12mm时采用HRB400级钢筋,;d≤10mm时采用HPB300级钢筋,,楼梯活荷载为3.5KN/m²。楼梯的结构布置如图2.8所示。斜板两端与平台梁和楼梯梁整结,平台板一端与平台梁整结,平台板一端与平台梁整结,另一端则与窗过梁整结,平台梁两端都搁置在楼梯间的侧墙上。试对此现浇板式楼梯进行结构设计。解:1)斜板TB1设计除底层第一跑楼梯的斜板外,其余斜板均相同,而第一跑楼梯斜板的下端为混凝土基础,可按净跨计算。这里只对标准段斜板TB1进行设计。3对斜板TB1取1m宽作为其计算单元。(1)确定斜板厚度t斜板的水平投影净长为l1n=3300mm斜板的斜向净长为斜板厚度为t1=(1/25~1/30)l1n=(1/25~1/30)×3300=110~120mm,取t1=120mm。(根据“混凝土结构构造手册(第四版)”384页)(2)荷载计算,楼梯斜板荷载计算见表2.3。表2.3楼梯斜板荷载计算荷载种类荷载标准值(KN/m)荷载分项系数荷载设计值(KN/m)恒荷载栏杆自重0.51.20.6三角形踏板自重1.26.2830厚水磨石面层1.21.18板底20厚水泥砂浆粉刷1.20.54小计g7.161.28.60活荷载q3.51.44.9总计p9.6613.50水磨石面层的容重为0.65KN/m²(GB50009-2012,附录A-15,84页);4纸筋灰容重16KN/m³(GB50009-2012,附录A-6,75页,实际工程中已被水泥砂浆代替)以上计算的荷载设计值是由可变荷载控制的组合,计算由永久荷载控制的组合,综合取p=13.50KN/m(3)计算简图如前所述,斜板的计算简图可用一根假想的跨度为l1n的水平梁替代,如图2.9所示。其计算跨度取斜板水平投影净长l1n=3300mm。对于底层第一跑楼梯的计算跨度,视下端与基础的结合情况而定。当下端是搁置在砖砌地垄墙上时,则应从地垄墙中心线起算;当下端与混凝土基础相连时,则可按净跨计算。(4)内力计算剪力V=1/2×p×l1n=0.5×13.50×3.3=22.28KN<0.7ftbh0=0.7×1.27×1000×100=88.9KN满足条件(GB50010-2010,6..3.3)斜板的内力,一般只需计算跨中最大弯矩即可。考虑到斜板两端均与梁整结,对板有约束作用,所以跨中最大弯矩取:(根据“混凝土结构构造手册(第四版)”384页)(5)配筋计算h0=t1-20=120-20=100mm(GB50010-2010,表8.2.1,Ⅰ类环境,板的受力筋的保护层厚度为15mm,,受力筋拟使用HRB400级钢筋)5,选用:①下部受力筋12@150,As=754mm²,不超筋②下部分布筋,As>max{0.15×754,0.15%×120×1000}=max{113.1,180}=180mm²(GB50010-2010,9.1.7当按单向板设计时,应在垂直于受力的方向布置分布钢筋,单位宽度上的配筋不宜小于单位宽度上的受力钢筋的15%,且配筋率不宜小于0.15%;分布钢筋直径不宜小于6mm,间距不宜大于250mm;当集中荷载较大时,分布钢筋的配筋面积尚应增加,且间距不宜大于200mm。当有实践经验或可靠措施时,预制单向板的分布钢筋可不受本条的限制;若按最小配筋率计算As>0.002×120×1000=240mm²),选用8@200,As=251mm²。以后可以不计算分布筋直接按照8@200,见构造手册383页。③上部支座负筋(GB50010-2010,9.1.6按简支边或非受力边设计的现浇混凝土板,当与混凝土梁、墙整体浇筑或嵌固在砌体墙内时,应设置板面构造钢筋,并符合下列要求:1钢筋直径不宜小于8mm,间距不宜大于200mm,且单位宽度内的配筋6面积不宜小于跨中相应方向板底钢筋截面面积的1/3。与混凝土梁、混凝土墙整体浇筑单向板的非受力方向,钢筋截面面积尚不宜小于受力方向跨中板底钢筋截面面积的1/3。2钢筋从混凝土梁边、柱边、墙边伸入板内的长度不宜小于l0/4,砌体墙支座处钢筋伸入板边的长度不宜小于l0/7,其中计算跨度l0对单向板按受力方向考虑,对双向板按短边方向考虑。3在楼板角部,宜沿两个方向正交、斜向平行或放射状布置附加钢筋。4钢筋应在梁内、墙内或柱内可靠锚固。构造手册384页建议支座配筋一般取跨中配筋量的1/3,配筋范围为ln/4),则As>1/3×754=251mm²,配12@200,As=565mm²,我单位要求通长配置,以利于抗震。④上部分布筋同下部分布筋的配置方法。选配8@200,...

1、当您付费下载文档后,您只拥有了使用权限,并不意味着购买了版权,文档只能用于自身使用,不得用于其他商业用途(如 [转卖]进行直接盈利或[编辑后售卖]进行间接盈利)。
2、本站所有内容均由合作方或网友上传,本站不对文档的完整性、权威性及其观点立场正确性做任何保证或承诺!文档内容仅供研究参考,付费前请自行鉴别。
3、如文档内容存在违规,或者侵犯商业秘密、侵犯著作权等,请点击“违规举报”。

碎片内容

板式楼梯计算实例

墨香书阁+ 关注
实名认证
内容提供者

热爱教学事业,对互联网知识分享很感兴趣

相关文档

确认删除?
VIP
微信客服
  • 扫码咨询
会员Q群
  • 会员专属群点击这里加入QQ群
客服邮箱
回到顶部