电脑桌面
添加小米粒文库到电脑桌面
安装后可以在桌面快捷访问

SWI-A56 硅片检测系统规格书 _3i SystemsVIP免费

SWI-A56 硅片检测系统规格书 _3i Systems_第1页
1/10
SWI-A56 硅片检测系统规格书 _3i Systems_第2页
2/10
SWI-A56 硅片检测系统规格书 _3i Systems_第3页
3/10
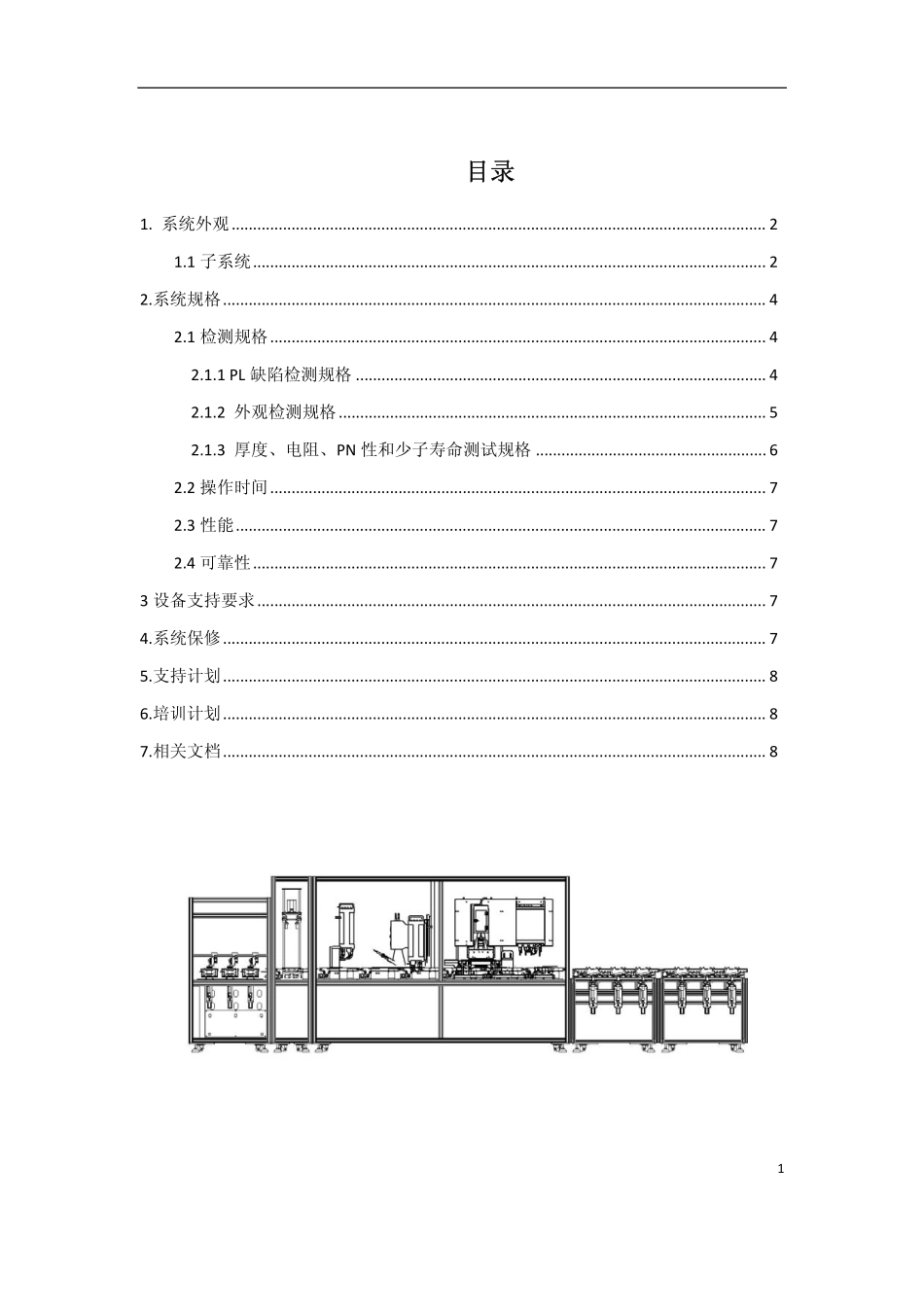
SWI-A56系统规格书3Systems1目录1.系统外观.............................................................................................................................21.1子系统........................................................................................................................22.系统规格...............................................................................................................................42.1检测规格....................................................................................................................42.1.1PL缺陷检测规格................................................................................................42.1.2外观检测规格....................................................................................................52.1.3厚度、电阻、PN性和少子寿命测试规格......................................................62.2操作时间....................................................................................................................72.3性能............................................................................................................................72.4可靠性........................................................................................................................73设备支持要求.......................................................................................................................74.系统保修...............................................................................................................................75.支持计划...............................................................................................................................86.培训计划...............................................................................................................................87.相关文档...............................................................................................................................82SWI-A56系统是3i公司利用光致荧光原理研发,用来检测太阳能电池硅片瑕疵,并承载太阳能电池硅片外观、厚度、电阻、PN性以及少子寿命检测与一体的多功能全自动化太阳能电池硅片分选设备。这个系统拥有强大的检测功能,通过PL缺陷检测模块和外观检测模块分选出太阳能电池硅片的瑕疵,可协助用户控制来料质量;通过厚度、电阻、PN性以及少子寿命测试模块检测样品性能,能够有效的协助用户了解来料样品性能。SWI-A56系统PL缺陷检测模块拥有由专门的影像光学系统和高灵敏度相机模组组成的高性能光度头,提供给用户来料芯片的高精度的全自动瑕疵检测;系统的外观检测模块是利用影测量技术结合ScorpionVisionSoftware,为用户的硅片测量实现了低噪声、高敏感、高可重复性、高分辨率的检测;系统的厚度、电阻和PN性检测模块利用一套无接触电容探头,为用户提供微米级精确度、毫欧级精确度和高重复性的测试解决方案;系统少子寿命测试模块利用逐点高速的扫描模式,为用户提供高效的的全自动检测。1.系统配置子系统配置PL缺陷检测模块(套)-影像光学&传感模块:短波红外镜头,专门为短波红外相机设计;高的红外透射率,能提供优秀的成像质量;红外透射可见吸收型滤光片,能有效的阻止可见光透过,降低外界信号对图像的影响;-影像获取模块:分辨率高于1000*1000高灵敏度近红外相机;高信噪比制冷传感器;曝光时间支持1s到20s,方便客户的各种检测需求;-照明系统:光纤耦合半导体激光器,采用进口激光模块,光束质量好,性能稳定;使用寿命:10000-20000小时;采用自主设计的激光整形装置,可将能量成高斯分布的激光整形为能量均匀分布的方形激光;-影像处理软件/算法:高分辨率...

1、当您付费下载文档后,您只拥有了使用权限,并不意味着购买了版权,文档只能用于自身使用,不得用于其他商业用途(如 [转卖]进行直接盈利或[编辑后售卖]进行间接盈利)。
2、本站所有内容均由合作方或网友上传,本站不对文档的完整性、权威性及其观点立场正确性做任何保证或承诺!文档内容仅供研究参考,付费前请自行鉴别。
3、如文档内容存在违规,或者侵犯商业秘密、侵犯著作权等,请点击“违规举报”。

碎片内容

SWI-A56 硅片检测系统规格书 _3i Systems

确认删除?
VIP
微信客服
  • 扫码咨询
会员Q群
  • 会员专属群点击这里加入QQ群
客服邮箱
回到顶部