电脑桌面
添加小米粒文库到电脑桌面
安装后可以在桌面快捷访问

码头施工方案VIP免费

码头施工方案_第1页
1/15
码头施工方案_第2页
2/15
码头施工方案_第3页
3/15
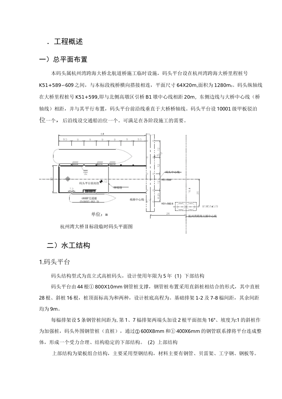
.工程概述一)总平面布置本码头属杭州湾跨海大桥北航道桥施工临时设施,码头平台设在杭州湾跨海大桥里程桩号K51+589〜609之间,与本标段栈桥横向搭接相连,平面尺寸64X20m,面积为1280m2。码头纵轴线在大桥里程桩号K51+599,即与北侧高墩区引桥B1墩中心线相距20m,东侧边线与大桥中心线(桥轴线)相距,并与其平行布置,码头平台前沿线垂直于大桥桥轴线。码头平台设10001级甲板驳泊位一个,后沿线设交通船泊位一个。可满足在各阶段施工的需要。二)水工结构1.码头平台码头结构型式为直立式高桩码头,设计使用年限为5年(1)下部结构码头平台由44根①800X10mm钢管桩支撑,钢管桩布置采用直斜桩相结合的形式,其中直桩28根、斜桩16根,桩顶面标高为和两种,设计桩底高程为。基础排架1-2及7-8榀间距,其余间距均为9m。每榀排架设5条钢管桩间距为,第1、7榀排架两端头加设2根平面扭角16°、坡度为:1的斜桩作为加强桩,码头外围钢管桩(直桩),通过①600X8mm和①400X6mm的钢管联系撑将平台连成整体,形成一个受力合理、结构稳定的下部结构。(2)上部结构上部结构为梁板组合结构,主要采用型钢结构,材料主要有钢管、贝雷架、工字钢、钢板等。码头平台主横梁选用3拼45a工字钢,主纵梁选用贝雷梁架,横向分配梁选用I36a工字钢、纵向分配梁选用I14工字钢,面板铺设58mm钢板。2.附属设施为兼顾高低水位船舶均能系靠码头,方便人员在不同水位上下,在码头前、后沿设系船柱、系船环及护轮坎;在码头前沿设置橡胶弦梯,后沿设置扶梯,平台外围设置栏杆、等附属设施。二.使用功能及标准(一)使用功能临时码头平台主要功能是为北航道桥B11、12、13墩施工提供材料、设备及施工人员的上、下船。码头平台使用期限为5年。(二)使用标准1)靠泊船型:<10001级驳船,船舶停靠时,应减速缓行,靠船速度VWs。2)作业标准:风力六级及六级以上大风时码头停止作业。3)停泊标准:允许风力<9级。4)荷载限量:均布荷载码头平台20KN/m2流动荷载挂车120,限速5Km/h起重设备251汽车式起重机,履带吊70。三.工艺流程图四.施工工艺(一)钢管桩插打码头最西侧一排钢管桩距栈桥只有3m,不便于打桩船的施工,采用履带吊配合震动锤方法进行桩基施工,其余桩基采用165t打桩船施工,上部结构采用QUY70履带吊逐孔架设。1.钢管桩接长钢管桩节段对接时,节段对口应保持在同一轴线上,如管端椭圆度较大,可通过夹具和楔子等工具校正。但拼装所用的夹具等辅助工具,不应妨碍管节焊接时的自由伸缩。管节对口拼装检查合格后,应先进行定位点焊,再进行正式施焊。(1)钢管的接长应分为钢管在加工场和平驳船上两地接长;(2)钢管桩顶面标高最低+4.99m,最高标高+,桩底标高为,钢管桩单根长在41〜43m之间,由于单节钢管较短,平板车的长度较短,施工中从安全和运输的角度考虑,需要对钢管进行两次加工接长;(3)需两次接长的钢管,先在岸上加工场,将分节好的钢管焊接成合适长度的钢管,由平板车通过栈桥运输至现场,再用履带吊吊放在平驳船上,然后根据施工的需要,将钢管焊接至将打入海底的钢管桩长度;2.钢管桩GPS定位测量人员事先按照图纸计算码头各钢管桩中心坐标,待钢管桩及打桩船到位后测量人员定位第一根要打的钢管桩位置,引导打桩船粗就位,打桩船就位后,由船上GPS系统精确定位。3.钢管桩插打钢管桩的插打,借鉴本标段栈桥在第二、三区段的插打方法。钢管桩插打前,工程技术人员和现场管理人员应充分了解打桩区域的工程地质、河床冲刷、流速和潮汐变化情况以及本海域的海洋天气情况,认真复核钢管桩位坐标,确认无误后,按管桩打设顺序填写相关表格,交付定位负责人员,以利于码头施工顺利开展。钢管桩单根长41〜43m,—次打设完毕,桩底标高为,桩顶标高分为+4.99m和+两种。打桩船自带起重设备,吊装驳船上的钢管,钢管桩的定位由打桩船GPS定位系统完成。施工流程如下:钢管桩插打应按顺序进行,有斜桩的部位,先打斜桩再打直桩。如现场施工需要调整打桩顺序,需跟技术员协调并征得同意,打桩顺序如下图:钢管桩插打施工要点及注意事项:(1)驳船、打桩船定位及抛锚a船只抛锚应考虑对通航的影响。各锚缆布置点应设置明...

1、当您付费下载文档后,您只拥有了使用权限,并不意味着购买了版权,文档只能用于自身使用,不得用于其他商业用途(如 [转卖]进行直接盈利或[编辑后售卖]进行间接盈利)。
2、本站所有内容均由合作方或网友上传,本站不对文档的完整性、权威性及其观点立场正确性做任何保证或承诺!文档内容仅供研究参考,付费前请自行鉴别。
3、如文档内容存在违规,或者侵犯商业秘密、侵犯著作权等,请点击“违规举报”。

碎片内容

码头施工方案

您可能关注的文档

确认删除?
VIP
微信客服
  • 扫码咨询
会员Q群
  • 会员专属群点击这里加入QQ群
客服邮箱
回到顶部