电脑桌面
添加小米粒文库到电脑桌面
安装后可以在桌面快捷访问

充电模块常见拓扑及调研报告VIP免费

充电模块常见拓扑及调研报告_第1页
1/19
充电模块常见拓扑及调研报告_第2页
2/19
充电模块常见拓扑及调研报告_第3页
3/19
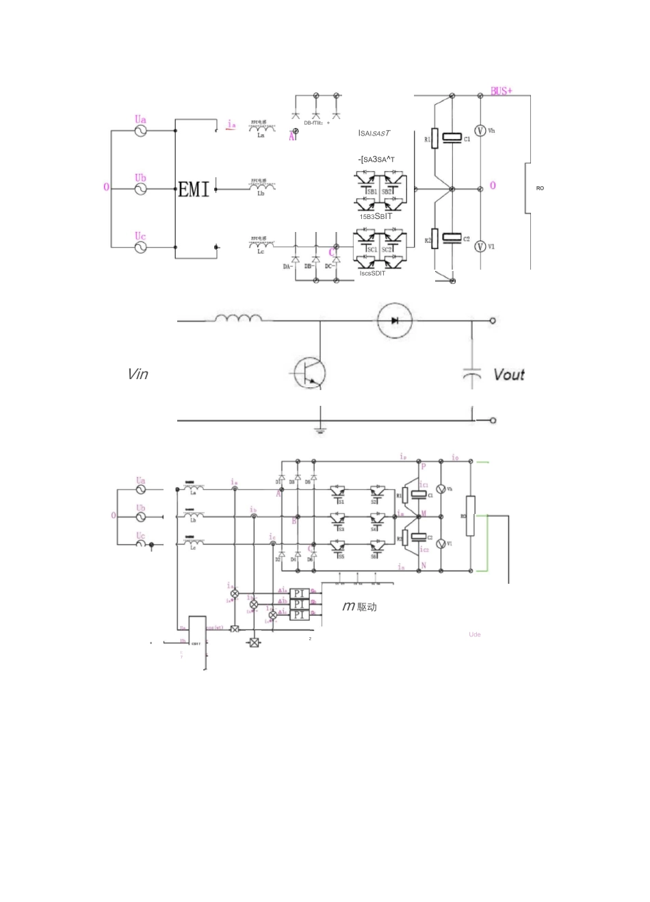
序号品牌功率(kW)型号前级PFC方案后级DC-DC方案土niBz体积功率密度(W/cm3、电压电流4深高1英飞源15REG50040VVIENNA—电平移相全桥电压150\/dc.550\/dc电流^宽深395847498682000215REG75030VVIENNA三电丨移相丄桥—电平移相全桥150\/dc〜750\/dc0・25A215395847丄3372103rnr^rnnrnx/\/TTMMA——电1移相丄桥—士VT73+口厶*i匸c\-rnn\/1-crnACC/C305C/1■7/inocorccc3A2丄CCIRLG50050Vnc/^-7匚cnc\/VILNNAX/TCMMA—电平移相丄桥—电平移+口丄桥1J0VdCJ00VdC•1-7irc\/;~050AC"A22UCl匚395840/17498.687丄3372.800non/i45英可瑞20151lEG’vUjUvEVR40015000VIENNAVIENNA电丨移相丄桥两$组—电平IIC丄桥串联150vdCf50VdC200Vdc4U0Vdc03334374A2155004108488100402.8040031561515EVR40015000EVR50015000VIENNAVIENNA两组—电平LLC全桥串联两组一电平IIC丄桥串联200Vdc^C00Vdc333A5005004104108518040174250061715EVR60015000VIENNA两组—电平LLC工桥串联两组一电平IIC丄桥串联100\/dc.600\/dc25・375A50041085丄7彳25006丄o1匚c\/ncnni匚cccd\/TCMMA两组——电|||C丄桥串联7FFM口—I=bKT7I1厂厶•灯utaTT¥CCC\/亠-7匚C匚0-7CA匚/IIA851"7/1C匚AOC18c151LVRU0015000Br\/R-7AA1匚cccVILNNA\/TCMMA两殂—电平LLC工桥串联7FFM口—I=bKT7I1厂厶•灯utaTT¥200VdC(50VdCccc\/亠~7匚2.53f.5JICmA500匚410/IIA85174251"7/1C0.861AOC19101515LVR/0015000EVR100015000VIENNAVIENNA两殂—电平LLC工桥串联两$组—电平LC工桥串联200VdC(50VdC200Vdc1000Vdc222A15165A50050041041085174251742U0.861006110111515EVR100015000EVR70015000BVIENNAVIENNA两组—电|LLC工桥串联两组一电平LC工桥串联200VdC1000VdC200Vdc^7C0Vdc1.516.5222A50044741037085SC1742569463021591C1ri-\/r>ucciircccr\\/TTMMA两组—电平LLC工桥串联乐厶口—rhEI1厂入+Xi=bTT¥rcc、/」--7rn\/!-cr0-7rA7171-7uc"rec1匸a1215LVRU0015000Dc\/nrnni匚cccdVIENNAX/TCMMA两组一电平LLC丄桥串联7FFM口—士El1厂厶■灯士口¥200Vdcf50Vdc2.53f.5AOOOA44/AA-l370426946.38CCiAC002.159丄3141515EVR50015000BEVR4001U000BVIENNAVIENNA两组—电平LLC全桥串联两$组—电平LC工桥串联200VdC500VdC200Vdc4U0Vdc333A\444A44/447370370424269416.386946302.15921U914151515EVR40015000BEVD70015000CVIENNAVIENNA两组—电|LLC工桥串联两组一电平LC工桥串联2UU\dC450VdC200Vdc^7C0Vdc4・‘44A222A44/24037042856946.3875482.15919071615EVD60015000CVIENNA两组—电平LLC工桥串联两组一电平LC工桥串联200Vdc^7C0Vdc25-.37UA2403708575481907171rr\/n匸cci匸ccck\/TTMMA两组—电平LLC工桥串联乐厶口—rhEI1厂入+Xi=bTT¥rcc\/」-rnn\/!-C"Ar”cor-ICAO1np7171o15LVD50015000Cr\/n/inni匚ccckVIENNAX/TCMMA两组一电平LLC丄桥串联7FFM口—士El1厂厶■灯士口¥200Vdc500Vdc333AAAAA240n/in370850c7548■7C/1O1.9871Q0718191520EVD40015000CEVD70020000CVIENNAVIENNA两组电平LLC全桥串联两$组—电平LC全桥串联200VdC1l50VdC200Vdc7U0Vdc4'‘44A2730A240240370370858575487U4O1.98726U019202020EVD70020000CE\/D50020000CVIENNAVIENNA两组—电|LLC全桥串联两组一电平LC全桥串联2UU\dCf50VdC200Vdc^C00Vdc2.f30A4'44A2402403708585754875482.65026502120EVD70020000VIENNA两组—电平LLC工桥串联两组一电平LC全桥串联200Vdc^750VdcA50041085174251140rcr\/nrnnccccc\/TTMMA两组——电|LLC丄桥串联乐厶口—rhEI1厂入+Xi=bTT¥rcc\/」-rnn\/!-uucAr”crrccr-ICAO2;华为20irLVID50020000nirccrcciVIENNA交错式PFC两组—电平LLC丄桥串联斗厶口一H-lVT7—+口六七±±|1厂岀時200VdC500VdCrcc\/」-rnn\/!-UU0ACT/CA240370A~lf\85er7548ecrur\u2.U501OC-7C/1151l(50030G1C-7匚CCCC1交错式IIC交错式PFC两组—电平—相交错LLC串联7F”口—l=bVT7—+口六e±t][厂士TT¥200VdC500VdC-7"\/亠03UACC/1A20Uecu470/I"83C3803U.0U02Uf\C.1.8671OU-l2425艾默生丄5ID75020G1ED7U020T错亠J|CVIENNA两-口电1相错LLC串联、—电平「C半桥300VdCf50VdC200Vdc7U0Vdc024A022A4504704...

1、当您付费下载文档后,您只拥有了使用权限,并不意味着购买了版权,文档只能用于自身使用,不得用于其他商业用途(如 [转卖]进行直接盈利或[编辑后售卖]进行间接盈利)。
2、本站所有内容均由合作方或网友上传,本站不对文档的完整性、权威性及其观点立场正确性做任何保证或承诺!文档内容仅供研究参考,付费前请自行鉴别。
3、如文档内容存在违规,或者侵犯商业秘密、侵犯著作权等,请点击“违规举报”。

碎片内容

充电模块常见拓扑及调研报告

wxg+ 关注
实名认证
内容提供者

该用户很懒,什么也没介绍

确认删除?
VIP
微信客服
  • 扫码咨询
会员Q群
  • 会员专属群点击这里加入QQ群
客服邮箱
回到顶部