电脑桌面
添加小米粒文库到电脑桌面
安装后可以在桌面快捷访问

一次母线制作和装配工艺VIP免费

一次母线制作和装配工艺_第1页
1/36
一次母线制作和装配工艺_第2页
2/36
一次母线制作和装配工艺_第3页
3/36
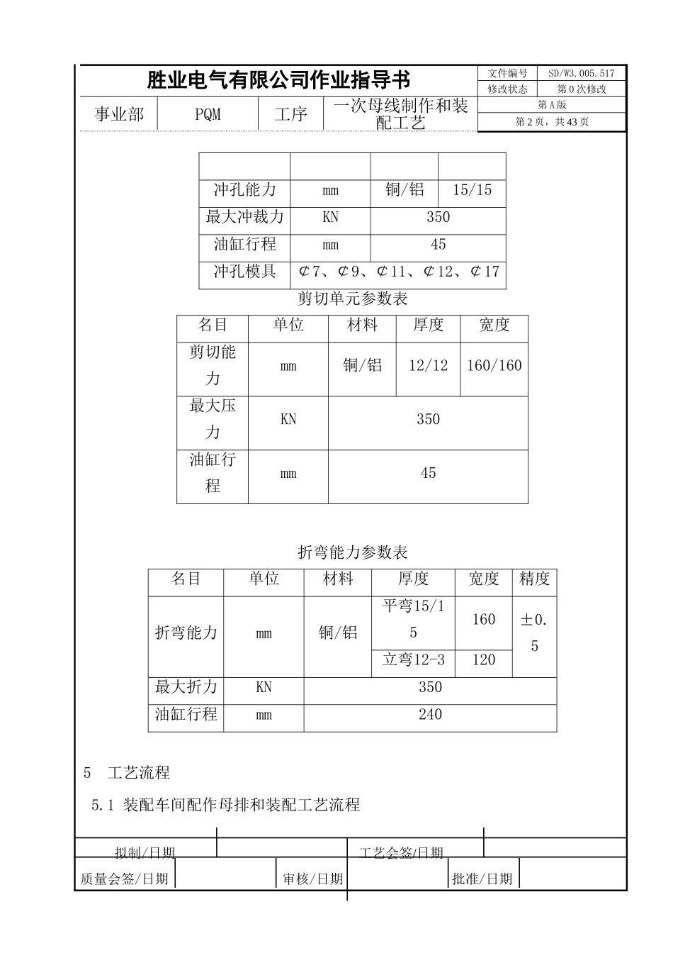
胜业电气有限公司作业指导书文件编号SD/W3.005.517修改状态第0次修改事业部PQM工序一次母线制作和装配工艺第A版第1页,共43页一次母线制作和装配工艺守则1范围本守则规定了本公司一次母线制作和装配的设备、工具及辅助材料、母排加工范围及基本参数、工艺流程、工艺过程及质量检验。本守则适用于我公司的高低压成套设备的母线制作、装配和检查。2规范性引用文件GB5273-1985变压器、高压电器和套管的接线端子GB/J149-1990电气装置安装工程母线装置施工及验收规范SY------一次导线冷压工艺守则3设备、工具、材料及辅助材料设备:三工位母排加工机(BM303-S-3-8PⅡ)、平台、台虎钳、台钻。工具:铅笔、钢尺、钢卷尺、角尺、钻头、木榔头、呆扳手、活动扳手、套筒、梅花扳手、扭力扳手、螺丝刀、平锉、钢印、气动工具等。材料:铜芯塑料导线、矩形截面铜母线(TMY)、矩形截面铝母线(LMY)。辅助材料:铜质线耳、绝缘、活走线夹、塑料扎带、塑料缠绕管、各种紧固件、导电膏、丙酮、砂布、棉纱等。4母排加工机加工范围及基本参数4.1冲孔单元见表1。冲孔单元参数表名目单位材料厚度拟制/日期工艺会签/日期质量会签/日期审核/日期批准/日期胜业电气有限公司作业指导书文件编号SD/W3.005.517修改状态第0次修改事业部PQM工序一次母线制作和装配工艺第A版第2页,共43页冲孔能力mm铜/铝15/15最大冲裁力KN350油缸行程mm45冲孔模具¢7、¢9、¢11、¢12、¢17剪切单元参数表名目单位材料厚度宽度剪切能力mm铜/铝12/12160/160最大压力KN350油缸行程mm45折弯能力参数表名目单位材料厚度宽度精度折弯能力mm铜/铝平弯15/15160±0.5立弯12-3120最大折力KN350油缸行程mm2405工艺流程5.1装配车间配作母排和装配工艺流程拟制/日期工艺会签/日期质量会签/日期审核/日期批准/日期胜业电气有限公司作业指导书文件编号SD/W3.005.517修改状态第0次修改事业部PQM工序一次母线制作和装配工艺第A版第3页,共43页或测量非标母排→编制母排工作通知单↓审核工程配置母排→现场母排工艺员编制派工单→母排加工中心加工母排母排镀锡(涂覆)→检验→装配→检验5.2母排加工使用数控母排冲孔机、折弯机制作工艺流程冲孔→剪断→折弯→自检5.3软导线加工流程下料→剥去绝缘外层→导线套入线管、线耳→线耳压接→套上热缩管6工艺过程6.1准备工作6.1.1根据施工单及图纸的要求,检查元件是否全部安装完毕,元件的安装位置是否影响母线的敷设,各种绝缘距离、飞弧距离、电气间隙是否符合要求(如不符合要求,须加热缩管、绝缘套等绝缘材料后才可进行一次母线安装配线)。6.1.2检查所有电器元件是否完好无损,发现有问题的元件应及时向有关人员提出、反映。6.1.3检查组装配置的支件是否合理、齐全,预留给用户的接线空间是否最大位置及足够。如存在用户接线困难甚至不能接线的情况,须向相关部门反映情况,等处理后再进行加工。6.1.4根据施工单及图纸,参考表13及附录A,按设计要求或回路额定电流确定母线型号规格(如因各种原因不能选用施工单或图纸上标注的母线,则拟制/日期工艺会签/日期质量会签/日期审核/日期批准/日期胜业电气有限公司作业指导书文件编号SD/W3.005.517修改状态第0次修改事业部PQM工序一次母线制作和装配工艺第A版第4页,共43页须由设计人员确定替代母线的规格,并在施工单或图纸上清楚地标注出来)。6.1.5所有的成套产品内一次母线都应布置矩形母线(母排)。当有设计要求或布置矩形母线有困难或电流太小时,才采用软导线。6.2矩形母线(母排)的测量及相关规定6.2.1熟悉施工单、图纸及各地区标准的相关要求,慎密考虑母线的相互间布置方案。要求母线布置按照横平竖直、尽量减少弯曲和接头的原则,确定母线走向。6.2.2母线布置方案应使电气安全距离最大,母线连接截面积最大,采用最短的母排尺寸,以节省母排材料。6.2.3母线一般不得交叉配置,应符合回路分明,整齐和美观的要求。同一工程相同产品母线走向一致;同一元件同一侧的三相及多片母线折弯起始位置应一致。6.2.4矩形母线的一般连接方式见附录B。6.2.5母线弯制分立弯和平弯两种方式(如图1),母线弯制时应符合下列规定。6.2.5.1母线开始弯曲...

1、当您付费下载文档后,您只拥有了使用权限,并不意味着购买了版权,文档只能用于自身使用,不得用于其他商业用途(如 [转卖]进行直接盈利或[编辑后售卖]进行间接盈利)。
2、本站所有内容均由合作方或网友上传,本站不对文档的完整性、权威性及其观点立场正确性做任何保证或承诺!文档内容仅供研究参考,付费前请自行鉴别。
3、如文档内容存在违规,或者侵犯商业秘密、侵犯著作权等,请点击“违规举报”。

碎片内容

一次母线制作和装配工艺

您可能关注的文档

确认删除?
VIP
微信客服
  • 扫码咨询
会员Q群
  • 会员专属群点击这里加入QQ群
客服邮箱
回到顶部