电脑桌面
添加小米粒文库到电脑桌面
安装后可以在桌面快捷访问

第七第八章的答案 液压控制的相关考试题VIP免费

第七第八章的答案  液压控制的相关考试题_第1页
1/38
第七第八章的答案  液压控制的相关考试题_第2页
2/38
第七第八章的答案  液压控制的相关考试题_第3页
3/38
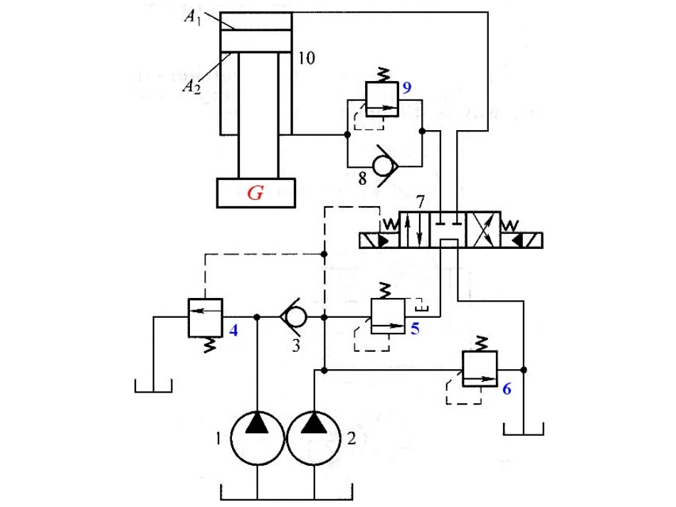
作业答案1.Ex.7-4图示系统中,已知立式安装液压缸的活塞及运动部件总重量为G,液压缸上下两腔有效面积分别为A1、A2,泵1和泵2的最大工作压力为p1、p2。不计管路压力损失,试问:(1)阀4、5、6、9各为什么阀?在系统中有何作用?(2)如何调节阀4、5、6、9的压力?(3)系统由哪些基本回路组成?第七章标号名称功用4外控内卸顺序阀高压阶段使油泵1卸荷。5内控外卸顺序阀电液换向阀中位时保持控制油路具有一定的压力。6直动式溢流阀限制系统最高工作压力。9内控内卸顺序阀作平衡阀用,控制重物下降速度解:(1)阀4、5、6、9的名称和在系统中的作用调节压力p阀4p大于快速运动的最高压力,小于慢速运动的最低压力。阀5压力p作用于液动换向阀阀芯上,产生的液压力可驱动阀芯移动换向。阀6p等于系统的最高工作压力。阀9p略大于重物重量引起的下腔压力。(2)阀4、5、6、9的压力调节限压回路;采用卸荷阀的卸荷回路、换向阀中位机能卸荷回路;采用内控平衡阀的平衡回路;双泵供油增速回路;换向阀换向回路。(3)系统包含的基本回路组成2.图示液压系统,已知各压力阀的调整压力分别为:pY1=6MPa,pY2=5MPa,pY3=2MPa,pY4=1.5MPa,pJ=2.5MPa,图中活塞已顶在工件上。忽略管道和换向阀的压力损失,试问当电磁铁处于不同工况时,A、B点的压力值各为多少?5MPa1.5MPa2MPa6MPapY12.5MPapY3pY2pY4pJ工件BA1DT2DT3DT4DT123451DT----+2DT+----3DT-+--+4DT+-+--AB123451DT----+2DT+----3DT-+--+4DT+-+--A5MPa2MPa6MPa6MPa0B1.5MPa2MPa1.5MPa2.5MPa0解:3.Ex.7-6图示为某一磨床液压系统,已知泵的输出流量qp=30L/min,溢流阀调整压力pY=2.4MPa,油缸两腔有效面积分别为A1=50cm2和A2=25cm2,切削阻力FL=3000N,摩擦力为Ff=1000N,工进时流过调速阀的流量q=1.2L/min,不计各种泄漏和压力损失,试求:(1)快进时活塞的运动速度v1和回路效率η1;(2)工进时活塞的运动速度v2及回路效率η2。解:(1)快进时负载阻力仅为摩擦力Ff,背压力为0,因此系统的压力:p=Ff/A1=1000÷(50×10-4)=0.2(MPa)活塞的运动速度v1=qp/A1=30×10-3÷(50×10-4)=6(m/min)回路效率η1=FL·v1/p·qp=0(2)工进时流入液压缸大腔的流量q1=q2·A1/A2=1.2×50×10-4÷(25×10-4)=2.4(L/min)

1、当您付费下载文档后,您只拥有了使用权限,并不意味着购买了版权,文档只能用于自身使用,不得用于其他商业用途(如 [转卖]进行直接盈利或[编辑后售卖]进行间接盈利)。
2、本站所有内容均由合作方或网友上传,本站不对文档的完整性、权威性及其观点立场正确性做任何保证或承诺!文档内容仅供研究参考,付费前请自行鉴别。
3、如文档内容存在违规,或者侵犯商业秘密、侵犯著作权等,请点击“违规举报”。

碎片内容

第七第八章的答案 液压控制的相关考试题

您可能关注的文档

文泉书屋+ 关注
实名认证
内容提供者

热爱教学事业,对互联网知识分享很感兴趣

确认删除?
微信客服
  • 扫码咨询
会员Q群
  • 会员专属群点击这里加入QQ群