电脑桌面
添加小米粒文库到电脑桌面
安装后可以在桌面快捷访问

电容的识别和测量VIP免费

电容的识别和测量_第1页
1/2
电容的识别和测量_第2页
2/2
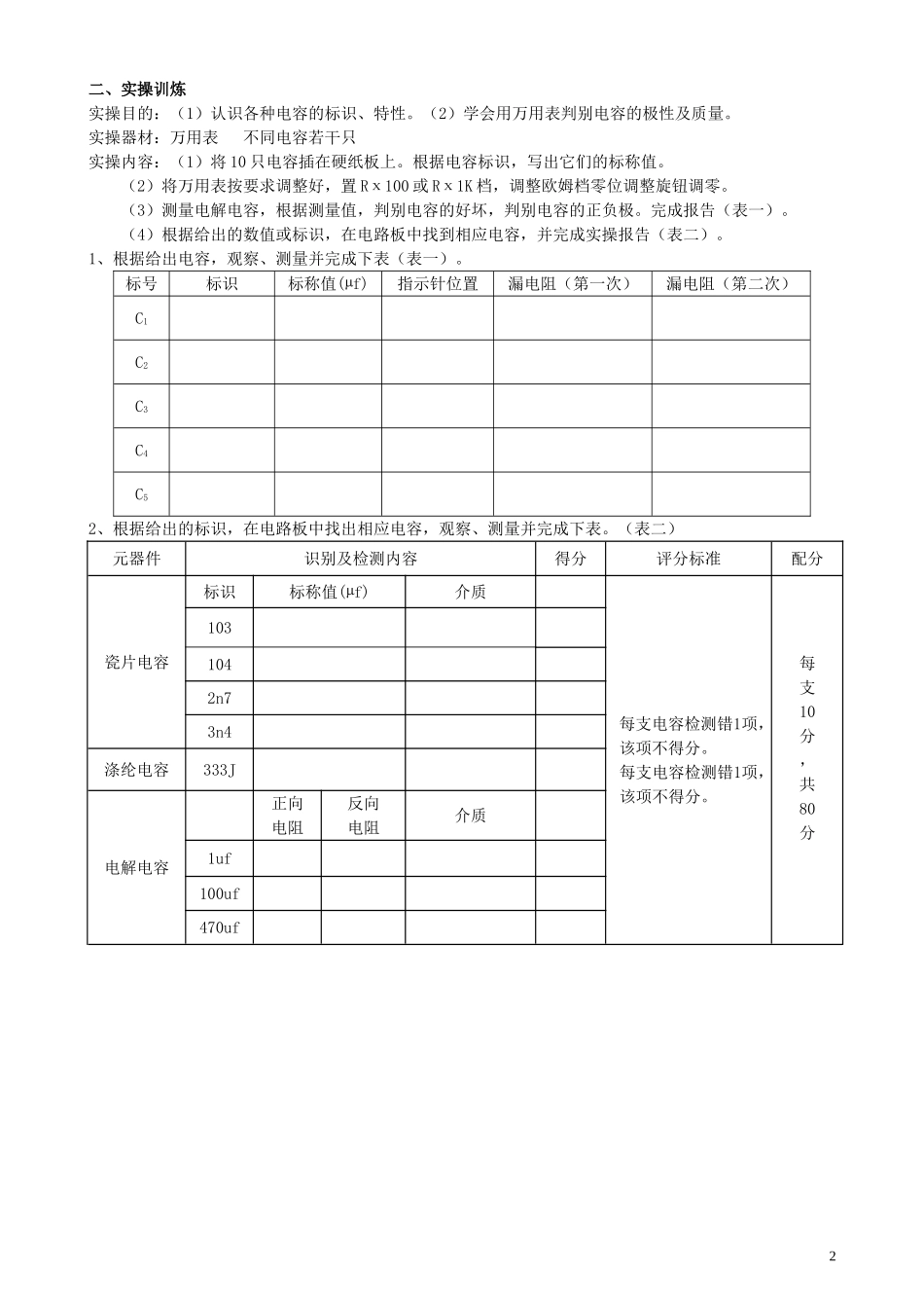
电容的识别和测量一、理论分析1、电容器的基本概念:顾名思义,电容器就是“储存电荷的容器”。2、电容器的结构、符号单位:F,μF,pF电容的单位换算如下:1F=1000000uF=100000000nF=1000000000000pF1法拉(F)=1000毫法(mF)=1000000微法(μF)1微法(μF)=1000纳法(nF)=1000000皮法(pF)。电容的基本单位用法拉(F)表示1F=1000000µF105=1µF=1000nF=1000000pF104=0.1µF103=0.01µF=10000PF102=0.001µF=1000PF224=0.22uF[国产电容容量误差用符号F、G、J、K、L、M来表示,允许误差分别对应为±1%、±2%、±5%、±10%、±15%、±20%。进口电容的标识,基本单位,单位换算关系:单位:基本单位为P,辅助单位有G,M,N。换算关系为:1G=1000µF、1M=1µF=1000PF例如:6G8=6.8G=6800µF;2P2=2.2µF;M33=0.33µF;68n=0。068µF有的电容器用数码表示,数码前2位为电容两有效数字,第3位有效数字后面“零的”个数。数码后缀J(5%)、K(10%)、M(20%)代表误差等级。如222K=2200PF+10%,应特别注意不要将J、K、M与我国电阻器标志相混,更不要把电容器误为电阻器。4、电容器的判别1)用万用表的电阻挡测量电解电容的极性我们知道只有电解电容的正极接电源正(电阻挡时的黑表笔),负端接电源负(电阻挡时的红表笔)时,电解电容的漏电流才小(漏电阻大)。反之,则电解电容的漏电流增加(漏电阻减小)。测量时,先假定某极为“+”极,让其与万用表的黑表笔相接,另一电极与万用表的红表笔相接,记下表针停止的刻度(表针靠左阻值大),然后将电容器放电(既两根引线碰一下),两只表笔对调,重新进行测量。两次测量中,表针最后停留的位置靠左(阻值大)的那次,黑表笔接的就是电解电容的正极。测量时最好选用R*100或R*1K挡。2)用万用表的电阻挡测量电容的质量(如下图所示)(1)选档:视电解电容器容量大小,通常选用万用表的R×100、R×1K挡。(2)方法:红、黑表笔分别接电容器的两极(每次测试前,需将电容器放电):表针迅速向右摆起,然后慢慢向左退回原位,一般来说电容器是好的。如果表针摆起后不再回转,说明电容器已经击穿。如果表针摆起后逐渐退回到某一位置停住,则说明电容器已经漏电。如果表针摆不起来,说明电容器电解质已经干涸失去容量。说明:有些漏电的电容,用上述方法不易准确判断出好坏。当电容的耐压值大于万用表内电池电压值时,根据电解电容器正向充电时漏电电流小,反向充电时漏电电流大的特点,可采用R×10K挡,对电容器进行反向充电,观察表针停留处是否稳定(即反向漏电电流是否恒定),由此判断电容质量,准确度较高。黑表笔接电容的负极,红表笔接电容的正极,表针迅速摆起,然后逐渐退至某处停留不动,则说明电容器是好的,凡表针在某一位置停留不稳或停留后又逐渐慢慢向右移动的电容已经漏电,不能使用。表针一般停留并稳定在50-200K刻度范围内。1二、实操训炼实操目的:(1)认识各种电容的标识、特性。(2)学会用万用表判别电容的极性及质量。实操器材:万用表不同电容若干只实操内容:(1)将10只电容插在硬纸板上。根据电容标识,写出它们的标称值。(2)将万用表按要求调整好,置Rх100或Rх1K档,调整欧姆档零位调整旋钮调零。(3)测量电解电容,根据测量值,判别电容的好坏,判别电容的正负极。完成报告(表一)。(4)根据给出的数值或标识,在电路板中找到相应电容,并完成实操报告(表二)。1、根据给出电容,观察、测量并完成下表(表一)。标号标识标称值(µf)指示针位置漏电阻(第一次)漏电阻(第二次)C1C2C3C4C52、根据给出的标识,在电路板中找出相应电容,观察、测量并完成下表。(表二)元器件识别及检测内容得分评分标准配分瓷片电容标识标称值(µf)介质每支电容检测错1项,该项不得分。每支电容检测错1项,该项不得分。每支10分,共80分1031042n73n4涤纶电容333J电解电容正向电阻反向电阻介质1uf100uf470uf2

1、当您付费下载文档后,您只拥有了使用权限,并不意味着购买了版权,文档只能用于自身使用,不得用于其他商业用途(如 [转卖]进行直接盈利或[编辑后售卖]进行间接盈利)。
2、本站所有内容均由合作方或网友上传,本站不对文档的完整性、权威性及其观点立场正确性做任何保证或承诺!文档内容仅供研究参考,付费前请自行鉴别。
3、如文档内容存在违规,或者侵犯商业秘密、侵犯著作权等,请点击“违规举报”。

碎片内容

电容的识别和测量

中小学文库+ 关注
实名认证
内容提供者

精品资料应用尽有

确认删除?
VIP
微信客服
  • 扫码咨询
会员Q群
  • 会员专属群点击这里加入QQ群
客服邮箱
回到顶部