电脑桌面
添加小米粒文库到电脑桌面
安装后可以在桌面快捷访问

路灯设计简明经验VIP免费

路灯设计简明经验_第1页
1/11
路灯设计简明经验_第2页
2/11
路灯设计简明经验_第3页
3/11
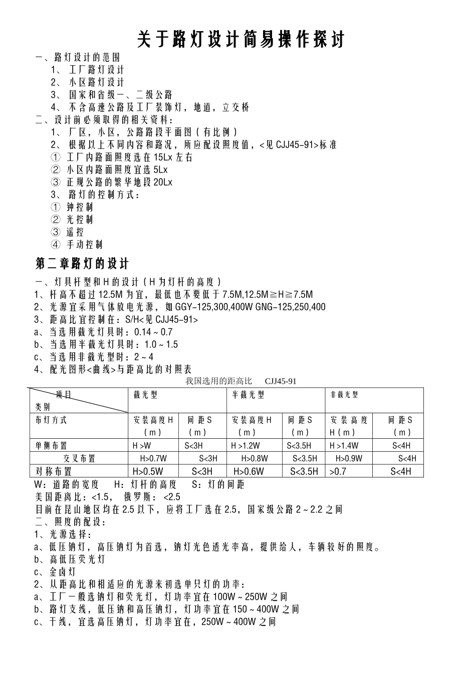
关于路灯设计简易操作探讨一、路灯设计的范围1、工厂路灯设计2、小区路灯设计3、国家和省级一、二级公路4、不含高速公路及工厂装饰灯,地道,立交桥二、设计前必须取得的相关资料:1、厂区,小区,公路路段平面图(有比例)2、根据以上不同内容和路况,所应配设照度值,<见CJJ45-91>标准①工厂内路面照度选在15Lx左右②小区内路面照度宜选5Lx③正规公路的繁华地段20Lx3、路灯的控制方式:①钟控制②光控制③遥控④手动控制第二章路灯的设计一、灯具杆型和H的设计(H为灯杆的高度)1、杆高不超过12.5M为宜,最低也不要低于7.5M,12.5M≧H≧7.5M2、光源宜采用气体放电光源,如GGY-125,300,400WGNG-125,250,4003、距高比宜控制在:S/H<见CJJ45-91>a、当选用截光灯具时:0.14~0.7b、当选用半截光灯具时:1.0~1.5c、当选用非截光型时:2~44、配光图形<曲线>与距高比的对照表我国选用的距高比CJJ45-91项目类别截光型半截光型非截光型布灯方式安装高度H(m)间距S(m)安装高度H(m)间距S(m)安装高度H(m)间距S(m)单侧布置H>WS<3HH>1.2WS<3.5HH>1.4WS<4H交叉布置H>0.7WS<3HH>0.8WS<3.5HH>0.9WS<4H对称布置H>0.5WS<3HH>0.6WS<3.5H>0.7S<4HW:道路的宽度H:灯杆的高度S:灯的间距美国距离比:<1.5,俄罗斯:<2.5目前在昆山地区均在2.5以下,应将工厂选在2.5,国家级公路2~2.2之间二、照度的配设:1、光源选择:a、低压钠灯,高压钠灯为首选,钠灯光色透光率高,提供给人,车辆较好的照度。b、高低压荧光灯c、金卤灯2、从距高比和相适应的光源来初选单只灯的功率:a、工厂一般选钠灯和荧光灯,灯功率宜在100W~250W之间b、路灯支线,低压钠和高压钠灯,灯功率宜在150~400W之间c、干线,宜选高压钠灯,灯功率宜在,250W~400W之间3、求照度:a、照度公式:N:路灯排列方式值,单排为1,对排为”2”,交错为”2”:一个照明器的光通量V:利用系数:光损失系数<0.6~0.7>S:路灯间距W:道路宽度b、关于利用系数〈见附表1、2、3〉附表1附表2附表3路灯利用系数较低<见表>灯功率W/H400W250W125W距离/灯高10.130.150.1820.1850.2150.2430.210.2320.2840.2140.2450.28550.220.250.2960.2250.2550.3C、路灯利用系数是通过试验得到的一般宜选低值第三章供电线路与压降的设计一、供电线路:1、工厂路灯供电线路一般选用a、VV22-5×4YJV22-5×4直埋入灯杆基础,穿保护管b、VV22-5×6YJV22-5×6直埋入灯杆基础,穿保护管c、VV-5×4YJV-5×4<穿φ32CFRP管>VV-5×6YJV-5×6<穿φ32CFRP管>2、三相五线制a、L1、L2、L3各相负荷要分配均匀b、N相在灯杆内不装熔断器c、PE专供灯杆保护接地,并补依每灯杆基础接地极为总的保护3、国家级公路:直接选用YJV-4×16+1×10,全线穿CFRP直径40保护管国家级公路路灯安装较长,几公里到几十公里,导线截面小输送距离短,导线截面大弯曲进入灯杆困难,经过相当摸索一般设计和施工经验认为16最为适宜,输送距离一个回路为1KM左右。选择三相五线制原因如下:a、PE线是灯杆接地保护专用b、防止N线断线后,相线和N线不平衡产生的零序电压,显现在灯杆上对人身产生危害。C、三相必须是,L1、L2、L3每个灯顺序排列均匀分布:消除闪烁压降均衡降低零序电压值二、压降的计算1、压降计算的准确可提供最经济的结果2、压降值在1KM之内,控制在10%3、压降计算可人工计算或利用洁晨、天正电脑进行计算,两者计算结果基本上一致,电脑方便快准确人工计算较辛苦4、人工计算:a、每KM单位压降b、每A单位压降c、理论计算公式:三相平衡负荷:电流距:△U%=I·L功率距:S:截面积C:当cosΦ为1时的计算系数U,每KM,A值d、查表计算法:电缆截面积电阻80℃Ω/KM电抗Ω/KMU%%/A.KmcosΦ0.60.70.80.9以上这两个值亦可为每KM、A单位压降值45.3220.0971.4941.7331.9712.20763.5540.0921.0061.1641.3211.476102.1750.0850.6260.7220.8160.909161.3590.0820.4020.4600.5180.5745、计算例:路灯距离,0.8KM距高比为2.5,杆高为10M,灯距25M共安装32盏灯,每盏灯250W共有8Kw负荷分配,L1为11只,L2为11只,L3为10只Pjs=8.25cosΦ=0.9Ijs=13.93Kx=1a、选16电缆0.4KM为一段,负荷电流为...

1、当您付费下载文档后,您只拥有了使用权限,并不意味着购买了版权,文档只能用于自身使用,不得用于其他商业用途(如 [转卖]进行直接盈利或[编辑后售卖]进行间接盈利)。
2、本站所有内容均由合作方或网友上传,本站不对文档的完整性、权威性及其观点立场正确性做任何保证或承诺!文档内容仅供研究参考,付费前请自行鉴别。
3、如文档内容存在违规,或者侵犯商业秘密、侵犯著作权等,请点击“违规举报”。

碎片内容

路灯设计简明经验

确认删除?
VIP
微信客服
  • 扫码咨询
会员Q群
  • 会员专属群点击这里加入QQ群
客服邮箱
回到顶部