电脑桌面
添加小米粒文库到电脑桌面
安装后可以在桌面快捷访问

膨胀体系阻燃剂VIP免费

膨胀体系阻燃剂_第1页
1/8
膨胀体系阻燃剂_第2页
2/8
膨胀体系阻燃剂_第3页
3/8
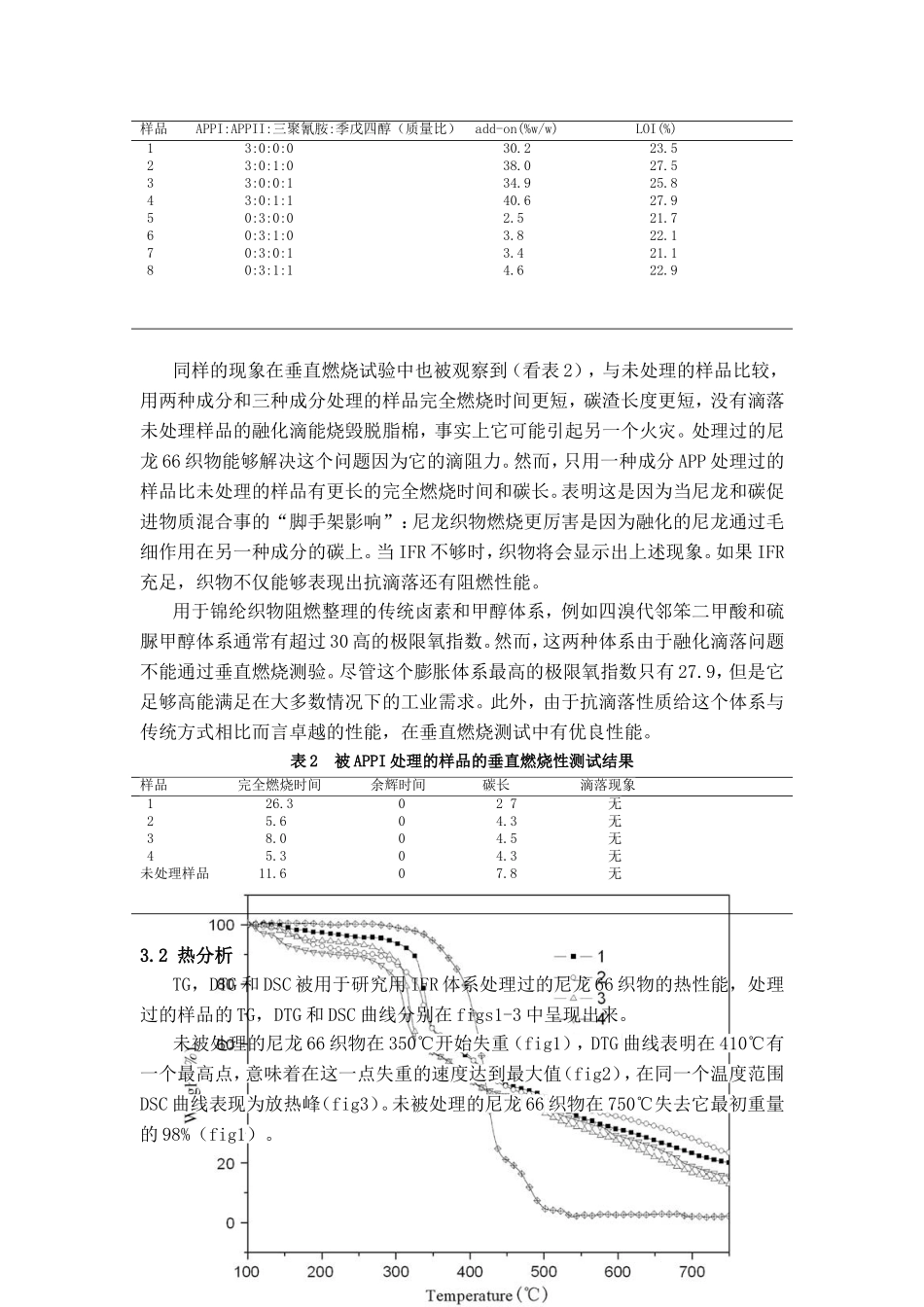
抗滴落膨胀型助燃剂整理尼龙66织物李玲瑶,陈国华,刘伟,李建复摘要:尼龙66织物多年来被广泛的用于军事和民用领域。然而,尽管经过过去20年的努力融化滴落问题一直未有效解决。一个膨胀的助燃剂系统,包含聚磷酸铵,三聚氰胺和季戊四醇,研究已经证明在尼龙66织物燃烧过程中能有效阻止融化滴落。极限氧指数和垂直燃烧测试表明IFR(膨胀阻燃剂)能够提高尼龙66织物的阻燃性,传递滴阻力给它。被IFR处理过的尼龙66织物的热行为通过热重TG和差示扫描量热(DSC)实验进行研究。结果表明处理样品的碳渣在13%以上,在750℃最高值可以达到24%,比未处理的织物高得多。处理过和未处理尼龙66的残渣SEM图表明IFR能够促进传导抗滴落性质给尼龙66的碳渣的形成。拉伸性能测试表明整理后织物的拉伸强度下降。2009年爱思唯尔有限公司版权所有关键字:抗滴落膨胀型复合阻燃剂尼龙66织物碳生成1.引言近几年来,阻燃整理的尼龙织物因为它在军用和民用这两个领域的优良的最终使用性能被越来越多的关注。尼龙阻燃整理的一个困难是尼龙通常会致使水溶性的低的反应性,另一个困难是在燃烧时会导致火蔓延的融化滴的形成。许多关于尼龙织物基于不同配方的阻燃整理的文章已经出版。卤代阻燃剂,例如溴系阻燃剂,硫脲甲醇树脂和环磷酰氯衍生物,由于他们有效的阻燃性被用于尼龙织物。许多关于甲醇能够给予尼龙可能的反应性的尼龙改性的研究在其他地方发布。然而,卤素和甲醇的阻燃体系正在经历越来越多的压力因为可能对环境造成的危害的担忧的增长。因此,磷基和膨胀阻燃体系吸引了越来越多对尼龙织物的阻燃处理的关注。然而,这些技术没有一个取得任何实质的商业成功。在这项研究中,在尼龙织物上的聚磷酸铵,三聚氰胺和季戊四醇膨胀型复合阻燃体系的抗滴落效果已经被调查。阻燃剂的性能和处理样品的洗涤耐久性通过极限氧指数和垂直可燃性测试来评估。热重和差示扫描量热试验的开展是研究碳形成和热行为。残余碳的结构通过扫描电子显微镜检查法来观察。2.实验2.1原材料尼龙织物:密度为165g/m2,100%的尼龙66机织物,中国成都海荣技术纺织品有限公司提供。聚磷酸铵(APP):(1)APPI,10-20的聚合度,中国成都同理代理提供。(2)APPII,聚合度超过20,中国北京乐泰化学提供。2.2阻燃处理织物首先被浸没于一个整理方案,然后通过一个withtwodipsandtwonips的电容器,最后在135摄氏度干燥4分钟。在这个研究中,所有的浓度在电解液的重量,尼龙66织物的湿涂层量大约为70%,两个锟之间的压力为0.1Mpa。2.3评价阻燃性能极限氧指数根据GB/T2403-1993,通过用中国江宁LOI来测定。垂直燃烧性能根据GB/T5455-1997,通过中国江宁CZF-3仪器测定。2.4热分析热重和差示扫描量热试验通过使用HENVENHCT-1TGDSC分析仪来实施。样品重量在2-3mg范围内。所有的用于热重和差示扫描量热试验的样品都在静止的空气氛围中从25℃到800℃中以10℃/min加热速度测定。2.5扫描电子显微镜检查法(SEM)扫描电子显微镜分析通过日立S4700仪器实施,为了研究处理样品残余碳和未处理样品滴落物的表面。处理过的和未处理的织物样品在空气中燃烧,他们的碳渣样品用于SEM试验。2.6测试拉伸性质25×4cm大小的样品用于通过中国根据FZ65001-1995标准制造的通用T4104电子张力器来拉伸性能的一个实验。拉伸速度是10cm/min,夹紧距离是20cm。3.结果与讨论3.1阻燃性能尼龙66织物分别被两种不同的膨胀型复合阻燃体系处理,包括APPI和APPII。由于APPI在水中的好的溶解性,它的浓度是90%,而APPII的浓度为30%因为它低的溶解性。处理过的样品的LOI值在表1呈现出来。用APPI处理的样品的LOI值显著的高于用APPII处理样品的LOI值。最高的LOI值出现在包含APPI、三聚氰胺和季戊四醇的配方中(质量比3:1:1)。这是在膨胀型阻燃剂体系中APP作为酸源,三聚氰胺作为气源和季戊四醇作为碳源的协同效应的结果。在所有的处理样品中没有观察到融化滴落现象。在初始阶段的燃烧,一个能阻挡火焰蔓延的烧焦区域在样品表面形成以后,火焰在处理样品的顶端蔓延。表1用不同配方处理的尼龙66织物的LOI值(%)样品APPI:APPII:三聚氰胺:季戊四醇(质量比)add-on(%w/w)LOI(%)13:0:...

1、当您付费下载文档后,您只拥有了使用权限,并不意味着购买了版权,文档只能用于自身使用,不得用于其他商业用途(如 [转卖]进行直接盈利或[编辑后售卖]进行间接盈利)。
2、本站所有内容均由合作方或网友上传,本站不对文档的完整性、权威性及其观点立场正确性做任何保证或承诺!文档内容仅供研究参考,付费前请自行鉴别。
3、如文档内容存在违规,或者侵犯商业秘密、侵犯著作权等,请点击“违规举报”。

碎片内容

膨胀体系阻燃剂

您可能关注的文档

确认删除?
VIP
微信客服
  • 扫码咨询
会员Q群
  • 会员专属群点击这里加入QQ群
客服邮箱
回到顶部