电脑桌面
添加小米粒文库到电脑桌面
安装后可以在桌面快捷访问

运算器-存储器实验指导VIP免费

运算器-存储器实验指导_第1页
1/12
运算器-存储器实验指导_第2页
2/12
运算器-存储器实验指导_第3页
3/12
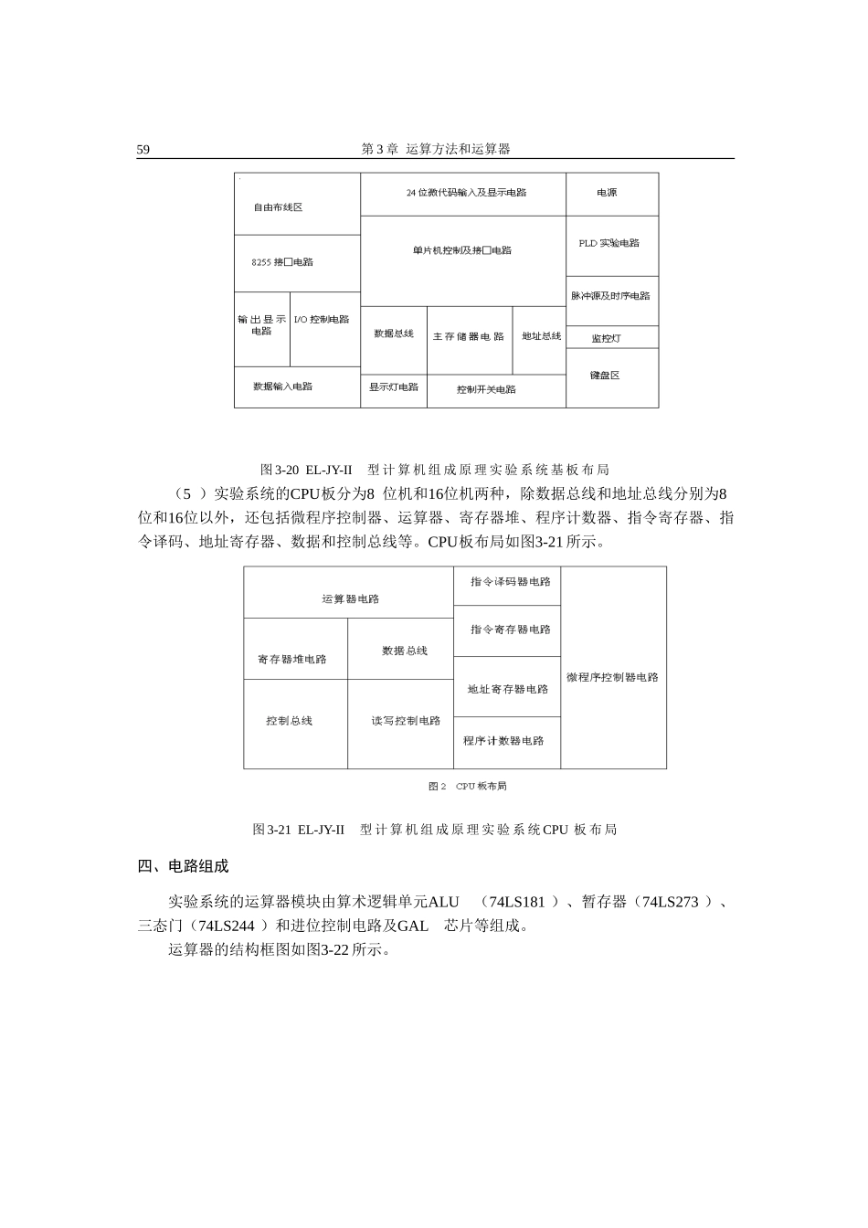
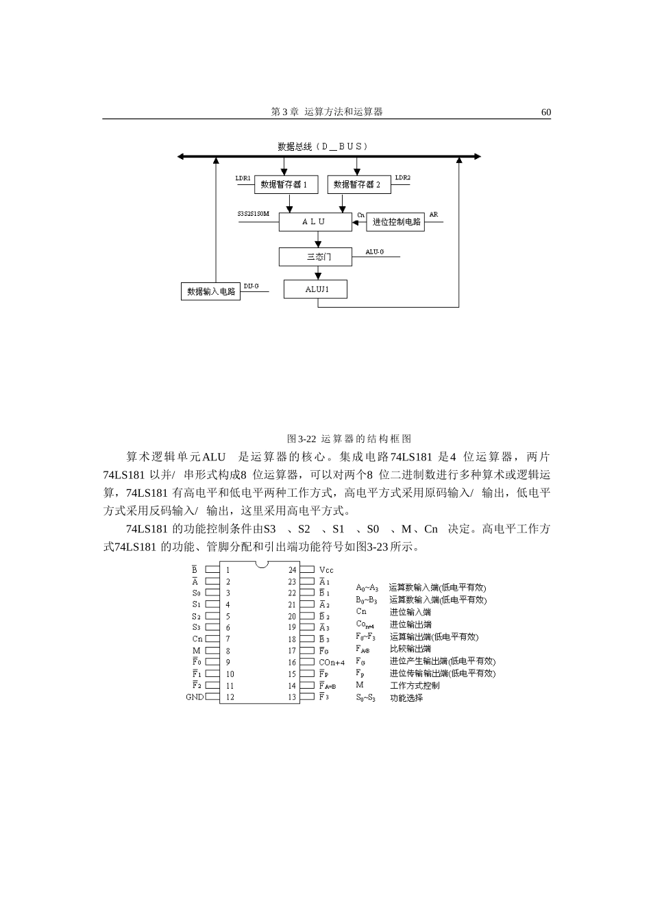
实验指导实验1基本算术逻辑运算实验一、实验目的1.掌握简单运算器的数据传送通路。2.掌握运算器的组成及工作原理。3.了解4位算术逻辑单元74LS181的组合功能,熟悉运算器执行算术操作和逻辑操作的具体实现过程。4.验证带进位控制的74LS181的功能。二、预习要求1.复习本次实验所用的各种数字集成电路的性能及工作原理。2.预习实验步骤,了解实验中要求的注意之处。三、实验设备EL-JY-II型计算机组成原理实验系统一套,排线若干。附:EL-JY-II型计算机组成原理实验系统简介(1)实验系统采用“基板+CPU板”形式,将系统公共部分放置在基板上,兼容8位机和16位机,同一套系统通过更换不同的CPU板即可完成8位机或16位机的实验。(2)实验系统提供面包板和PLD实验板,能自行设计实验内容。可在单片机控制下编程、显示和完成实验,也可在PC机上编程、传送、装载、调试和运行等,还可手动完成全部实验,具备单步执行一条微指令或一条机器指令、连续运行程序、联机打印等功能。(3)系统支持动态微程序设计,微程序指令格式及定义可由用户自行设计并装入E2PROM。采用红、黄、绿三种颜色指示灯以及数码管等多种形式的显示方法。(4)实验系统的基板是8位机和16位机的公共部分,包括数据输入/输出、显示及监控、脉冲源及时序、数据和地址总线、8255接口、单片机控制接口和键盘操作、与PC机通讯接口、主存储器、微代码输入及显示、电源、PLD实验板、自由布线区等。基板布局如图3-20所示。第3章运算方法和运算器图3-20EL-JY-II型计算机组成原理实验系统基板布局(5)实验系统的CPU板分为8位机和16位机两种,除数据总线和地址总线分别为8位和16位以外,还包括微程序控制器、运算器、寄存器堆、程序计数器、指令寄存器、指令译码、地址寄存器、数据和控制总线等。CPU板布局如图3-21所示。图3-21EL-JY-II型计算机组成原理实验系统CPU板布局四、电路组成实验系统的运算器模块由算术逻辑单元ALU(74LS181)、暂存器(74LS273)、三态门(74LS244)和进位控制电路及GAL芯片等组成。运算器的结构框图如图3-22所示。59第3章运算方法和运算器图3-22运算器的结构框图算术逻辑单元ALU是运算器的核心。集成电路74LS181是4位运算器,两片74LS181以并/串形式构成8位运算器,可以对两个8位二进制数进行多种算术或逻辑运算,74LS181有高电平和低电平两种工作方式,高电平方式采用原码输入/输出,低电平方式采用反码输入/输出,这里采用高电平方式。74LS181的功能控制条件由S3、S2、S1、S0、M、Cn决定。高电平工作方式74LS181的功能、管脚分配和引出端功能符号如图3-23所示。60第3章运算方法和运算器图3-2374LS181管脚分配及输出端功能符号两片74LS273作为两个8位数据暂存器,其控制信号分别为LDR1和LDR2,当LDR1和LDR2为高电平有效时,在T4脉冲的前沿,总线上的数据被送入暂存器保存。74LS273的管脚分配和引出端功能符号如图3-24所示。图3-2474LS273管脚分配及功能表三态门74LS244作为输出缓冲器,由ALU-G信号控制,ALU-G为“0”时,三态门开通,此时其输出等于其输入;ALU-G为“1”时,三态门关闭,此时其输出呈高阻。74LS244的管脚分配和引出端功能符号如图3-25所示。图3-2574LS244管脚分配及功能五、实验原理及实验内容1.实验原理实验中所用的运算器连线如图3-26所示(采用单片机键盘操作方式)。运算器由两片74LS181以并/串形式构成8位字长的ALU。运算器输出经过三态门74LS245和数据总线相连,运算器的两个数据输入端分别由两个锁存器74LS373锁存,锁存器的输入连至数据总线,数据显示灯已与数据总线相连,用来显示数据总线的内容。图3-26中除了T4为脉冲信号,其它均为电平信号。电路中时序信号均已连好。61第3章运算方法和运算器2.实验步骤及内容(1)按照原理图,参考连线图连接电路,仔细查线无误后,接通电源。(2)拨动清零开关CLR使指示灯灭。再拨动CLR使指示灯亮。(3)在监控滚动条显示[CLASSSELECt]时按[实验选择]键,显示[ES--__],输入“01”,按[确认]键,监控显示为[ES01],表示准备进入本实验程序,也可按[取消]键取消上一操作,重新输入。图3-26运算器实验连线(4)再按[确认]键,监控显示[InS...

1、当您付费下载文档后,您只拥有了使用权限,并不意味着购买了版权,文档只能用于自身使用,不得用于其他商业用途(如 [转卖]进行直接盈利或[编辑后售卖]进行间接盈利)。
2、本站所有内容均由合作方或网友上传,本站不对文档的完整性、权威性及其观点立场正确性做任何保证或承诺!文档内容仅供研究参考,付费前请自行鉴别。
3、如文档内容存在违规,或者侵犯商业秘密、侵犯著作权等,请点击“违规举报”。

碎片内容

运算器-存储器实验指导

文泉书屋+ 关注
实名认证
内容提供者

热爱教学事业,对互联网知识分享很感兴趣

确认删除?
VIP
微信客服
  • 扫码咨询
会员Q群
  • 会员专属群点击这里加入QQ群
客服邮箱
回到顶部