电脑桌面
添加小米粒文库到电脑桌面
安装后可以在桌面快捷访问

各区月考计算题VIP免费

各区月考计算题_第1页
1/27
各区月考计算题_第2页
2/27
各区月考计算题_第3页
3/27
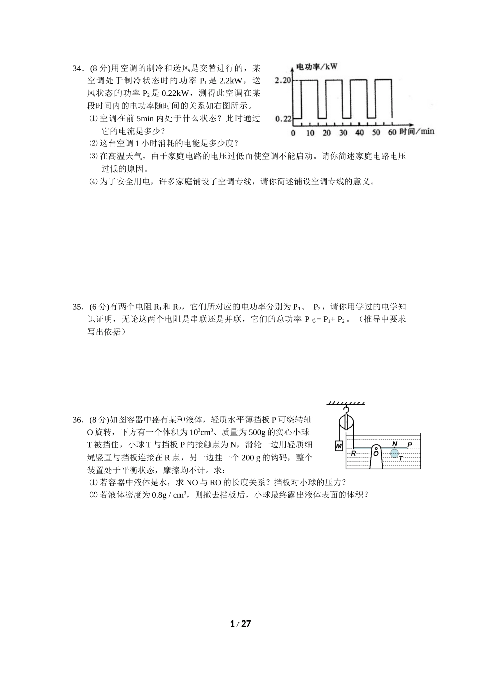
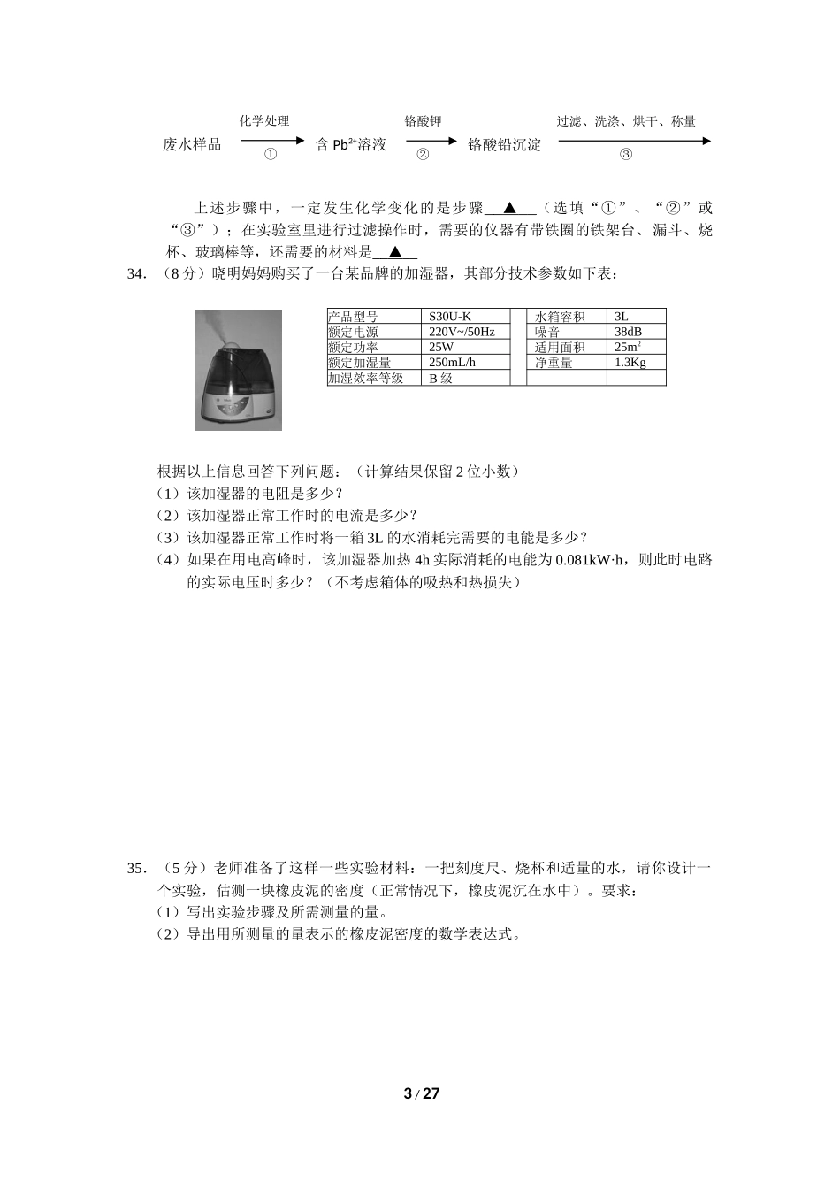
34.(8分)用空调的制冷和送风是交替进行的,某空调处于制冷状态时的功率P1是2.2kW,送风状态的功率P2是0.22kW,测得此空调在某段时间内的电功率随时间的关系如右图所示。⑴空调在前5min内处于什么状态?此时通过它的电流是多少?⑵这台空调1小时消耗的电能是多少度?⑶在高温天气,由于家庭电路的电压过低而使空调不能启动。请你简述家庭电路电压过低的原因。⑷为了安全用电,许多家庭铺设了空调专线,请你简述铺设空调专线的意义。35.(6分)有两个电阻R1和R2,它们所对应的电功率分别为P1、P2,请你用学过的电学知识证明,无论这两个电阻是串联还是并联,它们的总功率P总=P1+P2。(推导中要求写出依据)36.(8分)如图容器中盛有某种液体,轻质水平薄挡板P可绕转轴O旋转,下方有一个体积为103cm3、质量为500g的实心小球T被挡住,小球T与挡板P的接触点为N,滑轮一边用轻质细绳竖直与挡板连接在R点,另一边挂一个200g的钩码,整个装置处于平衡状态,摩擦均不计。求:⑴若容器中液体是水,求NO与RO的长度关系?挡板对小球的压力?⑵若液体密度为0.8g/cm3,则撤去挡板后,小球最终露出液体表面的体积?1/2737.(8分)化学实验小组的同学要测定从商店买来的某品牌纯碱中碳酸钠的质量分数(已知杂质为NaCl),经过讨论,他们设计并进行了如下实验(反应过程中不考虑水和氯化氢的挥发):取12g样品放入烧杯中,每次加入20g稀盐酸(不考虑水、氯化氢逸出)后用精密仪器称量,记录实验数据如下:加入稀盐酸次数1234567烧杯及所称物质总质量/g79.098.0117.0136.0155.6175.6195.6⑴第▲次加入稀盐酸后样品完全反应,共生成二氧化碳▲克。⑵请你帮助他们计算出样品中碳酸钠的质量分数(保留一位小数)。⑶求样品与稀盐酸恰好完全反应时所得溶液中溶质的质量分数(保留一位小数)。38.(10分)铅是一种重金属,铅和铅的化合物有很多用途,如蓄电池等,但铅类化合物大多有毒,燃煤厂、金属冶炼厂等都有主要的铅污染源。铅一旦进入人体会累积,对人脑、肾脏和造血功能有损害。为了了解环境中的铅污染问题,小明与同学进行了如下的调查研究。⑴据报道,儿童从空气中吸入的铅量是成人吸入量的1.6~1.7倍。为了研究这个现象,小明在阅读资料时,看到了如下实验数据:离地面高度(m)0.81.01.21.41.61.82.0铅的浓度(ug/m3)1.100.980.910.720.660.540.50从上述数据可以得出的结果是▲⑵查阅资料时,小明又看到了如右所示的图,图中记录了离某公路不同距离处种植的卷心菜中铅的含量。由该图推测:卷心菜内里叶片的铅可能直接来于▲,造成卷心菜外围叶片含铅量不同的重要原因▲。⑶在走访调查中,小明观察到某乡镇颜料厂排出的废水带有颜色,经鉴定含有铅。为了测定废水中铅的浓度,他设计了如下实验步骤:2/27上述步骤中,一定发生化学变化的是步骤▲(选填“①”、“②”或“③”);在实验室里进行过滤操作时,需要的仪器有带铁圈的铁架台、漏斗、烧杯、玻璃棒等,还需要的材料是▲34.(8分)晓明妈妈购买了一台某品牌的加湿器,其部分技术参数如下表:根据以上信息回答下列问题:(计算结果保留2位小数)(1)该加湿器的电阻是多少?(2)该加湿器正常工作时的电流是多少?(3)该加湿器正常工作时将一箱3L的水消耗完需要的电能是多少?(4)如果在用电高峰时,该加湿器加热4h实际消耗的电能为0.081kW·h,则此时电路的实际电压时多少?(不考虑箱体的吸热和热损失)35.(5分)老师准备了这样一些实验材料:一把刻度尺、烧杯和适量的水,请你设计一个实验,估测一块橡皮泥的密度(正常情况下,橡皮泥沉在水中)。要求:(1)写出实验步骤及所需测量的量。(2)导出用所测量的量表示的橡皮泥密度的数学表达式。3/27产品型号S30U-K水箱容积3L额定电源220V~/50Hz噪音38dB额定功率25W适用面积25m2额定加湿量250mL/h净重量1.3Kg加湿效率等级B级铬酸铅沉淀含Pb2+溶液废水样品化学处理①②铬酸钾过滤、洗涤、烘干、称量③36.(6分)小然同学用如图所示的滑轮组匀速提升重120N的口袋,拉绳的力为80N。在10s内将口袋提升了1m。(不计摩擦)(1)利用这些数据,根据所学物理公式,写出可求的物理量。(至少写...

1、当您付费下载文档后,您只拥有了使用权限,并不意味着购买了版权,文档只能用于自身使用,不得用于其他商业用途(如 [转卖]进行直接盈利或[编辑后售卖]进行间接盈利)。
2、本站所有内容均由合作方或网友上传,本站不对文档的完整性、权威性及其观点立场正确性做任何保证或承诺!文档内容仅供研究参考,付费前请自行鉴别。
3、如文档内容存在违规,或者侵犯商业秘密、侵犯著作权等,请点击“违规举报”。

碎片内容

各区月考计算题

确认删除?
VIP
微信客服
  • 扫码咨询
会员Q群
  • 会员专属群点击这里加入QQ群
客服邮箱
回到顶部