电脑桌面
添加小米粒文库到电脑桌面
安装后可以在桌面快捷访问

建筑工程量计算实例_secretVIP免费

建筑工程量计算实例_secret_第1页
1/32
建筑工程量计算实例_secret_第2页
2/32
建筑工程量计算实例_secret_第3页
3/32
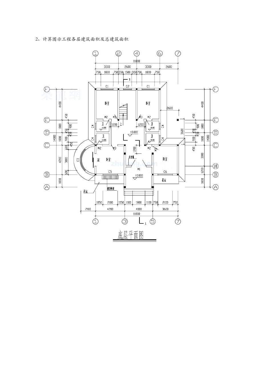
2、计算图示工程各层建筑面积及总建筑面积1、计算图示工程平整场地工程量(清单规范规则)、各层建筑面积及总建筑面积(99重庆规则)。(18分)解:平整场地=153.19m2(2分)一层面积=153.19m2(5分)二层面积=128.98m2(5分)三层面积=95.59m2(5分)总建筑面积=377.78m2(1分)(工程量计算格式不限,计算结果±1m2以内得分。)案例2某建筑物如下图所示。内、外墙与基础均为MU7.5灰砂标砖砖砌,均用M7.5水泥石灰砂浆砌筑。土壤为三类土,不考虑弃土运距5km。内、外砖墙厚度均为240mm,外墙为单面清水砖墙,M7.5水泥砂浆勾缝。圈梁断面为240mm×180mm,用C20混凝土(碎石粒径5-20,特细沙)沿内外墙每层及基础设置,纵向钢筋48,箍筋6@200,135o弯钩。层高均为3000mm,板厚120mm,无女儿墙。内外墙基础均为三级等高大放脚砖基础,断面相同如图所示,砖基础下为C10混凝土垫层(混凝土碎石粒径5-20,特细沙)。门窗洞口尺寸为:M-l尺寸为900mm×2400mm;C-1尺寸为1800mm×1500mm。试依据所提供资料,编制分部分项工程量清单(钢筋锚固、搭接量按0.0533的系数计算)。(42分)分部分项工程量清单工程名称:某三层建筑物第页共页序号清单项目项目名称计量单位工程数量l[解](共42分)1、计算工程量序号项目编码项目名称计算式工程量单位备注外墙中心线=(3.6+3.6+5.4+3.6+5.4)*243.20m内墙净长线=(5.4-0.24)*210.32m三层相同内墙下基础垫层净长线=(5.4-0.815)*29.17m1010101001001平整场地=(3.6+3.6+5.4+0.24)*(0.24+3.6+5.4)-(3.6+3.6)*3.692.72m22010101003001挖基础土方=0.815*(43.2+9.17)*1.772.56m33010301001001砖基础=0.5073*(43.2+10.32)27.15m3砖基础断面=1.9*0.24+3*4*0.0625*0.126-0.18*0.240.51m2C10垫层=0.815*(43.2+9.17)*0.14.27m34010302001001实心砖墙外墙=78.59-1.87*372.98m3外墙毛面积=43.2*(9-0.12)383.62m2外墙门窗=1.8*1.5*20+0.9*2.4*156.16m2外墙毛体积=(383.62-56.16)*0.2478.59m35010302001002实心砖墙内墙=19.18-0.45*317.83m3内墙毛面积=10.32*992.88m2内墙门窗=0.9*2.4*612.96m2内墙毛体积=(92.88-12.96)*0.2419.18m36010403004001圈梁=(1.87+0.45)*49.28m3一层外墙圈梁体积=0.18*0.24*43.21.87m3一层内墙圈梁体积=0.18*0.24*10.320.45m37010416001001现浇混凝土钢筋=(338)*(1+0.0533)+168524kg0.524t圈梁主筋=(43.2+10.32)*4*4*0.395338kg圈梁箍筋=0.6988*1084*0.222168kg圈梁箍筋单长=(0.18-0.05+0.24-0.05)*2+4.9*0.006*20.6988m圈梁箍筋支数=(43.2/0.2+1+(5.16/0.2+1)*2)*41084只(工程量计算格式不限,计算正确,并正确填入下表每项2分,计算式正确,答案错可酌情得分。)2、编制分部分项工程量清单分部分项工程量清单工程名称:某三层建筑物第页共页序号清单项目编码(每项1分)项目名称(每项2分)计量单位(每项1分)工程数量(每项2分)101010100l001平整场地土壤类别:三类取土运距:弃土运距:5kmm292.722010101003001挖基础土方土壤类别:三类基础类型:三级等高大放脚条形砖基础垫层宽:815mm垫层厚:100mm垫层面积:0.815x(43.2+9.17)=42.68m2挖土深度:1.7m其土运距:5kmm³72.56301030100l001砖基础垫层种类:C10混凝土垫层(5~20碎石,特细砂)垫层厚:100mm垫层面积:0.815x(43.2+9.17)=42.68m2砖品种、规格强度等级:MU7.5灰砂标砖基础类型:三级等高大放脚条形砖基础基础深:1.6m砂浆强度等级:M7.5水泥石灰砂浆m³27.15401030200100l实心砖墙砖品种、规格强度等级:MU7.5灰砂标砖墙体类型:单面清水砖外墙墙体厚度:240mm墙体高度:3000mm勾缝要求:单面水泥膏勾缝砂浆强度等级:M7.5水泥石灰砂浆m³72.985010302001002实心砖墙砖品种、规格强度等级:MU7.5灰砂标砖墙体类型:混水砖内墙墙体厚度:240mm墙体高度:3000mm勾缝要求:无砂浆强度等级:M7.5水泥石灰砂浆m³17.836010403004001圈梁梁底标高:<3000mm梁截面:180x240mm混凝土强度等级:C10混凝土拌合料要求:5~20碎石、特细砂m³9.287010416001001现浇混凝土钢筋钢筋种类规格:8~6t0.524案例3某建筑物如下图所示。内、外墙与基础均为MU7.5灰砂标砖砖砌,均用M7.5水泥石灰...

1、当您付费下载文档后,您只拥有了使用权限,并不意味着购买了版权,文档只能用于自身使用,不得用于其他商业用途(如 [转卖]进行直接盈利或[编辑后售卖]进行间接盈利)。
2、本站所有内容均由合作方或网友上传,本站不对文档的完整性、权威性及其观点立场正确性做任何保证或承诺!文档内容仅供研究参考,付费前请自行鉴别。
3、如文档内容存在违规,或者侵犯商业秘密、侵犯著作权等,请点击“违规举报”。

碎片内容

建筑工程量计算实例_secret

文泉书屋+ 关注
实名认证
内容提供者

热爱教学事业,对互联网知识分享很感兴趣

确认删除?
VIP
微信客服
  • 扫码咨询
会员Q群
  • 会员专属群点击这里加入QQ群
客服邮箱
回到顶部