电脑桌面
添加小米粒文库到电脑桌面
安装后可以在桌面快捷访问

液压元件图标符号VIP免费

液压元件图标符号_第1页
1/11
液压元件图标符号_第2页
2/11
液压元件图标符号_第3页
3/11
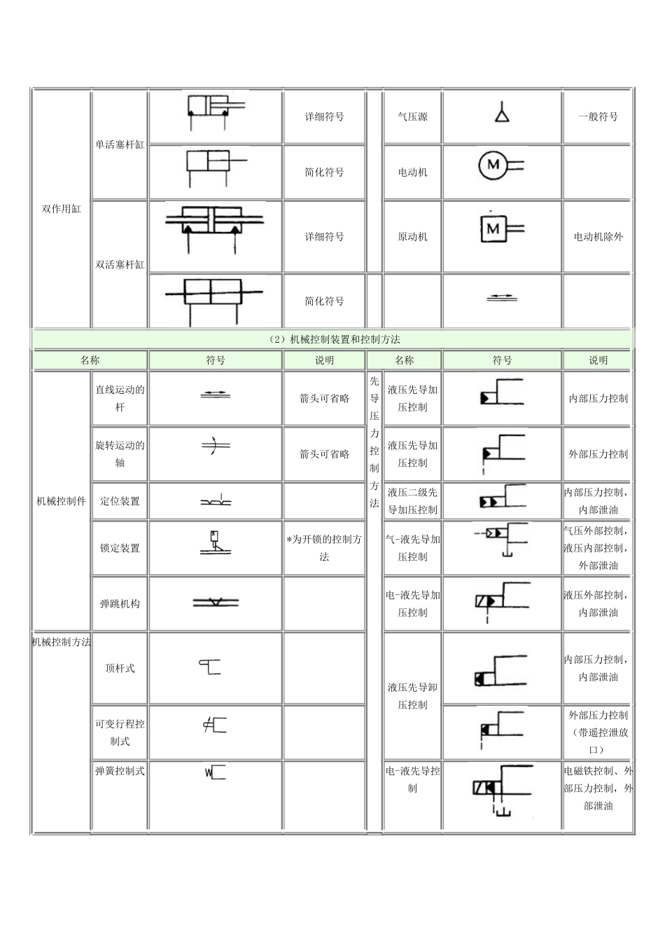
常用液压图标符号常用液压图形符号(摘自GB/T786.1-1993)(1)液压泵、液压马达和液压缸名称符号说明名称符号说明液压泵液压泵一般符号双作用缸不可调单向缓冲缸详细符号单向定量液压泵单向旋转、单向流动、定排量简化符号双向定量液压泵双向旋转,双向流动,定排量可调单向缓冲缸详细符号单向变量液压泵单向旋转,单向流动,变排量简化符号双向变量液压泵双向旋转,双向流动,变排量不可调双向缓冲缸详细符号液压马达液压马达一般符号简化符号单向定量液压马达单向流动,单向旋转可调双向缓冲缸详细符号双向定量液压马达双向流动,双向旋转,定排量简化符号单向变量液压马达单向流动,单向旋转,变排量伸缩缸双向变量液压马达双向流动,双向旋转,变排量压力转换器气-液转换器单程作用摆动马达双向摆动,定角度连续作用泵-马达定量液压泵-马达单向流动,单向旋转,定排量增压器单程作用变量液压泵-马达双向流动,双向旋转,变排量,外部泄油连续作用液压整体式传动装置单向旋转,变排量泵,定排量马达蓄能器蓄能器一般符号单作用缸单活塞杆缸详细符号气体隔离式简化符号重锤式单活塞杆缸(带弹簧复位)详细符号弹簧式简化符号辅助气瓶柱塞缸气罐伸缩缸能量源液压源一般符号双作用缸单活塞杆缸详细符号气压源一般符号简化符号电动机双活塞杆缸详细符号原动机电动机除外简化符号(2)机械控制装置和控制方法名称符号说明名称符号说明机械控制件直线运动的杆箭头可省略先导压力控制方法液压先导加压控制内部压力控制旋转运动的轴箭头可省略液压先导加压控制外部压力控制定位装置液压二级先导加压控制内部压力控制,内部泄油锁定装置*为开锁的控制方法气-液先导加压控制气压外部控制,液压内部控制,外部泄油弹跳机构电-液先导加压控制液压外部控制,内部泄油机械控制方法顶杆式液压先导卸压控制内部压力控制,内部泄油可变行程控制式外部压力控制(带遥控泄放口)弹簧控制式电-液先导控制电磁铁控制、外部压力控制,外部泄油滚轮式两个方向操作先导型压力控制阀带压力调节弹簧,外部泄油,带遥控泄放口单向滚轮式仅在一个方向上操作,箭头可省略先导型比例电磁式压力控制阀先导级由比例电磁铁控制,内部泄油人力控制方法人力控制一般符号电气控制方法单作用电磁铁电气引线可省略,斜线也可向右下方按钮式双作用电磁铁拉钮式单作用可调电磁操作(比例电磁铁,力马达等)按-拉式双作用可调电磁操作(力矩马达等)手柄式旋转运动电气控制装置单向踏板式反馈控制方法反馈控制一般符号双向踏板式电反馈由电位器、差动变压器等检测位置直接压力控制方法加压或卸压控制内部机械反馈如随动阀仿形控制回路等差动控制内部压力控制控制通路夺元件内部外部压力控制控制通路在元件外部(3)压力控制阀名称符号说明名称符号说明溢流阀溢流阀一般符号或直动型溢流阀减压阀先导型比例电磁式溢流减压阀先导型溢流阀定比减压阀减压比1/3先导型电磁溢流阀(常闭)定差减压阀直动式比例溢流阀顺序阀顺序阀一般符号或睦动型顺序阀先导比例溢流阀先导型顺序阀卸荷溢流阀p2>p1时卸荷单向顺序阀(平衡阀)双向溢流阀直动式,外部泄油卸荷阀卸荷阀一般符号或直动型卸荷阀减压阀减压阀一般符号或直动型减压阀先导型电磁卸荷阀p1>p2先导型减压阀制动阀双溢流制动阀溢流减压阀溢流油桥制动阀(4)方向控制阀名称符号说明名称符号说明单向阀单向阀详细符号换向阀二位五通液动阀简化符号(弹簧可省略)二位四通机动阀液压单向阀液控单向阀详细符号(控制压力关闭阀)三位四通电磁阀简化符号三位四通电液阀简化符号(内控外泄)详细符号(控制压力打开阀)三位六通手动阀简化符号(弹簧可省略)三位五通电磁阀双液控单向阀三位四通电液阀外控内泄(带手动应急控制装置)梭阀或门型详细符号三位四通比例阀节流型,中位正遮盖简化符号三位四通比例阀中位负遮盖换向阀二位二通电磁阀常断二位四通比例阀常通四通伺服二位三通电磁阀四通电液伺服阀二级二位三通电磁球阀带电反馈三级二位四通电磁阀(5)流量控制阀名称符号说明名称符号说明节流阀可调节流阀详细符号调速阀调速阀简化符号简化符号旁通型调速阀简化符号不...

1、当您付费下载文档后,您只拥有了使用权限,并不意味着购买了版权,文档只能用于自身使用,不得用于其他商业用途(如 [转卖]进行直接盈利或[编辑后售卖]进行间接盈利)。
2、本站所有内容均由合作方或网友上传,本站不对文档的完整性、权威性及其观点立场正确性做任何保证或承诺!文档内容仅供研究参考,付费前请自行鉴别。
3、如文档内容存在违规,或者侵犯商业秘密、侵犯著作权等,请点击“违规举报”。

碎片内容

液压元件图标符号

文泉书屋+ 关注
实名认证
内容提供者

热爱教学事业,对互联网知识分享很感兴趣

确认删除?
VIP
微信客服
  • 扫码咨询
会员Q群
  • 会员专属群点击这里加入QQ群
客服邮箱
回到顶部