电脑桌面
添加小米粒文库到电脑桌面
安装后可以在桌面快捷访问

外墙干挂埃特板施工工法VIP免费

外墙干挂埃特板施工工法_第1页
1/16
外墙干挂埃特板施工工法_第2页
2/16
外墙干挂埃特板施工工法_第3页
3/16
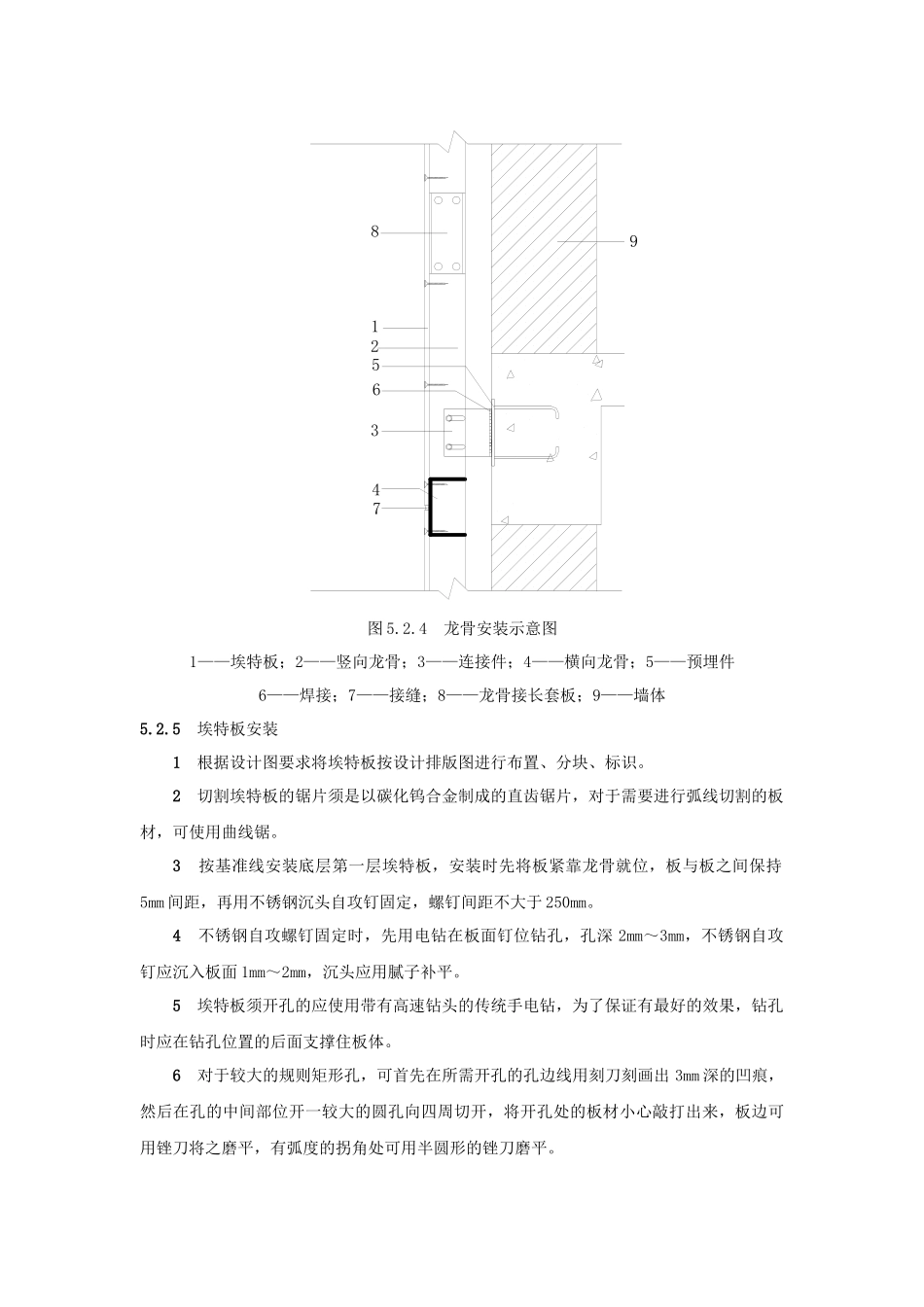
外墙干挂埃特板施工工法1前言埃特板是一种纤维硅酸盐板,由水泥、天然纤维和精选矿物填充料等多种物质组成,具有多种厚度及密度,有较好的强度。埃特板作为建筑的外墙装饰装修材料,正在被建筑行业广泛采用。我司通过湖北省体育局训练竞赛基地室内田径馆和体操馆外墙干挂埃特板工艺研究和施工实践,经过总结形成外墙干挂埃特板施工工法。2工法特点2.0.1埃特板质轻、防水、不含石棉及其它有害物质,是环保建材。2.0.2埃特板可钻孔、可随意切割、布置灵活。2.0.3埃特板安装简便、施工快捷。2.0.4采用干挂法作业,板面平整性好,可直接进行腻子、涂料施工。3适用范围适用于抗震设防烈度不大于7度、高度不大于28米的公共建筑和民用建筑的外墙装饰装修工程施工。4工艺原理通过连接件将轻型钢龙骨与建筑结构预埋件相连,用不锈钢自攻螺钉将定型埃特板固定在钢龙骨上,埃特板表面采用涂料装饰,板之间缝隙用密封胶填充,最终形成埃特板装饰面层。5施工工艺流程及操作要点5.1施工工艺流程施工准备→测量放线→连接件安装→龙骨安装→埃特板安装→涂料装饰→注密封胶5.2操作要点5.2.1施工准备1编制专项施工方案,对操作人员进行岗前培训和安全技术交底。2根据建筑设计装饰图进行排版设计,画出排版图。3对外墙龙骨的预埋件进行复核。预埋件位置超偏差而无法使用时,应根据实际放线位置钻孔,采用化学锚栓后置埋件,并按规定进行化学锚栓拉拨强度试验,待化学锚栓符合设计要求后再安装连接件。5.2.2测量放线1复查基准线和水准点。2核对建筑物外形尺寸进行偏差测量,确定干挂埃特板的标准线。3以标准线为基准,按照设计图中埃特板排版图规格尺寸弹出分格线。5.2.3连接件安装1根据施工图及分格线,确定竖向龙骨位置,各竖向龙骨的连接件按线与预埋件焊接,使其外伸端面做到垂直平整。电焊所采用的焊条型号、焊缝的高度及长度,均应符合设计要求。2检查焊缝质量,去除焊渣,并涂刷二遍防锈漆及二遍银灰色金属漆。5.2.4龙骨安装1按照设计排版图确定埃特板横竖向龙骨间距,龙骨均采用C型钢,表面热镀锌处理。2竖向龙骨安装前应认真核对龙骨的规格、尺寸、数量、编号是否与施工图纸相一致。3根据连接件的位置在竖向钢龙骨上钻孔,将竖向龙骨与连接件通过螺栓连接。4竖向龙骨接长通过套管用不锈钢螺栓固定,安装由下而上进行。5竖向龙骨安装就位后应进行调整修正,并及时固定、拧紧连接螺栓。6横向龙骨通过连接件与竖向龙骨连接,连接件的一端用螺栓固定在横龙骨上,另一端用螺栓固定在竖向龙骨上。7同一层的横向龙骨安装应由下向上进行,当安装完一层高度时,应进行检查、调整校正、固定。龙骨安装示意见图5.2.4。574362189图5.2.4龙骨安装示意图1——埃特板;2——竖向龙骨;3——连接件;4——横向龙骨;5——预埋件6——焊接;7——接缝;8——龙骨接长套板;9——墙体5.2.5埃特板安装1根据设计图要求将埃特板按设计排版图进行布置、分块、标识。2切割埃特板的锯片须是以碳化钨合金制成的直齿锯片,对于需要进行弧线切割的板材,可使用曲线锯。3按基准线安装底层第一层埃特板,安装时先将板紧靠龙骨就位,板与板之间保持5mm间距,再用不锈钢沉头自攻钉固定,螺钉间距不大于250mm。4不锈钢自攻螺钉固定时,先用电钻在板面钉位钻孔,孔深2mm~3mm,不锈钢自攻钉应沉入板面1mm~2mm,沉头应用腻子补平。5埃特板须开孔的应使用带有高速钻头的传统手电钻,为了保证有最好的效果,钻孔时应在钻孔位置的后面支撑住板体。6对于较大的规则矩形孔,可首先在所需开孔的孔边线用刻刀刻画出3mm深的凹痕,然后在孔的中间部位开一较大的圆孔向四周切开,将开孔处的板材小心敲打出来,板边可用锉刀将之磨平,有弧度的拐角处可用半圆形的锉刀磨平。7埃特板下端口做法:安装埃特板墙面下端口时,应用铝合金封闭条固定在墙身,将板与墙缝隙盖住,埃特板下端口封闭示意见图5.2.5-1。12345图5.2.5-1埃特板下端口封闭示意图1——埃特板;2——竖向龙骨;3——连接件;4——铝合金封闭条;5——混凝土支座8女儿墙压顶构造做法:女儿墙压顶采用埃特板封盖,与墙面埃特板保留5mm缝隙,用密封胶密封,埃特板女儿墙压顶构造示意...

1、当您付费下载文档后,您只拥有了使用权限,并不意味着购买了版权,文档只能用于自身使用,不得用于其他商业用途(如 [转卖]进行直接盈利或[编辑后售卖]进行间接盈利)。
2、本站所有内容均由合作方或网友上传,本站不对文档的完整性、权威性及其观点立场正确性做任何保证或承诺!文档内容仅供研究参考,付费前请自行鉴别。
3、如文档内容存在违规,或者侵犯商业秘密、侵犯著作权等,请点击“违规举报”。

碎片内容

外墙干挂埃特板施工工法

确认删除?
VIP
微信客服
  • 扫码咨询
会员Q群
  • 会员专属群点击这里加入QQ群
客服邮箱
回到顶部