电脑桌面
添加小米粒文库到电脑桌面
安装后可以在桌面快捷访问

08版集输工初级工题库实际操作重点VIP免费

08版集输工初级工题库实际操作重点_第1页
1/32
08版集输工初级工题库实际操作重点_第2页
2/32
08版集输工初级工题库实际操作重点_第3页
3/32
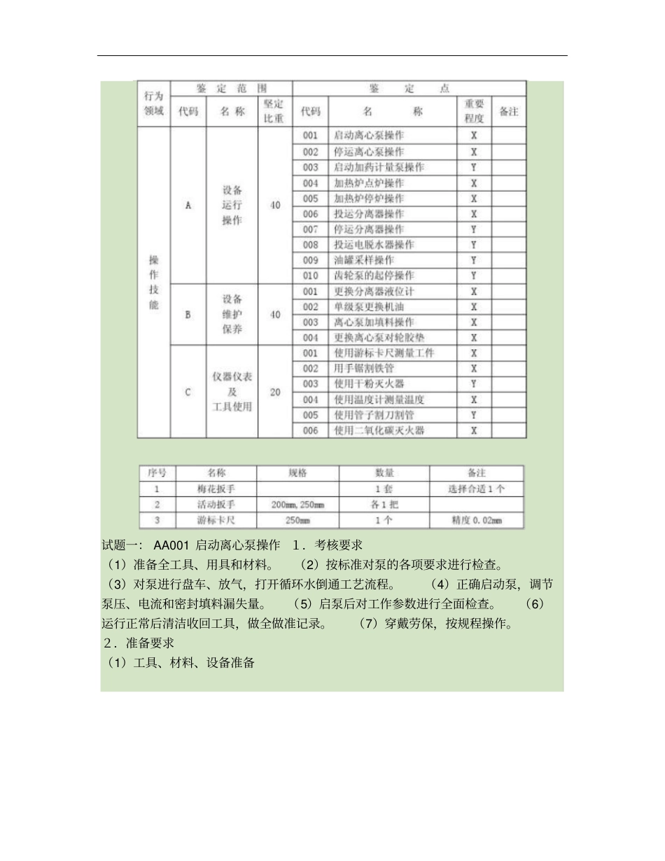
初级工技能操作试题考核内容层次结构表鉴定要素细目表试题一:AA001启动离心泵操作1.考核要求(1)准备全工具、用具和材料。(2)按标准对泵的各项要求进行检查。(3)对泵进行盘车、放气,打开循环水倒通工艺流程。(4)正确启动泵,调节泵压、电流和密封填料漏失量。(5)启泵后对工作参数进行全面检查。(6)运行正常后清洁收回工具,做全做准记录。(7)穿戴劳保,按规程操作。2.准备要求(1)工具、材料、设备准备①现场整洁无杂物,照明良好,光线充足,场地无干扰。②依据项目特征准备考场,安全设施齐全。3.操作考核规定及说明(1)本题分值:100分根据组卷比例折算为40分(2)考核时间:20min,准备时间:5min。(3)计时从领取工具、材料开始至交回工具、材料为止。(4)规定时间完成,超时停止工作。(5)违章操作或发生事故停止工作。4.评分记录表考评员:记分员:年月日试题二:AA002停运离心泵操作1.考核要求(1)按要求选择工具、用具、材料。(2)按正确的停运规程进行操作。(3)放净泵内液体,盘车检查,切断电源,挂停运牌,关闭冷却水。(4)操作完后收回清洁工具,做全记录。(5)穿戴劳保,按规程操作。2.准备要求(2)考场准备①现场整洁无杂物,照明良好,光线充足,场地无干扰。②依据项目特征准备考场,安全设施齐全。3.操作考核规定及说明(1)本题分值:100分根据组卷比例折算为40分(2)考核时间:15min,准备时间:5min。(3)计时从领取工具、材料开始至交回工具、材料为止。(4)规定时间完成,超时停止工作。(5)违章操作或发生事故停止工作。4.评分记录表考评员:记分员:年月日试题三:AA003启动加药计量泵操作1.考核要求(1)正确选择工具、用具。(2)启泵前要对仪表、油位、供液情况进行检查。(3)倒通流程,放掉泵入口气体。(4)按启动按钮,按规程启泵。(5)启泵后对各项参数进行检查,调整排量、压力到工作值。(6)运行正常后,收回工具做好记录。(7)穿戴劳保安全操作。2.准备要求(2)考场准备①现场整洁无杂物,照明良好,光线充足,场地无干扰。②依据项目特征准备考场,安全设施齐全。3.操作考核规定及说明(1)本题分值:100分根据组卷比例折算为40分(2)考核时间:15min,准备时间:5min。(3)计时从领取工具、材料开始至交回工具、材料为止。(4)规定时间完成,超时停止工作。(5)违章操作或发生事故停止工作。4.评分记录表启动加药计量泵操作评分记录表考评员:记分员:年月日试题四:AA004加热炉点炉操作1.考核要求(1)准备好点炉使用的工具。(2)点炉前对仪表进行检查,对防爆门、烟道挡板进行检查,同时对风机进行检查。(3)按要求启动风机吹扫炉膛,调整燃油、燃烧压力,倒通工艺流程,调整炉水位。(4)按点炉安全规程进行点炉。(5)根据火焰状况调整到完全燃烧状态。(6)点火后对炉各项运行参数进行检查并做好记录。(7)清洁工具、用具及时收回。(8)穿戴劳保,按安全规程操作。2.准备要求(2)考场准备①现场整洁无杂物,照明良好,光线充足,场地无干扰。②依据项目特征准备考场,安全设施齐全。③考试需1人配合。3.操作考核规定及说明(1)本题分值:100分根据组卷比例折算为40分(2)考核时间:40min,准备时间:10min。(3)时从领取工具、材料开始至交回工具、材料为止。(4)规定时间完成,超时停止工作。(5)违章操作或发生事故停止工作。4.评分记录表加热炉点炉操作评分记录表考评员:记分员:年月日试题五:AA005加热炉停炉操作1.考核要求(1)按停炉操作准备好工具、用具。(2)按停炉操作准备。(3)按停炉操作规程进行停火、停炉。(4)按正确程序进行扫线。(5)清洁收回工具用具。(6)穿戴劳保按规程操作。2.准备要求(2)考场准备①现场整洁无杂物,照明良好,光线充足,场地无干扰。②依据项目特征准备考场,安全设施齐全。3.操作考核规定及说明(1)本题分值:100分根据组卷比例折算为40分(2)考核时间:60min,准备时间:10min。(3)计时从领取工具、材料开始至交回工具、材料为止。(4)规定时间完成,超时停止工作。(5)违章操作或发生事故停止工作。4.评分记录...

1、当您付费下载文档后,您只拥有了使用权限,并不意味着购买了版权,文档只能用于自身使用,不得用于其他商业用途(如 [转卖]进行直接盈利或[编辑后售卖]进行间接盈利)。
2、本站所有内容均由合作方或网友上传,本站不对文档的完整性、权威性及其观点立场正确性做任何保证或承诺!文档内容仅供研究参考,付费前请自行鉴别。
3、如文档内容存在违规,或者侵犯商业秘密、侵犯著作权等,请点击“违规举报”。

碎片内容

08版集输工初级工题库实际操作重点

您可能关注的文档

确认删除?
VIP
微信客服
  • 扫码咨询
会员Q群
  • 会员专属群点击这里加入QQ群
客服邮箱
回到顶部