电脑桌面
添加小米粒文库到电脑桌面
安装后可以在桌面快捷访问

2010年注册环保工程师专业考试第二天考试题水方向1讲解VIP免费

2010年注册环保工程师专业考试第二天考试题水方向1讲解_第1页
1/18
2010年注册环保工程师专业考试第二天考试题水方向1讲解_第2页
2/18
2010年注册环保工程师专业考试第二天考试题水方向1讲解_第3页
3/18
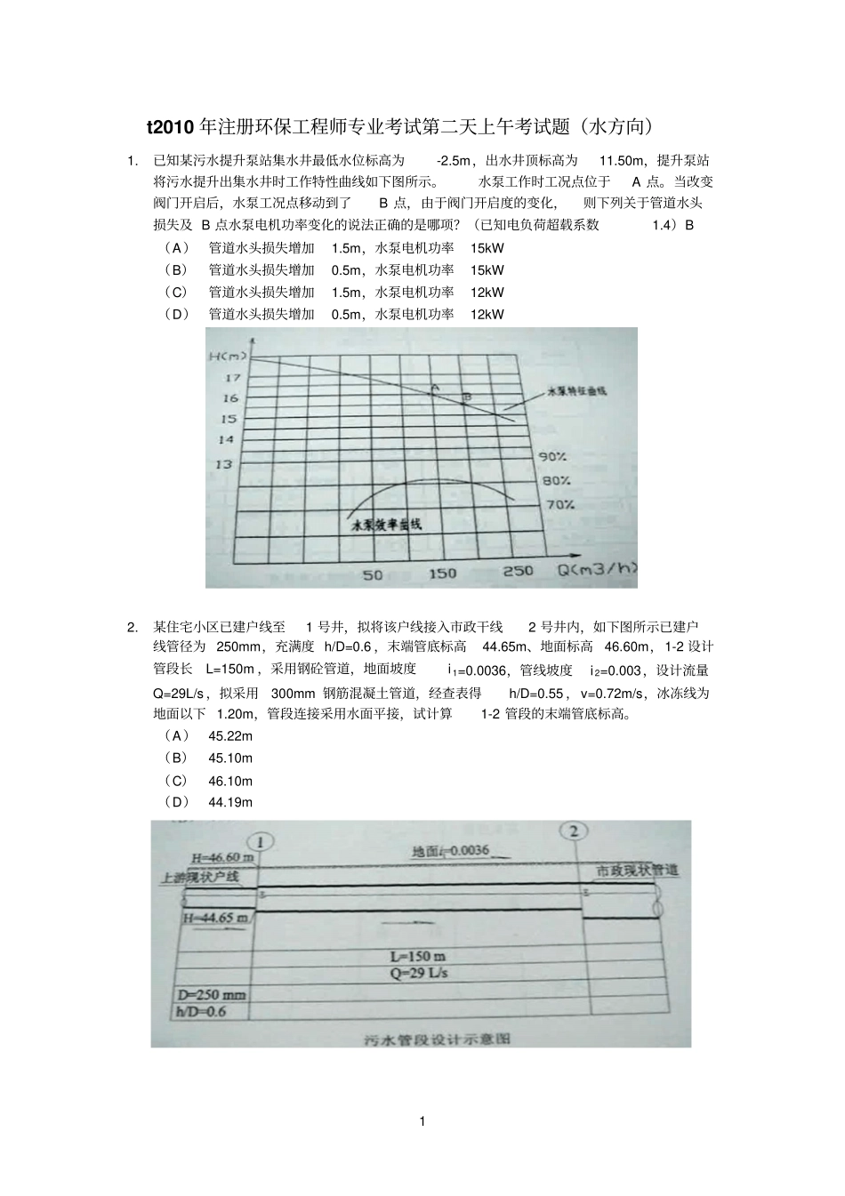
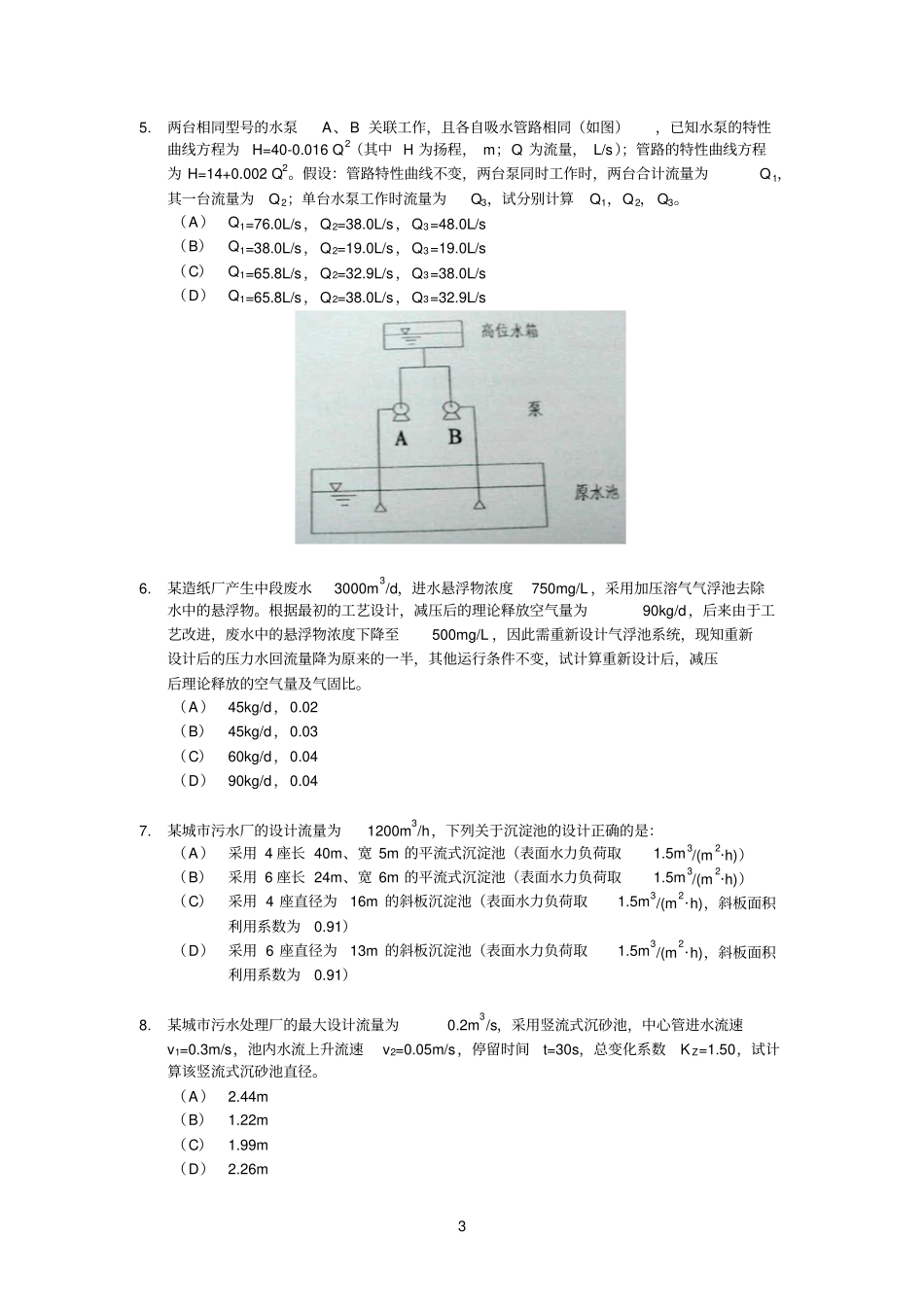
1t2010年注册环保工程师专业考试第二天上午考试题(水方向)1.已知某污水提升泵站集水井最低水位标高为-2.5m,出水井顶标高为11.50m,提升泵站将污水提升出集水井时工作特性曲线如下图所示。水泵工作时工况点位于A点。当改变阀门开启后,水泵工况点移动到了B点,由于阀门开启度的变化,则下列关于管道水头损失及B点水泵电机功率变化的说法正确的是哪项?(已知电负荷超载系数1.4)B(A)管道水头损失增加1.5m,水泵电机功率15kW(B)管道水头损失增加0.5m,水泵电机功率15kW(C)管道水头损失增加1.5m,水泵电机功率12kW(D)管道水头损失增加0.5m,水泵电机功率12kW2.某住宅小区已建户线至1号井,拟将该户线接入市政干线2号井内,如下图所示已建户线管径为250mm,充满度h/D=0.6,末端管底标高44.65m、地面标高46.60m,1-2设计管段长L=150m,采用钢砼管道,地面坡度i1=0.0036,管线坡度i2=0.003,设计流量Q=29L/s,拟采用300mm钢筋混凝土管道,经查表得h/D=0.55,v=0.72m/s,冰冻线为地面以下1.20m,管段连接采用水面平接,试计算1-2管段的末端管底标高。(A)45.22m(B)45.10m(C)46.10m(D)44.19m23.某城市污水处理厂污水量Q=20000m3/d,初沉池的表面负荷取2m3/(m2·h)。下列关于初次沉淀池与刮泥机选型的说法中正确的是:(A)采用辐流式沉淀池,4座,直径D=12m;周边传动刮泥机,周边线速度3.5m/min(B)采用辐流式沉淀池,2座,直径D=18m;中心传动刮泥机,周边线速度1.5m/min(C)采用平流式沉淀池,4座,尺寸L×B×H=22m×6m×3m;桁架式刮泥机,行进速度1.5m/min(D)采用辐流式沉淀池,2座,直径D=18m;链条刮板式刮泥机,行进速度0.8m/min4.某污水提升泵站的设计流量为150L/s,吸水管路采用管径400mm的铸铁管,出水管路采用管径300mm的铸铁管,详见下图。下列关于水泵总扬程的计算哪项是正确的?(考虑自由水头0.6m)已知:表1吸水管及出水管管件阻力系数及管长长度表吸水管段喇叭口(1个)90°弯头(1个)阀门(1个)DN400×200mm渐缩管(1个)直管长度ζ=0.1ζ=0.4ζ=0.1ζ=0.30L=1.5m出水管路DN200×300mm渐缩管(1个)90°弯头(1个)阀门(1个)单向阀DN300mm(1个)直管长度ζ=0.4ζ=0.4ζ=0.1ζ=1.5L=1.5m表2管径、流量、流速、沿程阻力系数表管径(mm)流量(L/s)流速(m/s)1000i(m)2001504.783001501.569.124001501.198.37(A)14.40m(B)17.20m(C)16.90m(D)16.30m35.两台相同型号的水泵A、B关联工作,且各自吸水管路相同(如图),已知水泵的特性曲线方程为H=40-0.016Q2(其中H为扬程,m;Q为流量,L/s);管路的特性曲线方程为H=14+0.002Q2。假设:管路特性曲线不变,两台泵同时工作时,两台合计流量为Q1,其一台流量为Q2;单台水泵工作时流量为Q3,试分别计算Q1,Q2,Q3。(A)Q1=76.0L/s,Q2=38.0L/s,Q3=48.0L/s(B)Q1=38.0L/s,Q2=19.0L/s,Q3=19.0L/s(C)Q1=65.8L/s,Q2=32.9L/s,Q3=38.0L/s(D)Q1=65.8L/s,Q2=38.0L/s,Q3=32.9L/s6.某造纸厂产生中段废水3000m3/d,进水悬浮物浓度750mg/L,采用加压溶气气浮池去除水中的悬浮物。根据最初的工艺设计,减压后的理论释放空气量为90kg/d,后来由于工艺改进,废水中的悬浮物浓度下降至500mg/L,因此需重新设计气浮池系统,现知重新设计后的压力水回流量降为原来的一半,其他运行条件不变,试计算重新设计后,减压后理论释放的空气量及气固比。(A)45kg/d,0.02(B)45kg/d,0.03(C)60kg/d,0.04(D)90kg/d,0.047.某城市污水厂的设计流量为1200m3/h,下列关于沉淀池的设计正确的是:(A)采用4座长40m、宽5m的平流式沉淀池(表面水力负荷取1.5m3/(m2·h))(B)采用6座长24m、宽6m的平流式沉淀池(表面水力负荷取1.5m3/(m2·h))(C)采用4座直径为16m的斜板沉淀池(表面水力负荷取1.5m3/(m2·h),斜板面积利用系数为0.91)(D)采用6座直径为13m的斜板沉淀池(表面水力负荷取1.5m3/(m2·h),斜板面积利用系数为0.91)8.某城市污水处理厂的最大设计流量为0.2m3/s,采用竖流式沉砂池,中心管进水流速v1=0.3m/s,池内水流上升流速v2=0.05m/s,停留时间t=30s,总变化系数KZ=1.50,试计算该...

1、当您付费下载文档后,您只拥有了使用权限,并不意味着购买了版权,文档只能用于自身使用,不得用于其他商业用途(如 [转卖]进行直接盈利或[编辑后售卖]进行间接盈利)。
2、本站所有内容均由合作方或网友上传,本站不对文档的完整性、权威性及其观点立场正确性做任何保证或承诺!文档内容仅供研究参考,付费前请自行鉴别。
3、如文档内容存在违规,或者侵犯商业秘密、侵犯著作权等,请点击“违规举报”。

碎片内容

2010年注册环保工程师专业考试第二天考试题水方向1讲解

确认删除?
VIP
微信客服
  • 扫码咨询
会员Q群
  • 会员专属群点击这里加入QQ群
客服邮箱
回到顶部