电脑桌面
添加小米粒文库到电脑桌面
安装后可以在桌面快捷访问

山西省忻州市第五中学八年级物理下册 8.2 二力平衡教案 (新版)新人教版VIP免费

山西省忻州市第五中学八年级物理下册 8.2 二力平衡教案 (新版)新人教版_第1页
1/4
山西省忻州市第五中学八年级物理下册 8.2 二力平衡教案 (新版)新人教版_第2页
2/4
山西省忻州市第五中学八年级物理下册 8.2 二力平衡教案 (新版)新人教版_第3页
3/4
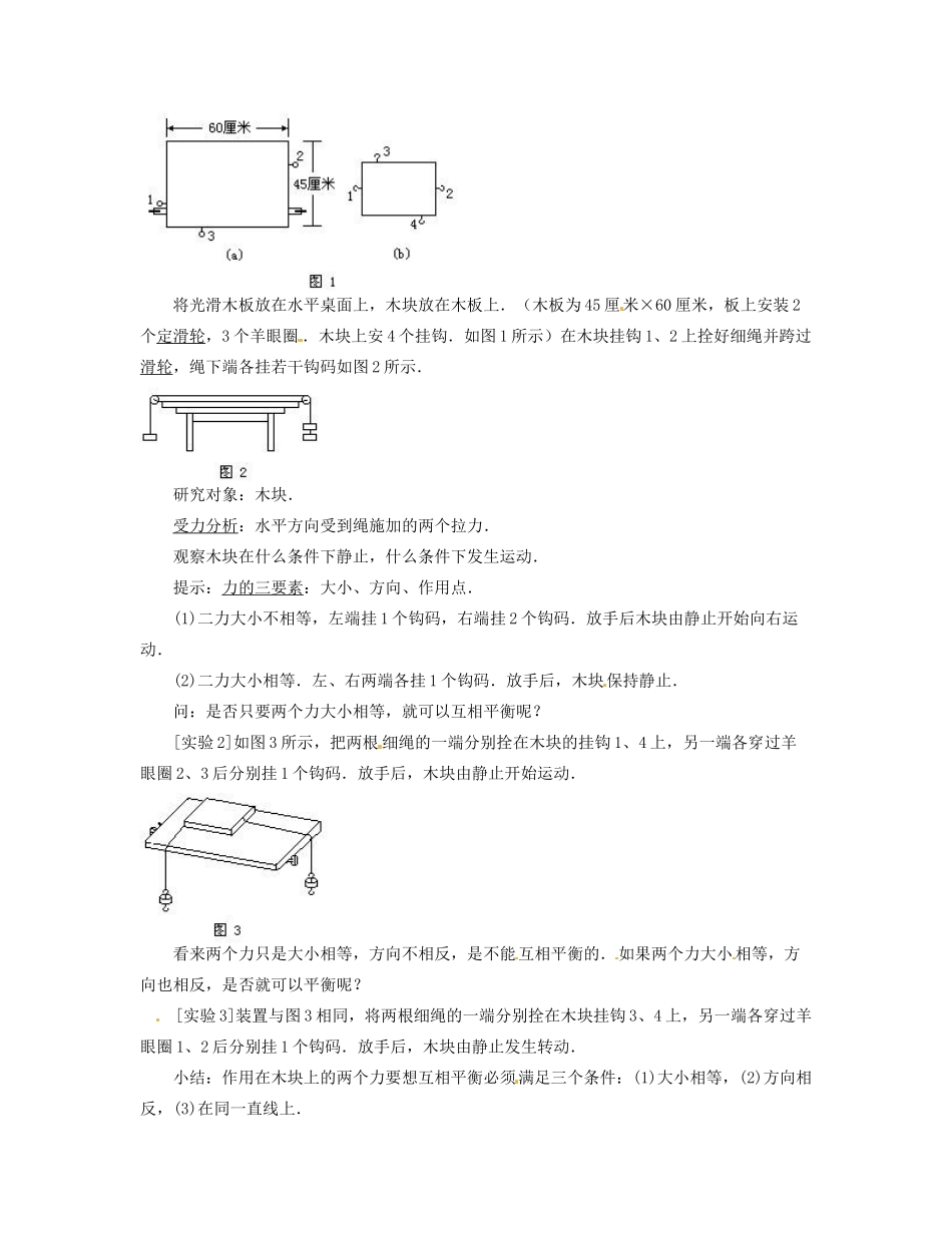
8.2二力平衡教学目标(一)教学目的1.知道什么是力的平衡,初步掌握二力平衡的条件.2.会应用二力平衡的知识分析、解决简单的问题.3.通过实验培养学生的观察能力、分析综合能力、判断能力.(二)重点与难点二力平衡的条件及应用(三)教学过程1.引入新课问:牛顿第一定律的内容是什么?答:一切物体在没有受到外力作用的时候,总保持静止状态或匀速直线运动状态.问:物体处于静止状态或匀速直线运动状态,是否就一定不受力呢?放在桌上的书是静止的,它受到重力和支持力.在平直马路上匀速行驶的汽车,受到牵引力和阻力.可见,物体在受到外力作用时,也可能处于静止或匀速直线运动状态.力可以改变物体的运动状态,几个力作用在物体上,为什么没有改变物体的运动状态呢?这是因为作用在物体上的各个力改变物体运动状态的效果互相平衡.也就是说这几个力互相平衡.2.新课教学[板书1]三、二力平衡1.力的平衡:物体在受到几个力作用时,如果保持静止状态或匀速直线运动状态,我们就说这几个力互相平衡.物体的平衡状态:静止或匀速直线运动状态.物体受两个力作用保持平衡的情况最简单,我们先来研究这种情况.问:物体受两个力作用一定就能保持静止或匀速直线运动状态吗?举例说明.答:不一定.如放在光滑斜面上的书,要沿斜面向下滑.汽车或电梯起动时,速度越来越快.物体受到的两个力,要满足什么条件才能平衡呢?我们通过实验来研究.[板书2]2.二力平衡的条件[实验1]研究二力平衡的条件将光滑木板放在水平桌面上,木块放在木板上.(木板为45厘米×60厘米,板上安装2个定滑轮,3个羊眼圈.木块上安4个挂钩.如图1所示)在木块挂钩1、2上拴好细绳并跨过滑轮,绳下端各挂若干钩码如图2所示.研究对象:木块.受力分析:水平方向受到绳施加的两个拉力.观察木块在什么条件下静止,什么条件下发生运动.提示:力的三要素:大小、方向、作用点.(1)二力大小不相等,左端挂1个钩码,右端挂2个钩码.放手后木块由静止开始向右运动.(2)二力大小相等.左、右两端各挂1个钩码.放手后,木块保持静止.问:是否只要两个力大小相等,就可以互相平衡呢?[实验2]如图3所示,把两根细绳的一端分别拴在木块的挂钩1、4上,另一端各穿过羊眼圈2、3后分别挂1个钩码.放手后,木块由静止开始运动.看来两个力只是大小相等,方向不相反,是不能互相平衡的.如果两个力大小相等,方向也相反,是否就可以平衡呢?[实验3]装置与图3相同,将两根细绳的一端分别拴在木块挂钩3、4上,另一端各穿过羊眼圈1、2后分别挂1个钩码.放手后,木块由静止发生转动.小结:作用在木块上的两个力要想互相平衡必须满足三个条件:(1)大小相等,(2)方向相反,(3)在同一直线上.请同学们自己做一个实验研究二力平衡的条件.[实验4]每个同学桌上有2个弹簧秤,一块塑料板,板上有几个洞.用两个弹簧秤拉这块塑料板,想一想怎样拉才能使塑料板保持静止不动?学生进行实验,教师巡视、指导,用投影仪打出实验的投影片.请一位同学归纳、总结一下要使塑料板保持静止(处于平衡状态),作用在塑料板上的两个力必须满足的条件是什么?答:大小相等,方向相反,并且在同一直线上.[板书3]作用在一个物体上的两个力,如果大小相等,方向相反,并且在同一直线上,这两个力就彼此平衡.大量实验表明物体在二力作用下保持匀速直线运动的条件也是这两个力必须大小相等,方向相反,并且在同一直线上.请同学们用力的示意图把塑料板上受到的两个力画出来.教师打出相应的投影片.(可用复合片)问:根据同一直线上二力合成的知识,彼此平衡的两个力的合力是多少?答:彼此平衡的两个力的合力为零.[板书4]彼此平衡的两个力的合力为零.力的平衡在日常生活中有许多实际应用,应会根据平衡状态,找出平衡力;根据物体受力情况,判断它是否处于平衡状态.[板书5]3.二力平衡条件的应用例1.(1)吊在空中重5牛的电灯(如图4),静止不动时,电线对它的拉力是多大?(定)研究对象:电灯.(析)受力分析:重力、拉力.(判)运动状态:静止.(找)两个力的关系:互相平衡.(大小相等,方向相反,在同一直线上.)结论:拉力是5牛...

1、当您付费下载文档后,您只拥有了使用权限,并不意味着购买了版权,文档只能用于自身使用,不得用于其他商业用途(如 [转卖]进行直接盈利或[编辑后售卖]进行间接盈利)。
2、本站所有内容均由合作方或网友上传,本站不对文档的完整性、权威性及其观点立场正确性做任何保证或承诺!文档内容仅供研究参考,付费前请自行鉴别。
3、如文档内容存在违规,或者侵犯商业秘密、侵犯著作权等,请点击“违规举报”。

碎片内容

山西省忻州市第五中学八年级物理下册 8.2 二力平衡教案 (新版)新人教版

您可能关注的文档

确认删除?
VIP
微信客服
  • 扫码咨询
会员Q群
  • 会员专属群点击这里加入QQ群
客服邮箱
回到顶部