电脑桌面
添加小米粒文库到电脑桌面
安装后可以在桌面快捷访问

园林绿化机械设备表及劳动力计划表VIP专享VIP免费

园林绿化机械设备表及劳动力计划表_第1页
1/4
园林绿化机械设备表及劳动力计划表_第2页
2/4
园林绿化机械设备表及劳动力计划表_第3页
3/4
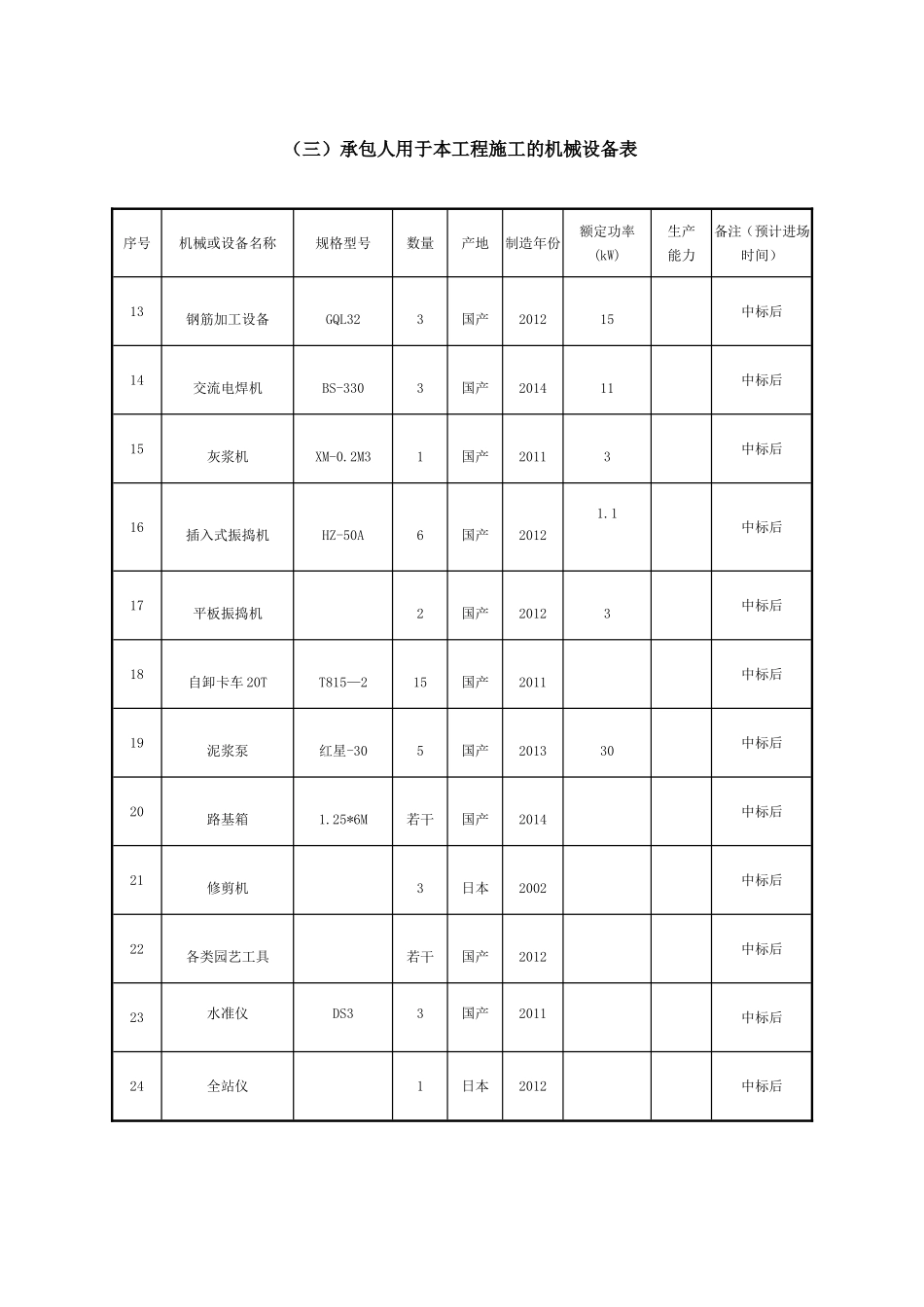
(三)承包人用于本工程施工的机械设备表序号机械或设备名称规格型号数量产地制造年份额定功率(kW)生产能力备注(预计进场时间)1挖土机HD4004日本201265中标后2挖土机W1—501日本2011中标后3推土机SH1402国产2012105中标后4振动式压路机1国产2012中标后5胶轮压路机1国产2013中标后6沥青混凝土摊铺机9501国产2012中标后7混凝土浇筑设备1国产2013中标后8园锯机MJ2241国产20133中标后9石材切割机JG-4008国产20110.6中标后10蛙式打夯机HW-014国产20113中标后11电动空气压缩机3W0.9/72国产20127.5中标后12木工锯床MJ-1042国产20123中标后(三)承包人用于本工程施工的机械设备表序号机械或设备名称规格型号数量产地制造年份额定功率(kW)生产能力备注(预计进场时间)13钢筋加工设备GQL323国产201215中标后14交流电焊机BS-3303国产201411中标后15灰浆机XM-0.2M31国产20113中标后16插入式振捣机HZ-50A6国产20121.1中标后17平板振捣机2国产20123中标后18自卸卡车20TT815—215国产2011中标后19泥浆泵红星-305国产201330中标后20路基箱1.25*6M若干国产2014中标后21修剪机3日本2002中标后22各类园艺工具若干国产2012中标后23水准仪DS33国产2011中标后24全站仪1日本2012中标后(五)劳动力安排计划表单位:人工种级别按工程施工阶段投入劳动力情况1-20天21-40天41-60天61-80天81-100天管理人员55555测量人员33333土方工3020201515机操工1520202015绿化工3030303030养护工1010101010铺装工1020202010砌筑工1015151510砼工1520202020钢筋工55555抹灰工11555瓦工11551木工22222水电工55555安装工51010105普工3040404030注:投标人应接所列格式提交包括分包人在内的估计的劳动力计划表;本计划表是以每班八小时工作制为基础的。

1、当您付费下载文档后,您只拥有了使用权限,并不意味着购买了版权,文档只能用于自身使用,不得用于其他商业用途(如 [转卖]进行直接盈利或[编辑后售卖]进行间接盈利)。
2、本站所有内容均由合作方或网友上传,本站不对文档的完整性、权威性及其观点立场正确性做任何保证或承诺!文档内容仅供研究参考,付费前请自行鉴别。
3、如文档内容存在违规,或者侵犯商业秘密、侵犯著作权等,请点击“违规举报”。

碎片内容

园林绿化机械设备表及劳动力计划表

确认删除?
VIP
微信客服
  • 扫码咨询
会员Q群
  • 会员专属群点击这里加入QQ群
客服邮箱
回到顶部