电脑桌面
添加小米粒文库到电脑桌面
安装后可以在桌面快捷访问

九年级物理上册 14.1-14.3教案 苏科版-苏科版初中九年级上册物理教案VIP免费

九年级物理上册 14.1-14.3教案 苏科版-苏科版初中九年级上册物理教案_第1页
1/11
九年级物理上册 14.1-14.3教案 苏科版-苏科版初中九年级上册物理教案_第2页
2/11
九年级物理上册 14.1-14.3教案 苏科版-苏科版初中九年级上册物理教案_第3页
3/11
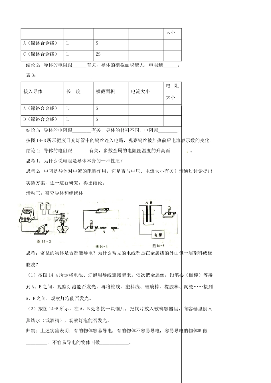
14.1-14.3教学目标:1、知道电阻的初步概念,知道电阻是导体本身的性质。知道电阻的单位及换算关系;理解决定电阻大小的因素,了解半导体知识。2、通过自己做实验,得出导体在导电的同时还存在着对电流的阻碍作用,建立电阻的概念,通过实验探究影响电阻大小的因素,理解电阻是导体本身的一种性质;通过课本上“读一读”的内容,了解导体和绝缘体的概念,从实验中理解导体和绝缘体之间没有绝对的界限,了解半导体的知识3、通过探究活动,进一步认识到实验是研究物理问题的主要方法;了解“控制变量法”以及在生活、物理学习中的应用。教学重点难点:1、认识电阻是导体本身的属性,知道“控制变量法”研究问题的方法2、用“控制变量法”研究影响电阻大小的方法教学方法:本节宜采用以科学探究为主阅读为辅的教学模式教学用具:电源、开关、灯泡、电流表、导线、酒精灯、装有不同导线的示教板等教学时间:两课时板书设计第一节电阻一、影响电路中电流大小的因素1.电路两端的电压2.连接在电路中的导体二、电阻1.定义;表示导体对电流阻碍作用的大小2.单位:欧、千欧、兆欧3.影响因素:长度、材料、横截面积、温度4.电阻是导体本身的一种性质三、导体和绝缘体教学过程:活动一:尝试改变电路中电流大小按图14-1连接实验电路,灯泡的规格为“3.8V0.3A”。AB是长1m、横截面积为1mm2的镍铬线。(1)将AB接入电路,先后用一节、两节、三节干电池串联后做电源,观察比较电流表的示数。表明:电路中接入同一导体时,改变电池节数,即改变导体两端的电压可以改变电路中的电流的大小。(2)保持干电池节数不变(如两节),改用CD导线接入电路,观察比较用AB导体、CD导体时电流表的示数大小。表明:保持电路两端电压相同,改变连接在电路中的导体,可以改变电路中的电流大小。思考:为什么电压相同时,选用不同导体,电路中的电流不同呢?分析、归纳得出电阻概念:导体在导电的同时还存在着对电流的阻碍作用。不同导体对电流的阻碍作用不同。所以在电压相同的情况下选用不同导体时,电路中的电流不同。物理学中用电阻表示导体对电流的________作用。电阻越大,表示它对电流的阻碍作用越________;电阻越小,对电流的阻碍作用越_________。活动二:探究影响导体电阻大小的因素(1)从日常生活中骑自行车、步行时要受到阻碍的情况提出问题:影响导体电阻大小的因素可能有哪些?(2)思考:通过观察实验中什么现象可以比较导体电阻的大小?(3)阅读课本“方法”的内容,讨论什么是“控制变量法”?考虑到影响电阻大小的因素较多,应怎样设计实验来探究导体电阻的大小与每一个因素的关系?(4)怎样利用图14-2提供的器材进行实验,画出电路图,写出实验步骤。(5)填写实验记录。表1:接入导体长度横截面积电流大小电阻大小A(镍铬合金线)LSB(镍铬合金线)L/2S结论1:导体的电阻跟________有关,导体的长度越长,电阻越_______。表2:接入导体长度横截面积电流大小电阻大小A(镍铬合金线)LSC(镍铬合金线)L2S结论2:导体的电阻跟______有关,导体的横截面积越大,电阻越______。表3:接入导体长度横截面积电流大小电阻大小A(镍铬合金线)LSD(镍铬合金线)LS结论3:导体的电阻跟________有关,导体的材料不同,电阻越________。按图14-3所示把废日光灯管中的钨丝连入电路,观察钨丝被加热前后电流表示数的变化。结论4:导体的电阻跟_______有关,多数金属的电阻随温度的升高而________。思考1:为什么说电阻是导体本身的一种性质?思考2:电阻是导体对电流的阻碍作用,它是否与电压、电流大小有关?请通过讨论提出实验方案,逐一进行研究,得出结论。活动三:研究导体和绝缘体思考:常见的物体是否都能导电?为什么常见的电线都是在金属线的外面包一层塑料或橡胶皮?(1)按图14-4所示将电池、灯泡用导线连接起来。依次把金属丝,铅笔心(碳棒)等接到A、B之间,观察灯泡能否发光。再将棉线、塑料线、玻璃棒、橡胶棒、陶瓷……接到A、B之间,观察灯泡能否发光。(2)按图14-5所示,在A、B处各接一块铜片,把铜片放入玻璃容器里,向容器里倒入蒸馏水(或酒精),观察灯泡能否发光。归纳:上述实...

1、当您付费下载文档后,您只拥有了使用权限,并不意味着购买了版权,文档只能用于自身使用,不得用于其他商业用途(如 [转卖]进行直接盈利或[编辑后售卖]进行间接盈利)。
2、本站所有内容均由合作方或网友上传,本站不对文档的完整性、权威性及其观点立场正确性做任何保证或承诺!文档内容仅供研究参考,付费前请自行鉴别。
3、如文档内容存在违规,或者侵犯商业秘密、侵犯著作权等,请点击“违规举报”。

碎片内容

九年级物理上册 14.1-14.3教案 苏科版-苏科版初中九年级上册物理教案

您可能关注的文档

远洋启航书店+ 关注
实名认证
内容提供者

从事历史教学,热爱教育,高度负责。

相关文档

确认删除?
VIP
微信客服
  • 扫码咨询
会员Q群
  • 会员专属群点击这里加入QQ群
客服邮箱
回到顶部