电脑桌面
添加小米粒文库到电脑桌面
安装后可以在桌面快捷访问

2018_2019学年高中化学课堂同步系列二每日一题每周一测2含解析新人教版选修4VIP免费

2018_2019学年高中化学课堂同步系列二每日一题每周一测2含解析新人教版选修4_第1页
1/5
2018_2019学年高中化学课堂同步系列二每日一题每周一测2含解析新人教版选修4_第2页
2/5
2018_2019学年高中化学课堂同步系列二每日一题每周一测2含解析新人教版选修4_第3页
3/5
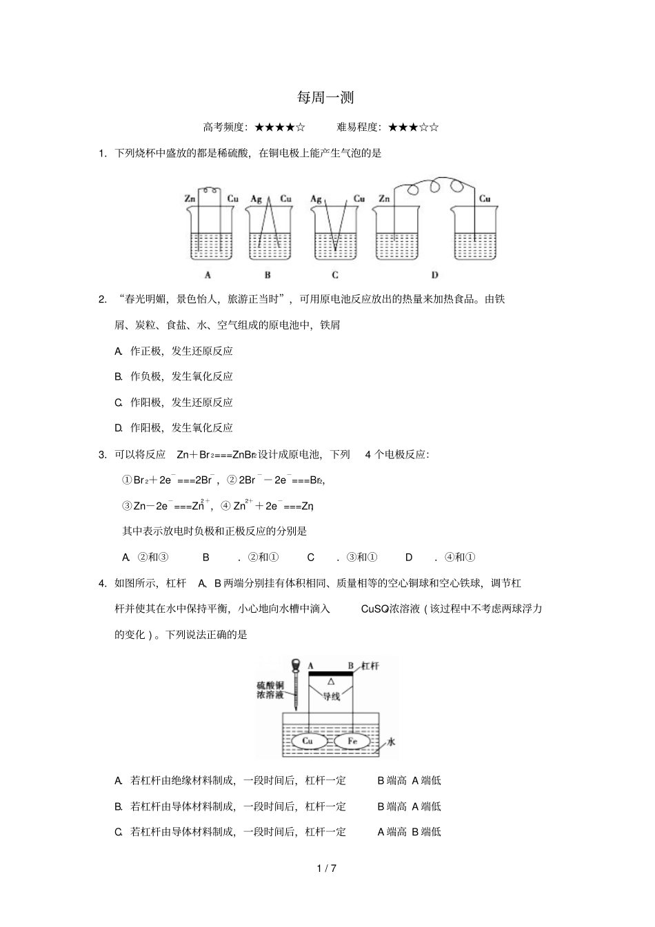
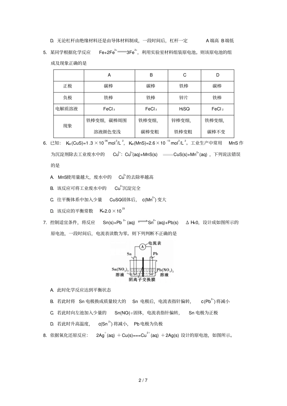
1/7每周一测高考频度:★★★★☆难易程度:★★★☆☆1.下列烧杯中盛放的都是稀硫酸,在铜电极上能产生气泡的是2.“春光明媚,景色怡人,旅游正当时”,可用原电池反应放出的热量来加热食品。由铁屑、炭粒、食盐、水、空气组成的原电池中,铁屑A.作正极,发生还原反应B.作负极,发生氧化反应C.作阳极,发生还原反应D.作阳极,发生氧化反应3.可以将反应Zn+Br2===ZnBr2设计成原电池,下列4个电极反应:①Br2+2e-===2Br-,②2Br--2e-===Br2,③Zn-2e-===Zn2+,④Zn2++2e-===Zn,其中表示放电时负极和正极反应的分别是A.②和③B.②和①C.③和①D.④和①4.如图所示,杠杆A、B两端分别挂有体积相同、质量相等的空心铜球和空心铁球,调节杠杆并使其在水中保持平衡,小心地向水槽中滴入CuSO4浓溶液(该过程中不考虑两球浮力的变化)。下列说法正确的是A.若杠杆由绝缘材料制成,一段时间后,杠杆一定B端高A端低B.若杠杆由导体材料制成,一段时间后,杠杆一定B端高A端低C.若杠杆由导体材料制成,一段时间后,杠杆一定A端高B端低2/7D.无论杠杆由绝缘材料还是由导体材料制成,一段时间后,杠杆一定A端高B端低5.某同学根据化学反应Fe+2Fe3+3Fe2+,利用实验室材料组装原电池。则该原电池的组成及现象正确的是ABCD正极碳棒碳棒铁棒碳棒负极铁棒铁棒锌片铁棒电解质溶液FeCl3FeCl3H2SO4FeCl2现象铁棒变细,碳棒周围溶液颜色变浅铁棒变细,碳棒变粗锌棒变细,铁棒变粗铁棒变细,碳棒不变6.已知:Ksp(CuS)=1.3×10-36mol2/L2,Ksp(MnS)=2.6×10-13mol2/L2。工业生产中常用MnS作为沉淀剂除去工业废水中的Cu2+:Cu2+(aq)+MnS(s)CuS(s)+Mn2+(aq),下列说法错误的是A.MnS使用量越大,废水中的Cu2+的去除率越高B.该反应可将工业废水中的Cu2+沉淀完全C.往平衡体系中加入少量CuSO4固体后,c(Mn2+)变大D.该反应的平衡常数K=2.0×10237.控制适宜条件,将反应Sn(s)+Pb2+(aq)Sn2+(aq)+Pb(s)ΔH<0,设计成如图所示的原电池,一段时间后,电流表读数为零。则下列判断不正确的是A.此时化学反应达到平衡状态B.若此时将Sn电极换成质量较大的Sn电极后,电流表指针偏转,c(Pb2+)将减小C.若此时向左池加入少量的Sn(NO3)2固体,电流表指针偏转,Sn电极为正极D.若此时升高温度,c(Sn2+)将减小,Pb电极为负极8.依据氧化还原反应:2Ag+(aq)+Cu(s)===Cu2+(aq)+2Ag(s)设计的原电池,如图所示。3/7CuSO4溶液Y请回答下列问题:(1)电极X的材料是______;电解质溶液Y是_________________________。(2)银电极为电池的________极,发生的电极反应为____________________。X电极上发生的电极反应为___________________________。(3)外电路中的电子是从______极流向______极。9.某校化学研究性学习小组欲设计实验验证Fe、Cu的金属活动性,他们提出了以下两种方案。请你帮助他们完成有关实验项目。方案Ⅰ:有人提出将大小相等的铁片和铜片,分别同时放入稀硫酸(或稀盐酸)中,观察产生气泡的快慢,据此确定它们的活动性。该原理的离子方程式为:_______________________________。方案Ⅱ:有人利用Fe、Cu作电极设计成原电池,以确定它们的活动性。试在下面的方框内画出原电池装置图,标出原电池的电极材料和电解质溶液,并写出电极反应式。正极反应式:____________________________________________________;负极反应式:____________________________________________________。方案Ⅲ:结合你所学的知识,帮助他们再设计一个验证Fe、Cu活动性的简单实验方案(与方案Ⅰ、Ⅱ不能雷同):___________________________________________________,用离子方程式表示其反应原理:________________________________________________。10.已知常温下,AgBr的Ksp=4.9×10-13、AgI的Ksp=8.3×10-17。(1)现向含有AgI的饱和溶液中:①加入固体AgNO3,则c(I-)________(填“变大”“变小”或“不变”,下同);4/7②若加入更多的AgI固体,则c(Ag+)________;③若加入AgBr固体,则c(I-)________;而c(Ag+)________。(2)有关难溶盐的溶度积及溶解度(与AgBr、AgI无关),有以下叙述,其中正确的是__...

1、当您付费下载文档后,您只拥有了使用权限,并不意味着购买了版权,文档只能用于自身使用,不得用于其他商业用途(如 [转卖]进行直接盈利或[编辑后售卖]进行间接盈利)。
2、本站所有内容均由合作方或网友上传,本站不对文档的完整性、权威性及其观点立场正确性做任何保证或承诺!文档内容仅供研究参考,付费前请自行鉴别。
3、如文档内容存在违规,或者侵犯商业秘密、侵犯著作权等,请点击“违规举报”。

碎片内容

2018_2019学年高中化学课堂同步系列二每日一题每周一测2含解析新人教版选修4

您可能关注的文档

确认删除?
VIP
微信客服
  • 扫码咨询
会员Q群
  • 会员专属群点击这里加入QQ群
客服邮箱
回到顶部