电脑桌面
添加小米粒文库到电脑桌面
安装后可以在桌面快捷访问

医院工程质量安全保证体系及措施VIP免费

医院工程质量安全保证体系及措施_第1页
1/16
医院工程质量安全保证体系及措施_第2页
2/16
医院工程质量安全保证体系及措施_第3页
3/16
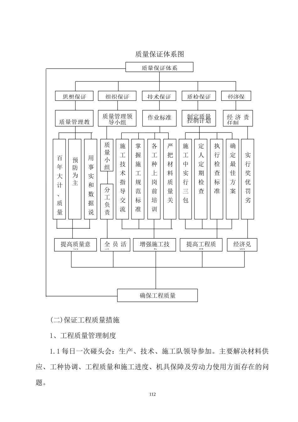
111第六章质量安全保证体系及措施一、管理目标1、质量目标:按照国家质量标准和。。省有关质量规定进行施工,保证工程质量达到合格标准。2、安全管理目标:安全管理目标:全员无人身重大伤亡事故,安全达标在90分以上。达到“省级安全文明标化工地”标准。安全管理工作以安全达标为中心,以建筑施工安全检查标准为依据,以全过程安全无事故为目的,以检查评比为手段,制定严格的检查考核办法,并与个人的经济利益挂钩,狠抓责任制的落实和兑现,确保安全总目标的实现。二、质量保证体系及措施(一)质量保证体系:我公司已通过国家三个标准体系认证,建立了一套完整的质量管理及质量保证运行体系和企业质量运行标准。在该项目上我们将严格按照“三标一体”标准进行质量的预控和全面管理工作,并建立以项目经理为核心,项目技术负责人为主管的工程管理与质量保证体系,层层监督落实质量管理制度,为实现本工程质量目标,根据公司管理体系的要求,建立本项目质量保证体系。112质量保证体系图(二)保证工程质量措施1、工程质量管理制度1.1每日一次碰头会:生产、技术、施工队领导参加。主要解决材料供应、工种协调、工程质量和施工进度、机具保障及劳动力使用方面存在的问题。确保工程质量经济兑现提高工程质量增强施工技术全员活动提高质量意识实行奖优罚劣确定最佳方案执行检查标准定人定期检查施工中实行三包严把材料质量关各工种上岗前培训掌握施工规范标准施工技术指导交流分工负责质量小组用事实和数据说话预防为主百年大计、质量第经济责任制制定质量控制计划作业标准质量管理领导小组质量管理教育经济保质检保证技术保证组织保证思想保证质量保证体系1131.2每周召开一次生产协调会:甲方及各施工单位领导参加。主要解决人、财、物、机械的综合平衡,统筹安排工作,平衡施工计划,工序间的穿插调整及各单位间的协调,挖掘施工潜力,处理好生产、技术与工程质量的关系,为完成和超额完成生产计划和质量目标计划及时作出决策。1.3搞好图纸会审,严格按设计、工艺操作规程施工。按月提出保证工程质量的措施和计划。1.4每周一次由设计、甲方、乙方及监理参加的技术会,解决设计和施工中的技术及质量问题,制定各类施工措施和提出用材方案等。1.5技术负责人应组织生产、技术及有关人员学习施工及验收规范和上级颁发的有关工程质量文件,按月制度质量目标计划,经经理审查后执行,避免盲目指挥和盲目施工。1.6坚持每周监理协调制度,熟悉监理程序,严格按监理程序组织验收。2、工程质量检查制度2.1开展“样板间”、“样板工序”活动,样板引路是建筑行业多年来行之有效的一种质量管理保证措施,在每一新工序全面开展之前,先做样板,由施工单位会同监理工程师严格按质量标准检查,指出其优点及不足之处,召集各班组观摩,提出意见,经过改正,即作为样板,要求后继施工同一工序时,只能比样板间做的更好,而不能退步。2.2各技术负责人要深入到各工序施工之中,严格按图纸要求、施工程序、工艺质量标准对施工队进行检查指导,问题要发现在产品成型之前,而不能秋后算帐,防止返工浪费。2.3在施工中开展班组自检、互检和交接班检查。通过这项活动不断提高操作人员的技术水平、对不符合质量要求的坚决返工重做,不能留给下道114工序。2.4充分发挥试验员、质量检查员及测量员的作用。对材料进场质量的检查与验收主要靠试验员、质量检查员和技术员检查鉴别,取样送验。施工放线工作主要由测量员来完成。其工作在技术负责人的指导下进行,并应及时把情况向技术负责人汇报,求得及时解决。2.5搞好施工前检查,做好技术复核工作,每道工序完成后会同监理工程师及有关人员,检查验收,及时办理隐、预检手续搞好工程质量评定。3、工程质量验收制度工程竣工后,由施工单位及时向建设单位提出书面交工通知,建设单位接到通知后15天内组织各有关单位验收,验收合格后,双方签订竣工验收证书。4、加强质量预控是保证工程质量的有力措施施工前,根据工程特点编制针对性的质量计划。并做到四定:定目标、定时间、定责任、定措施。负责人与项目部签订责任状。施工中每道工序由质检员跟踪检查,分公司抽...

1、当您付费下载文档后,您只拥有了使用权限,并不意味着购买了版权,文档只能用于自身使用,不得用于其他商业用途(如 [转卖]进行直接盈利或[编辑后售卖]进行间接盈利)。
2、本站所有内容均由合作方或网友上传,本站不对文档的完整性、权威性及其观点立场正确性做任何保证或承诺!文档内容仅供研究参考,付费前请自行鉴别。
3、如文档内容存在违规,或者侵犯商业秘密、侵犯著作权等,请点击“违规举报”。

碎片内容

医院工程质量安全保证体系及措施

墨香书阁+ 关注
实名认证
内容提供者

热爱教学事业,对互联网知识分享很感兴趣

确认删除?
VIP
微信客服
  • 扫码咨询
会员Q群
  • 会员专属群点击这里加入QQ群
客服邮箱
回到顶部