电脑桌面
添加小米粒文库到电脑桌面
安装后可以在桌面快捷访问

单片机实验--LCD显示实验VIP免费

单片机实验--LCD显示实验_第1页
1/5
单片机实验--LCD显示实验_第2页
2/5
单片机实验--LCD显示实验_第3页
3/5
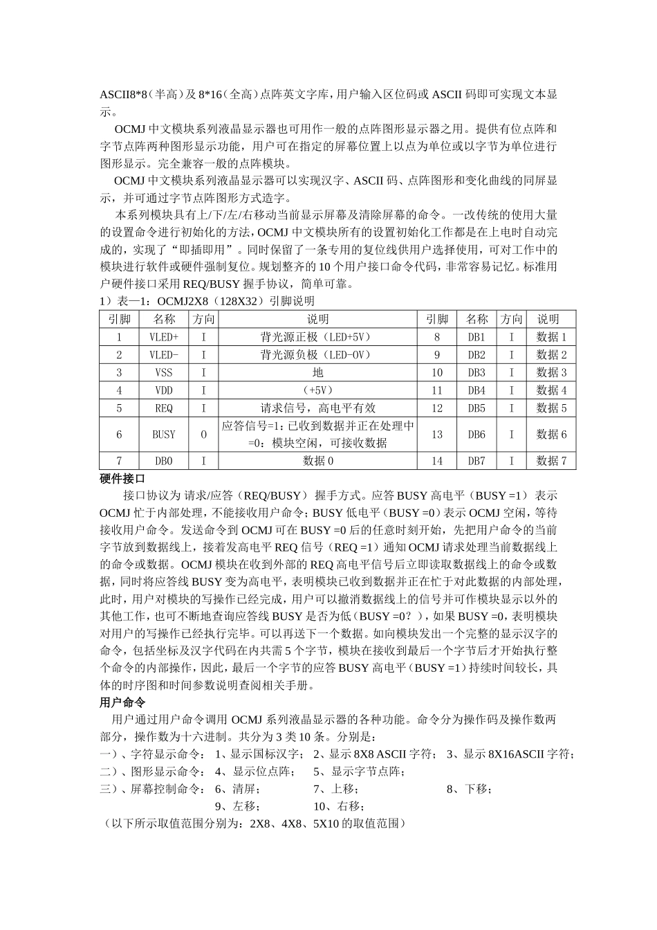
实验19LCD显示实验一、实验目的:学习液晶显示的编程方法,了解液晶显示模块的工作原理。掌握液晶显示模块与单片机的接口方法。二、所需设备CPU挂箱、8031CPU模块三、实验内容编程实现在液晶显示屏上显示中文汉字“北京理工达盛科技有限公司”。四、实验原理说明五、实验步骤1、实验连线8255的PA0~PA7接DB0~DB7,PC7接BUSY,PC0接REQ,CS8255接CS0。2、运行实验程序,观察液晶的显示状态。六、程序框图七、程序清单八、附:点阵式LCD模块点阵式LCD模块由一大一小两块液晶模块组成。两模块均由并行的数据接口和应答信号接口两部分组成,电源由接口总线提供。(1)OCMJ2×8液晶模块介绍及使用说明OCMJ中文模块系列液晶显示器内含GB231216*16点阵国标一级简体汉字和ASCII8*8(半高)及8*16(全高)点阵英文字库,用户输入区位码或ASCII码即可实现文本显示。OCMJ中文模块系列液晶显示器也可用作一般的点阵图形显示器之用。提供有位点阵和字节点阵两种图形显示功能,用户可在指定的屏幕位置上以点为单位或以字节为单位进行图形显示。完全兼容一般的点阵模块。OCMJ中文模块系列液晶显示器可以实现汉字、ASCII码、点阵图形和变化曲线的同屏显示,并可通过字节点阵图形方式造字。本系列模块具有上/下/左/右移动当前显示屏幕及清除屏幕的命令。一改传统的使用大量的设置命令进行初始化的方法,OCMJ中文模块所有的设置初始化工作都是在上电时自动完成的,实现了“即插即用”。同时保留了一条专用的复位线供用户选择使用,可对工作中的模块进行软件或硬件强制复位。规划整齐的10个用户接口命令代码,非常容易记忆。标准用户硬件接口采用REQ/BUSY握手协议,简单可靠。1)表—1:OCMJ2X8(128X32)引脚说明引脚名称方向说明引脚名称方向说明1VLED+I背光源正极(LED+5V)8DB1I数据12VLED-I背光源负极(LED-OV)9DB2I数据23VSSI地10DB3I数据34VDDI(+5V)11DB4I数据45REQI请求信号,高电平有效12DB5I数据56BUSYO应答信号=1:已收到数据并正在处理中=0:模块空闲,可接收数据13DB6I数据67DB0I数据014DB7I数据7硬件接口接口协议为请求/应答(REQ/BUSY)握手方式。应答BUSY高电平(BUSY=1)表示OCMJ忙于内部处理,不能接收用户命令;BUSY低电平(BUSY=0)表示OCMJ空闲,等待接收用户命令。发送命令到OCMJ可在BUSY=0后的任意时刻开始,先把用户命令的当前字节放到数据线上,接着发高电平REQ信号(REQ=1)通知OCMJ请求处理当前数据线上的命令或数据。OCMJ模块在收到外部的REQ高电平信号后立即读取数据线上的命令或数据,同时将应答线BUSY变为高电平,表明模块已收到数据并正在忙于对此数据的内部处理,此时,用户对模块的写操作已经完成,用户可以撤消数据线上的信号并可作模块显示以外的其他工作,也可不断地查询应答线BUSY是否为低(BUSY=0?),如果BUSY=0,表明模块对用户的写操作已经执行完毕。可以再送下一个数据。如向模块发出一个完整的显示汉字的命令,包括坐标及汉字代码在内共需5个字节,模块在接收到最后一个字节后才开始执行整个命令的内部操作,因此,最后一个字节的应答BUSY高电平(BUSY=1)持续时间较长,具体的时序图和时间参数说明查阅相关手册。用户命令用户通过用户命令调用OCMJ系列液晶显示器的各种功能。命令分为操作码及操作数两部分,操作数为十六进制。共分为3类10条。分别是:一)、字符显示命令:1、显示国标汉字;2、显示8X8ASCII字符;3、显示8X16ASCII字符;二)、图形显示命令:4、显示位点阵;5、显示字节点阵;三)、屏幕控制命令:6、清屏;7、上移;8、下移;9、左移;10、右移;(以下所示取值范围分别为:2X8、4X8、5X10的取值范围)1)显示国标汉字命令格式:F0XXYYQQWW该命令为5字节命令(最大执行时间为1.2毫秒,Ts2=1.2mS),其中XX:为以汉字为单位的屏幕行坐标值,取值范围00到07、02到09、00到09YY:为以汉字为单位的屏幕列坐标值,取值范围00到01、00到03、00到04QQWW:坐标位置上要显示的GB2312汉字区位码2)显示8X8ASCII字符命令格式:F1XXYYAS该命令为4字节命令(最大执行时间为0.8毫秒,Ts2=0.8mS),其中XX:为以ASCII码为单位的屏幕行坐标值,取值范...

1、当您付费下载文档后,您只拥有了使用权限,并不意味着购买了版权,文档只能用于自身使用,不得用于其他商业用途(如 [转卖]进行直接盈利或[编辑后售卖]进行间接盈利)。
2、本站所有内容均由合作方或网友上传,本站不对文档的完整性、权威性及其观点立场正确性做任何保证或承诺!文档内容仅供研究参考,付费前请自行鉴别。
3、如文档内容存在违规,或者侵犯商业秘密、侵犯著作权等,请点击“违规举报”。

碎片内容

单片机实验--LCD显示实验

文章天下+ 关注
实名认证
内容提供者

各种文档应有尽有

确认删除?
VIP
微信客服
  • 扫码咨询
会员Q群
  • 会员专属群点击这里加入QQ群
客服邮箱
回到顶部