电脑桌面
添加小米粒文库到电脑桌面
安装后可以在桌面快捷访问

工业工程在大型医院的应用VIP免费

工业工程在大型医院的应用_第1页
1/5
工业工程在大型医院的应用_第2页
2/5
工业工程在大型医院的应用_第3页
3/5
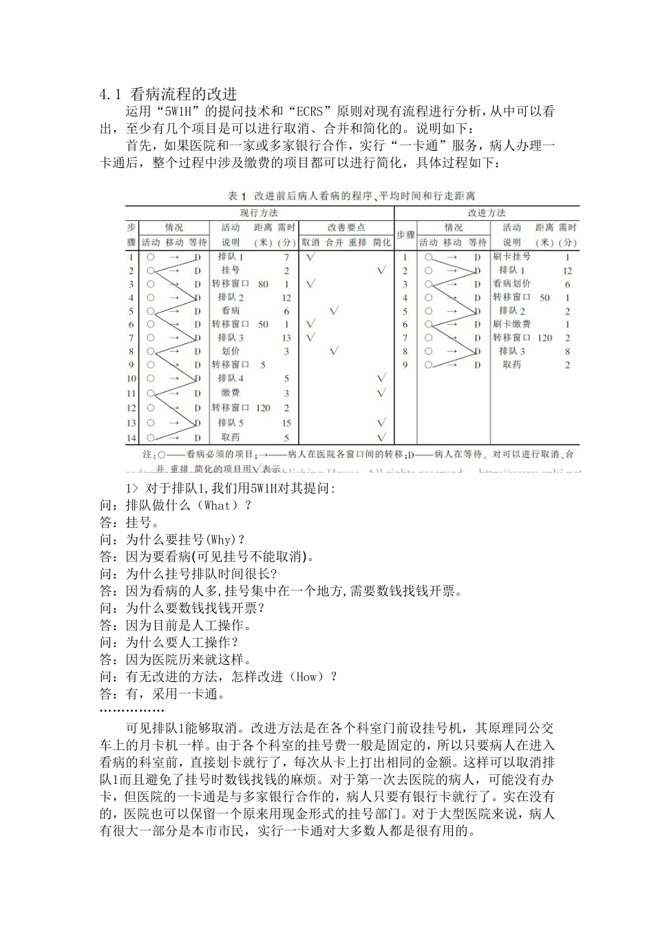
工业工程在大型医院的应用1前言看病难,是人们感到头疼的问题。特别是一些大医院,看病的人多,而医院空间大,科室和窗口布置紊乱,看病程序繁杂。人来人往,熙熙攘攘,跑上跑下,对病人的心力产生不良影响。在医院“折腾了”半天而实际看病时间只有几分钟,大部分时间花在了寻找和排队上。因此,必须通过现代管理技术来提高医院服务的质量和效率,改善目前看病难的现状,规范看病程序,缩短看病时间,让病人不仅能“看好病”,而且能“愉快”地看病,体现医院优质的服务。2IE基本理论与方法2.1IE的含义及应用工业工程是一门涉及人、材、物、信息、能源等要素并对这些要素进行集成规划、设计、改善、控制和创新的技术与管理相结合的边缘学科。它运用数学物理学等自然科学和社会科学知识,特别是工程技术的理论与方法为实现生产制造管理和服务系统的低成本、高效率、高效益的管理目标提供有力的技术支持。近年来,工业工程不仅在制造业中得到了广泛的应用,在服务性行业和运输行业也得到了扩展应用。如香港将IE理论运用于服务业,美国将IE运用于医疗行业,大幅度提高了医疗业服务的质量和效率,加拿大等国家在航空服务与管理中广泛运用IE技术,大大提高了民航的服务水平和业绩。2.2IE研究问题的方法和技术改进问题的研究思路是“5W1H”的提问技术,分别指:What--做什么?必须做吗?Where--在哪里做?有无更合适的地方?When--何时做?哪个时间做更好?Who--由谁做?有无更合适的人选?How--如何做?Why--为什么这样做?采用“5W1H”的提问技术便可以很容易地发现原业务流程中的问题,然后再运用四大原则对工作进行具体改进。这四大原则是:取消、合并、重排、简化。3大型医院现状及存在问题大型医院一般拥有专业的医疗技术和先进的医疗设备,拥有众多掌握高新技术的医务人员,其科室设置齐全,诊断项目完善,药品质量过关,这些原因都使得大型医院深受病人的信赖。然而让人头疼的是,在大型医院看病总是要折腾半天,不停地从楼上跑到楼下,本来就很虚弱的病人,经过这样一翻折腾,心情自然很不愉快。在医院真正看病的时间往往只有几分种,大部分的时间都花在了寻找和排队上。从IE的观点看,这些都是无效时间,应大力缩减到最少。我们对某大型医院进行了长时间的观察和记录,用IE的方法研究了病人在医院各活动时间和行走距离的平均值。表1是对其现行方法的描述。从表1可看出一般病人在医院花费的总平均时间为75分种而真正的看病时间一般只有6分钟占总时间的1/12不到。排队等待时间最长,共计52分钟占总时间的2/3以上。如果再加上体检、化验,病人得在医院呆上半天,甚至是整天时间。因此,很有必要对医院的这种现状改进。4IE运用于大型医院的方法研究4.1看病流程的改进运用“5W1H”的提问技术和“ECRS”原则对现有流程进行分析,从中可以看出,至少有几个项目是可以进行取消、合并和简化的。说明如下:首先,如果医院和一家或多家银行合作,实行“一卡通”服务,病人办理一卡通后,整个过程中涉及缴费的项目都可以进行简化,具体过程如下:1>对于排队1,我们用5W1H对其提问:问:排队做什么(What)?答:挂号。问:为什么要挂号(Why)?答:因为要看病(可见挂号不能取消)。问:为什么挂号排队时间很长?答:因为看病的人多,挂号集中在一个地方,需要数钱找钱开票。问:为什么要数钱找钱开票?答:因为目前是人工操作。问:为什么要人工操作?答:因为医院历来就这样。问:有无改进的方法,怎样改进(How)?答:有,采用一卡通。……………可见排队1能够取消。改进方法是在各个科室门前设挂号机,其原理同公交车上的月卡机一样。由于各个科室的挂号费一般是固定的,所以只要病人在进入看病的科室前,直接划卡就行了,每次从卡上打出相同的金额。这样可以取消排队1而且避免了挂号时数钱找钱的麻烦。对于第一次去医院的病人,可能没有办卡,但医院的一卡通是与多家银行合作的,病人只要有银行卡就行了。实在没有的,医院也可以保留一个原来用现金形式的挂号部门。对于大型医院来说,病人有很大一部分是本市市民,实行一卡通对大多数人都是很有用的。2>对于排队2,我们用5W1H对其提问,发现它是看病...

1、当您付费下载文档后,您只拥有了使用权限,并不意味着购买了版权,文档只能用于自身使用,不得用于其他商业用途(如 [转卖]进行直接盈利或[编辑后售卖]进行间接盈利)。
2、本站所有内容均由合作方或网友上传,本站不对文档的完整性、权威性及其观点立场正确性做任何保证或承诺!文档内容仅供研究参考,付费前请自行鉴别。
3、如文档内容存在违规,或者侵犯商业秘密、侵犯著作权等,请点击“违规举报”。

碎片内容

工业工程在大型医院的应用

您可能关注的文档

确认删除?
VIP
微信客服
  • 扫码咨询
会员Q群
  • 会员专属群点击这里加入QQ群
客服邮箱
回到顶部