电脑桌面
添加小米粒文库到电脑桌面
安装后可以在桌面快捷访问

废火药、炸药、弹药、引信及火工品处理、销毁与贮运安全技术要求VIP免费

废火药、炸药、弹药、引信及火工品处理、销毁与贮运安全技术要求_第1页
1/10
废火药、炸药、弹药、引信及火工品处理、销毁与贮运安全技术要求_第2页
2/10
废火药、炸药、弹药、引信及火工品处理、销毁与贮运安全技术要求_第3页
3/10
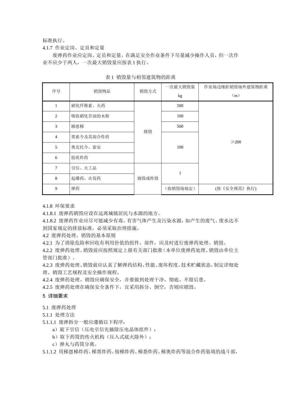
废火药、炸药、弹药、引信及火工品处理、销毁与贮运安全技术要求GJB5120—20021范围1.1主题内容本标准规定了废的火药、炸药、弹药、引信及火工品处理、销毁、贮存、运输工作中的安全技术要求。1.2适用范围本标准适用于从事火药、炸药、弹药、引信、火工品的科研、生产、贮存和使用单位。2引用文件JT3145—1991汽车危险货物运输、装卸作业规程WJ2177—1994火药、炸药、弹药、引信及火工品生产安全技术管理规程《火药、炸药、弹药、引信及火工品工厂设计安全规范》1990年3月中国兵器工业总公司3定义3.1废弹药wastedammunition因超期、变质、损坏或其它原因造成的不能继续使用的火药、炸药、弹、箭、雷、引信及火工品。3.2处理disposition对废弹药进行回收、拆分、倒空等过程。3.3销毁destruction对废弹药或处理后的废弹药采取烧毁、炸毁、化学分解等过程。4一般要求4.1废弹药作业安全的基本要求4.1.1作业安全要求废弹药的处理、销毁、贮运除执行本标准外,还应执行有关部门批准的技术文件和相应标准及有关安全技术规定。4.1.2作业器具废弹药作业应使用规定的专用设备。与火药、炸药接触的器具、工具、工装为不发火材料制成。4.1.3作业场所废弹药作业应在符合《火药、炸药、弹药、引信及火工品工厂设计安全规范》(以下简称《安全规范》)要求规定的场所进行。4.1.4作业审批废弹药的处理及销毁作业,应取得主管部门资质凭证,并由主管部门进行审批。4.1.5作业人员的培训废弹药作业人员应经工艺、安全教育和实际操作培训,并应取得安全技术操作合格证,严禁无证人员上岗作业。4.1.6作业人员着装废弹药作业人员的着装应为防静电或棉制品。有特殊防护要求的,按有关防护用品配备标准执行。4.1.7作业定岗、定员和定量废弹药作业应定岗、定员和定量。在满足安全作业条件下尽量减少操作人员,但一次作业不应少于两人,一次最大销毁量应按表1执行。表1销毁量与相邻建筑物的距离序号销毁物品销毁方式一次最大销毁量kg作业场边缘距销毁场外建筑物距离(m)1硝化纤维素、火药烧毁500≥2002吸收硝化甘油的木粉1003梯恩梯5004黑索今及其混合炸药1005奥克托今、泰安6胶质炸药7引信、火工品烧毁或炸毁18起爆药、击发药9弹药(按销毁场地定)(按《安全规范》执行)4.1.8环保要求4.1.8.1废弹药销毁应设在远离城镇居民与水源的地方。4.1.8.2废弹药作业应尽可能减少有毒、有害气体产生及污染水源,如产生的废气、废水达不到国家规定的排放标准,必须采取治理措施。4.2废弹药处理、销毁的基本原则4.2.1为了消除危险和回收有利用价值的组件、部件,应及时进行废弹药处理、销毁。4.2.2废弹药处理、销毁前应按照规定上报有关部门批准(本单位废弹药处理、销毁由单位主管部门批准)。4.2.3废弹药处理、销毁前应认真了解弹药结构、性能、废坏程度、技术贮藏状态,制定详细处理、销毁工艺规程及安全操作规程。4.2.4废弹药处理、销毁应确保安全,并要做到处理干净、彻底、不留后患。4.2.5废弹药处理在确保安全条件下,宜采用拆分、倒空,否则应销毁。5详细要求5.1废弹药处理5.1.1处理方法5.1.1.1废弹拆分一般应遵循以下程序:a)旋下引信(压电引信先摘除压电晶体组件);b)取下药筒的传火机构(压入式底火除外);c)弹丸与药筒分离。5.1.1.2用梯恩梯炸药、梯黑炸药、铵梯炸药、梯萘炸药、梯奥炸药等混合炸药装填的战斗部,可进行溶药处理。废弹熔药处理的要求如下:a)梯恩梯炸药装填的战斗部宜采用低压蒸汽直接熔药,蒸汽压力不得超过0.15Mpa,温度不超过110℃;b)混合炸药装填的战斗部(含铝炸药除外)宜采用间接熔药,蒸汽压力不超过0.2Mpa,温度不超过120℃(间接熔药包括水浴加热熔药或热风加热溶药)。5.1.1.3用高压水切割或高压水挖药应执行相应专用规则。5.1.2处理场所5.1.2.1处理场所应设在有防护装置或抗爆间室的专用工房内。处理场所与相邻建筑的安全距离应符合《安全规范》6.2.2条规定。5.1.2.2抗爆间室应具备下列条件:a)具有抗爆、隔离、联锁功能;b)具有防静电功能,入口处铺设导静电踏板,挂导消静电门帘,工作台和地面铺设静电橡胶板,直接接地电阻不大于100Ω,相对温度在70%以上;c)应...

1、当您付费下载文档后,您只拥有了使用权限,并不意味着购买了版权,文档只能用于自身使用,不得用于其他商业用途(如 [转卖]进行直接盈利或[编辑后售卖]进行间接盈利)。
2、本站所有内容均由合作方或网友上传,本站不对文档的完整性、权威性及其观点立场正确性做任何保证或承诺!文档内容仅供研究参考,付费前请自行鉴别。
3、如文档内容存在违规,或者侵犯商业秘密、侵犯著作权等,请点击“违规举报”。

碎片内容

废火药、炸药、弹药、引信及火工品处理、销毁与贮运安全技术要求

您可能关注的文档

确认删除?
VIP
微信客服
  • 扫码咨询
会员Q群
  • 会员专属群点击这里加入QQ群
客服邮箱
回到顶部