电脑桌面
添加小米粒文库到电脑桌面
安装后可以在桌面快捷访问

2020版高考物理一轮复习:周测19试验:探究做功与速度变化的关系验证机械能守恒定律验证动量守恒定律VIP免费

2020版高考物理一轮复习:周测19试验:探究做功与速度变化的关系验证机械能守恒定律验证动量守恒定律_第1页
1/15
2020版高考物理一轮复习:周测19试验:探究做功与速度变化的关系验证机械能守恒定律验证动量守恒定律_第2页
2/15
2020版高考物理一轮复习:周测19试验:探究做功与速度变化的关系验证机械能守恒定律验证动量守恒定律_第3页
3/15
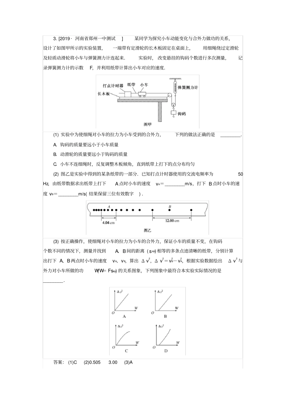
实验:探究做功与速度变化的关系验证机械能守恒定律验证动量守恒定律小题狂练?小题是基础练小题提分快1.[2019·甘肃省渭源四中考试]探究“做功和物体速度变化的关系”的实验装置如图甲所示,图中是小车在1条橡皮筋作用下弹出,沿木板滑行的情形.实验中小车获得的速度为v,由打点计时器所打出的纸带测出,橡皮筋对小车做的功记为W;实验时,将木板左端调整到适当高度,每次橡皮筋都拉伸到同一位置释放.请回答下列问题:当我们把2条、3条⋯⋯完全相同的橡皮筋并在一起进行第2次、第3次⋯⋯实验.请回答下列问题:(1)除了图甲中已给出的器材外,需要的器材还有:交流电源、________.(2)如图乙所示是小车在某次运动过程中打点计时器在纸带上打出的一系列的点,打点的时间间隔为0.02s,则小车离开橡皮筋后的速度为________m/s.(保留两位有效数字)(3)将几次实验中橡皮筋对小车所做的功W和小车离开橡皮筋后的速度v,进行数据处理,以W为纵坐标,v或v2为横坐标作图,其中可能符合实际情况的是________.答案:(1)毫米刻度尺(2)0.36(3)AD解析:(1)需要的器材除了交流电源外,还有毫米刻度尺;(2)小车离开橡皮筋后的速度为v=7.2×10-30.02m/s=0.36m/s;(3)因为W=12mv2,则以W为纵坐标,v或v2为横坐标作图,其中可能符合实际情况的是A、D.2.[2019·浙江省五校联考]如图甲所示,用质量为m的重物通过滑轮牵引小车,使它在长木板上运动,打点计时器在纸带上记录小车的运动情况,利用该装置可以完成“探究动能定理”的实验.(1)打点计时器使用的电源是_______________________(填选项前的字母).A.直流电源B.交流电源(2)实验中,需要平衡摩擦力和其他阻力,正确的操作方法是________(填选项前的字母,A.把长木板右端垫高B.改变小车的质量),在不挂重物且________(填选项前的字母,A.打点计时器不打点B.打点计时器打点)的情况下,轻推一下小车,若小车拖着纸带做匀速运动,表明已经消除了摩擦力和其他阻力的影响.(3)接通电源,释放小车,打点计时器在纸带上打下一系列点,将打下的第一个点标为O.在纸带上依次取A、B、C、⋯若干个计数点,已知相邻计数点间的时间间隔为T.测得A、B、C、⋯各点到O点的距离分别为x1、x2、x3、⋯,如图乙所示.实验中,重物质量远小于小车质量,可认为小车所受的拉力大小为mg,从打O点到打B点的过程中,拉力对小车做的功W=________,打B点时小车的速度v=________.答案:(1)B(2)AB(3)mgx2x3-x12T解析:(1)打点计时器使用的是交流电,B正确;(2)平衡摩擦力的方法是:把木板一端垫高,让小车滑下,当小车匀速运动时,就意味着摩擦力抵消了,A正确;此时应当让打点计时器打点,因为打点计时器打点时也会有摩擦力,B正确;(3)由于近似认为拉力等于重物重力,所以根据W=Fx可知,拉力做的功W=mgx2;匀变速运动中,中间时刻的速度等于该段时间内的平均速度,所以B点的速度等于AC段的平均速度,即v=xAC2T=x3-x12T.3.[2019·河南省郑州一中测试]某同学为探究小车动能变化与合外力做功的关系,设计了如图甲所示的实验装置,一端带有定滑轮的长木板固定在桌面上,用细绳绕过定滑轮及轻质动滑轮将小车与弹簧测力计连起来.实验时,改变悬挂的钩码个数进行多次测量,记录弹簧测力计的示数F,并利用纸带计算出小车对应的速度.(1)实验中为使细绳对小车的拉力为小车受到的合外力,下列的做法正确的是________.A.钩码的质量要远小于小车质量B.动滑轮的质量要远小于钩码的质量C.小车不连细绳时,反复调整木板倾角,直到纸带上打下的点分布均匀(2)图乙是实验中得到的某条纸带的一部分.已知打点计时器使用的交流电频率为50Hz,由纸带数据求出纸带上打下A点时小车的速度vA=________m/s,打下B点时小车的速度vB=________m/s(结果保留三位有效数字).(3)按正确操作,使细绳对小车的拉力为小车的合外力,保证小车的质量不变,在钩码个数不同的情况下,测量并找到A、B间的距离(sAB)相等的多条点迹清晰的纸带,分别计算出打下A、B两点时小车的速度vA、vB,算出Δv2,Δv2=v2B-v2A,根据实验数据绘出Δv2与外力对小车所做的功W(W=FsAB)的关系图象,下列图象中最符合...

1、当您付费下载文档后,您只拥有了使用权限,并不意味着购买了版权,文档只能用于自身使用,不得用于其他商业用途(如 [转卖]进行直接盈利或[编辑后售卖]进行间接盈利)。
2、本站所有内容均由合作方或网友上传,本站不对文档的完整性、权威性及其观点立场正确性做任何保证或承诺!文档内容仅供研究参考,付费前请自行鉴别。
3、如文档内容存在违规,或者侵犯商业秘密、侵犯著作权等,请点击“违规举报”。

碎片内容

2020版高考物理一轮复习:周测19试验:探究做功与速度变化的关系验证机械能守恒定律验证动量守恒定律

文库响当当+ 关注
实名认证
内容提供者

该用户很懒,什么也没介绍

相关文档

确认删除?
VIP
微信客服
  • 扫码咨询
会员Q群
  • 会员专属群点击这里加入QQ群
客服邮箱
回到顶部