电脑桌面
添加小米粒文库到电脑桌面
安装后可以在桌面快捷访问

高级仪表工试题库VIP免费

高级仪表工试题库_第1页
1/33
高级仪表工试题库_第2页
2/33
高级仪表工试题库_第3页
3/33
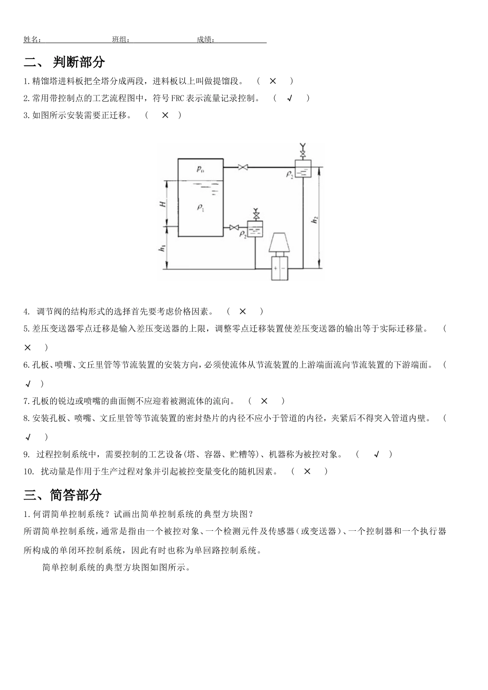
姓名:班组:成绩:测试卷一一、选择部分1.按需分离组分的多少可分为(BD)精馏。A.一元B.二元C.三元D.多元2.Ⅲ型调节器的输入与输出正确的说法是(C)。A.输入为0~5VDC,输出为4~20mADCB.输入为0~20mADC,输出为0~20mADCC.输入为1~5VDC,输出为4~20mADCD.输入为4~20mADC,输出为4~20mADC3.一般精馏装置由精馏塔(ABCD)等设备组成。A.塔身B.冷凝器C.回流罐D.再沸器4.精馏塔的控制要求一般从(ABCD)方面考虑。A.质量指标B.产品产量C.能量消耗D.约束条件5.常规控制仪表的选择时一般应考虑(BCD)因素。A.市场要求B.价格因素C.管理的需要D.工艺的要求6.调节阀按其使用能源不同可分为(ABC)三种。A.电动B.液动C.气动D.压动7.在带控制点的工艺流程图中,(D)表示压力指示。A.TEB.FQIC.LRCD.PI8.仪表盘正面布置图一般都是按(C)的比例进行绘制。A.20∶1B.10∶1C.1∶10D.1∶209.仪表管线编号方法有(ABC)。A.直接连线法B.间接连线法C.相对呼应编号法D.单元接线法10.就地仪表供电箱的箱体中心距操作地面的高度宜为(D)m,成排安装时应排列整齐、美观。A.1~1.2B.0~1.8C.1.5~1.8D.1.2~1.511.下列控制系统中,(C)是开环控制系统。A.定值控制系统B.随动控制系统C.前馈控制系统D.程序控制系统12.(D)设定值是已知的时间函数,即设定值按预定的时间程序变化,被控参数自动跟踪设定值。A.定值控制系统B.随动控制系统C.前馈控制系统D.程序控制系统13.(C)不是典型过渡过程的基本形式。A.发散振荡过程B.等幅振荡过程C.随机振荡过程D.非周期衰减过程14.典型衰减振荡过程曲线最佳衰减比为(C)。A.4:1B.10:1C.4:1~10:1D.2:1~10:115.在自动控制系统研究中经常采用(D)作为输入信号。A.斜坡函数B.单位脉冲函数C.抛物线函数D.阶跃函数姓名:班组:成绩:二、判断部分1.精馏塔进料板把全塔分成两段,进料板以上叫做提馏段。(×)2.常用带控制点的工艺流程图中,符号FRC表示流量记录控制。(√)3.如图所示安装需要正迁移。(×)4.调节阀的结构形式的选择首先要考虑价格因素。(×)5.差压变送器零点迁移是输入差压变送器的上限,调整零点迁移装置使差压变送器的输出等于实际迁移量。(×)6.孔板、喷嘴、文丘里管等节流装置的安装方向,必须使流体从节流装置的上游端面流向节流装置的下游端面。(√)7.孔板的锐边或喷嘴的曲面侧不应迎着被测流体的流向。(×)8.安装孔板、喷嘴、文丘里管等节流装置的密封垫片的内径不应小于管道的内径,夹紧后不得突入管道内壁。(√)9.过程控制系统中,需要控制的工艺设备(塔、容器、贮糟等)、机器称为被控对象。(√)10.扰动量是作用于生产过程对象并引起被控变量变化的随机因素。(×)三、简答部分1.何谓简单控制系统?试画出简单控制系统的典型方块图?所谓简单控制系统,通常是指由一个被控对象、一个检测元件及传感器(或变送器)、一个控制器和一个执行器所构成的单闭环控制系统,因此有时也称为单回路控制系统。简单控制系统的典型方块图如图所示。姓名:班组:成绩:典型方块图2.简单控制系统由哪几部分组成?各部分的作用是什么?简单控制系统由检测变送装置、控制器、执行器及被控对象组成。检测变送装置的作用是检测被控变量的数值并将其转换为一种特定输出信号。控制器的作用是接受检测装置送来的信号,与给定值相比较得出偏差,并按某种运算规律算出结果送往执行器。执行器能自动地根据控制器送来的控制信号来改变操纵变量的数值,以达到控制被控变量的目的。被控对象是指需要控制其工艺参数的生产设备或装置。3.什么叫直接指标控制和间接指标控制?各使用在什么场合?如果被控变量本身就是需要控制的工艺指标,则称为直接指标控制;如果被控变量本身不是需要控制的工艺指标,但与其有一定的间接对应关系时,称为间接指标控制。在控制系统设计时,尽量采用直接指标控制,只有当被控变量无法直接检测,或虽能检测,但信号很微弱或滞后很大,才考虑采用间接指标控制。4.被控变量的选择应遵循哪些原则?被控变量的正确选择是关系到系统能否达到预期控制效果的重要因素,它选择的一般原则是:(1)被控变量应能代表一...

1、当您付费下载文档后,您只拥有了使用权限,并不意味着购买了版权,文档只能用于自身使用,不得用于其他商业用途(如 [转卖]进行直接盈利或[编辑后售卖]进行间接盈利)。
2、本站所有内容均由合作方或网友上传,本站不对文档的完整性、权威性及其观点立场正确性做任何保证或承诺!文档内容仅供研究参考,付费前请自行鉴别。
3、如文档内容存在违规,或者侵犯商业秘密、侵犯著作权等,请点击“违规举报”。

碎片内容

高级仪表工试题库

确认删除?
VIP
微信客服
  • 扫码咨询
会员Q群
  • 会员专属群点击这里加入QQ群
客服邮箱
回到顶部