电脑桌面
添加小米粒文库到电脑桌面
安装后可以在桌面快捷访问

考试试件的检验要求VIP免费

考试试件的检验要求_第1页
1/7
考试试件的检验要求_第2页
2/7
考试试件的检验要求_第3页
3/7
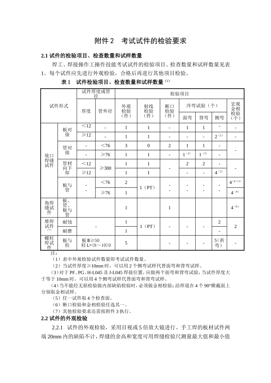
附件2考试试件的检验要求2.1试件的检验项目、检查数量和试样数量焊工、焊接操作工操作技能考试试件的检验项目、检查数量和试样数量见表1。每个试件应先进行外观检验,合格后再进行其他项目检验。表1试件检验项目、检查数量和试样数量(1)试件形式试件厚度或管径检验项目厚度管外径外观检验(件)射线检验(件)断口检验(件)冷弯试验(个)宏观金相检验(个)面弯背弯侧弯坡口焊缝试件板对接<12-11-11--≥12-11---2(2)-管对接-<7630211---≥7611-1(3)1(3)-管材向下焊<12≥30011-22--≥1211--4(3)板与管--<7621(PT)--------4(4)(5)≥7614(4)角焊缝试件板、管、板与管114(6)堆焊试件(7)耐蚀-11(PT)---22耐磨1-螺柱焊试件板与柱板B≥50柱L=(8~10)D5---5(折弯)-注:(1)表中外观检验试件数量即考试试件数量。(2)当试件厚度≥10mm时,可以用2个侧弯试样代替面弯和背弯试样。(3)对于PF、PG、H-L045及J-L045焊接位置,应做两个面弯和背弯试验,当试件厚度大于等于10mm时,可以用4个侧弯试样代替面弯和背弯试样。(4)当不能经无损检验做内部缺陷检验时,必须做金相检验;沿焊道在4个90°横截面上分别取金相试样。(5)任一试件取4个检查面。(6)断口检验和金相检验任选其一。(7)其他检验要求还需按附件3执行。2.2试件的外观检验2.2.1试件的外观检验,采用目视或5倍放大镜进行。手工焊的板材试件两端20mm内的缺陷不计,焊缝的余高和宽度可用焊缝检验尺测量最大值和最小值但不取平均值,单面焊的背面焊缝宽度可不测定。2.2.2试件焊缝的外观检验应符合下列要求:2.2.2.1焊缝表面应是焊后原始状态,不允许加工修磨或返修。2.2.2.2焊缝外形尺寸应符合表2的规定以及下列要求:(1)焊缝边缘直线度:手工焊≤2mm;机械化焊≤3mm。(2)板材、管板或接管角焊缝凸度或凹度应不大于1.5mm;板材、管板或接管角焊缝的焊脚尺寸K为T+(0~3)mm(T为板或管壁厚)。(3)不带衬垫的板材试件、管板或接管试件和外径不小于76mm的管材试件背面焊缝的余高应不大于3mm。(4)外径小于76mm的管材对接焊缝试件进行通球检查。管外径大于或等于32mm时,通球直径为管内径的85%;管外径小于32mm时,通球直径为管内径的75%。表2试件焊缝外形尺寸(mm)焊接方法焊缝余高焊缝余高差焊缝宽度平焊位置其他位置平焊位置其他位置比坡口每侧增宽宽度差手工焊0-30-4≤2≤30.5-2.5≤3机械化焊0-30-3≤2≤22-4≤22.2.2.3堆焊两相邻焊道之间的凹下量不得大于1.5mm;焊道高度差应小于或等于1.5mm。焊道间搭接接头的平面度在试件范围内不得大于1.5mm。2.2.2.4各种焊缝表面不得有裂纹、未熔合、夹渣、气孔、焊瘤和未焊透。机械化焊的焊缝表面不得有咬边和凹坑。手工焊焊缝表面的咬边和背面凹坑不得超过表3的规定。表3手工焊焊缝表面咬边和背面凹坑缺陷名称允许的最大尺寸咬边深度≤0.5mm;焊缝两侧咬边总长度不得超过焊缝长度的10%。背面凹坑当T≤6mm时,深度≤15%T,且≤0.5mm;当T>6mm时,深度≤10%T,且≤1.5mm。除仰焊位置的板材试件不作规定外,总长度不超过焊缝长度的10%。2.2.2.5板状试件焊后变形角度θ≤3°,见图1(a)。试件的错边量不得大于10%T,且≤2mm,见图1(b)。2.2.3属于一个考试项目的所有试件外观检验的结果均符合2.2.2各项要求,该项试件的外观检验为合格,否则为不合格。(a)试件的变形角度(b)试件错边量图1板状试件的变形角度和错边量2.3无损检验试件的无损检验应符合民用核安全设备产品一级焊缝的检验要求。2.4弯曲试验2.4.1弯曲试样应从无损检验中发现的缺陷最多的区域切取。板状试件可按图2的位置截取弯曲试样;管状试件可按图3的位置截取弯曲试样,弯曲试样的形式和尺寸见图4。堆焊侧弯试样宽度至少应包括堆焊层全部、熔合线和基层热影响区。试样上的余高及焊缝背面的垫板应用机械方法去除,面弯和背弯试样的拉伸面应平齐,且保留焊缝两侧中至少一侧的母材原始表面。2.4.2做面、背弯或者侧弯试验时,对于延伸率A≥20%的母材,弯头(或内辊)直径应为4T,弯曲角度应为180o。而延伸率A<20%的母材,应采用下列公式:D0=100S1/A-S1式中:D0为弯头或内辊的直径;S1为...

1、当您付费下载文档后,您只拥有了使用权限,并不意味着购买了版权,文档只能用于自身使用,不得用于其他商业用途(如 [转卖]进行直接盈利或[编辑后售卖]进行间接盈利)。
2、本站所有内容均由合作方或网友上传,本站不对文档的完整性、权威性及其观点立场正确性做任何保证或承诺!文档内容仅供研究参考,付费前请自行鉴别。
3、如文档内容存在违规,或者侵犯商业秘密、侵犯著作权等,请点击“违规举报”。

碎片内容

考试试件的检验要求

您可能关注的文档

确认删除?
VIP
微信客服
  • 扫码咨询
会员Q群
  • 会员专属群点击这里加入QQ群
客服邮箱
回到顶部